salve a tutti.
avrei bisogno di aiuto:)
materiale a disposizione:
-2 ventole( da 12v 0.24A cadauna)
-1 caricabatteria x cellulere INPUT 90-250V AC 60mA 47-63Hz OUTPUT 4.5-12.5V DC MAX 700mA
-DOVREI COMPRARE DUE INTERRUTTORI TIPO QUESTI http://www.rallyshop.it/images/elettrici/45554.jpg
(ci sono delle caratteristiche che devo controllare per gli interruttori?)
problema:
ad ognuna delle ventole vorrei collegare un interruttore per poi collegareil tutto al caricabatterie.
il funzionamento dovrebbe essere il seguente: con il caricabatteria collegato alla corrente ho la possibilità, tramite gli interruttori,di accendere separatamente le ventole
1) è possibile fare ciò?
2) tensioni e ampere sono idonei?
3) il caricabatteria rischia di bruciarsi se resta sempre collegato alla corrente?
4)come vanno effettuati i collegamenti dei cavi?!(collegando i 2 negativi delle ventole con il negativo del caricabatterie; sdoppiare ad Y il positivo del caricabatterie collegando le 2 estremita al connettore centrale degli interruttori; collegare il positivo della ventola ad un connettore esterno dell'interruttore)
spero di essere stato il più chiaro possibile.
in attesa di una vostra risposta vi ringrazio anticipatamente
collegamento ventole ad interruttori
Moderatori:
carloc,
g.schgor,
BrunoValente,
IsidoroKZ
16 messaggi
• Pagina 1 di 2 • 1, 2
0
voti
0
voti
Ciao.
Degli interruttori dovresti controllare la corrente che sono in grado di sopportare, ma nel tuo caso non serve in quanto è abbastanza irrisoria. Il caricabatterie è in grado di erogare 700mA e le tue ventole insieme consumano 480mA quindi non hai problemi (mi lascia perplesso il fatto che il caricabatterie del cellulare abbia una tensione di uscita regolabile).
Quel tipo di interruttore inoltre prevede anche un led di segnalazione che si accende quando l'interruttore è in ON, rispetto a un comune interruttore la cosa che si deve fare in più è collegare il terminale Ground al negativo in modo da rendere possibile l'accensione del led (se non vuoi il led basta che lo lasci scollegato).
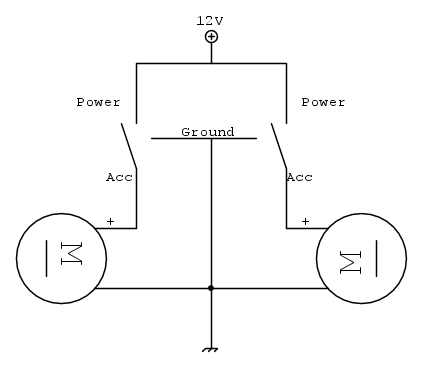
Lo schema di collegamento è questo. Con ogni interruttore accendi e spegni la rispettiva ventola autonomamente.
Degli interruttori dovresti controllare la corrente che sono in grado di sopportare, ma nel tuo caso non serve in quanto è abbastanza irrisoria. Il caricabatterie è in grado di erogare 700mA e le tue ventole insieme consumano 480mA quindi non hai problemi (mi lascia perplesso il fatto che il caricabatterie del cellulare abbia una tensione di uscita regolabile).
Quel tipo di interruttore inoltre prevede anche un led di segnalazione che si accende quando l'interruttore è in ON, rispetto a un comune interruttore la cosa che si deve fare in più è collegare il terminale Ground al negativo in modo da rendere possibile l'accensione del led (se non vuoi il led basta che lo lasci scollegato).
Lo schema di collegamento è questo. Con ogni interruttore accendi e spegni la rispettiva ventola autonomamente.
0
voti
piozz grazie per la risposta:) ma sinceramente,essendo ignorante in materia, non so leggere lo schema!
l'interruttore non ha il led e il caricabatteria non ha il tensione regolabile!
provo ad interpretare lo schema...
guardandolo bene credo sia la stessa cosa che ho scritto io. o mi sbaglio?
i 3 negativi(2 delle ventole e 1 del caricabatterie)una volta collegati tra d loro devo farli scaricare da qualche parte?(ad esempio su di una vite)
l'interruttore non ha il led e il caricabatteria non ha il tensione regolabile!
provo ad interpretare lo schema...
guardandolo bene credo sia la stessa cosa che ho scritto io. o mi sbaglio?
i 3 negativi(2 delle ventole e 1 del caricabatterie)una volta collegati tra d loro devo farli scaricare da qualche parte?(ad esempio su di una vite)
0
voti
jardell ha scritto: il caricabatteria non ha il tensione regolabile!
Allora ci puoi dire quanto e' in grado di erogare? (tensione/corrente).
jardell ha scritto:i 3 negativi(2 delle ventole e 1 del caricabatterie)una volta collegati tra d loro devo farli scaricare da qualche parte?(ad esempio su di una vite)
No, lasciali pure tranquilli dopo averli collegati insieme
marco
0
voti
-1 caricabatteria x cellulere INPUT 90-250V AC 60mA 47-63Hz OUTPUT 4.5-12.5 V DC MAX 700mA
0
voti
come faccio a decidere se usare quella a 4.5 o quella da 12.5??non è regolagile!
è un caricabatterie per cellulari!
è un caricabatterie per cellulari!
0
voti
ha una sola uscita!
tagliando il cavo , ci sono solo 2 cavetti:uno nero(-) e uno verde(+)!
tagliando il cavo , ci sono solo 2 cavetti:uno nero(-) e uno verde(+)!
0
voti
Visto che sei tu che vedi effettivamente quello di cui disponi, che hai scritto 4.5V/12.5V, che hai scritto che non e' regolabile; che hai scritto che disponne di una sola uscita e di soli due fili, ci vuoi spiegare di che caspita di alimentatore si tratta?
Di solito i caricatori per cellulare hanno un'unica uscita non regolabile a 5V e, in tal caso, non sarebbe idoneo a pilotare le ventole che, hai scritto, lavorano a 12V.
Se non riesci a spiegarlo fai una foto di questo benedetto alimentatore, cosi' lo vediamo anche noi.
Di solito i caricatori per cellulare hanno un'unica uscita non regolabile a 5V e, in tal caso, non sarebbe idoneo a pilotare le ventole che, hai scritto, lavorano a 12V.
Se non riesci a spiegarlo fai una foto di questo benedetto alimentatore, cosi' lo vediamo anche noi.
marco
16 messaggi
• Pagina 1 di 2 • 1, 2
Chi c’è in linea
Visitano il forum: Nessuno e 89 ospiti

Elettrotecnica e non solo (admin)
Un gatto tra gli elettroni (IsidoroKZ)
Esperienza e simulazioni (g.schgor)
Moleskine di un idraulico (RenzoDF)
Il Blog di ElectroYou (webmaster)
Idee microcontrollate (TardoFreak)
PICcoli grandi PICMicro (Paolino)
Il blog elettrico di carloc (carloc)
DirtEYblooog (dirtydeeds)
Di tutto... un po' (jordan20)
AK47 (lillo)
Esperienze elettroniche (marco438)
Telecomunicazioni musicali (clavicordo)
Automazione ed Elettronica (gustavo)
Direttive per la sicurezza (ErnestoCappelletti)
EYnfo dall'Alaska (mir)
Apriamo il quadro! (attilio)
H7-25 (asdf)
Passione Elettrica (massimob)
Elettroni a spasso (guidob)
Bloguerra (guerra)




