Dubbio su convenzioni e relative equazioni di Kirchhoff
Moderatori:
g.schgor,
IsidoroKZ
8 messaggi
• Pagina 1 di 1
0
voti
Salve a tutti,
Sono un nuovo iscritto al forum e novizio per quanto riguarda l'elettrotecnica.
Sto studiando il circuiti e mi è sorto un dubbio che leggendo già nel forum (ho letto spesso e cercato un po di cose).
In pratica, mi è stato detto che durante la risoluzione dei circuiti sia con resistori lineari che con impedenze sbagliavo ad usare le convenzioni con il conseguente errore nello scrivere le equazioni di kirckoff alle tensioni. Su questo sono andato un po in crisi...
Sostanzialmente mi è stato fatto notare che commettevo un errore mettendo il generatore con la convenzione dell'dell'utilizzatore, mentre di solito va messo con la convenzione del generatore.
Il punto però (correggetemi se sbaglio) è che come io imposti le correnti e le tensioni non dovrebbe influire sulle equazioni che poi mi ricavo no?
Il problema però nasce dal fatto cheun esercizio non mi viene mentre uno si quindi probabilmente sto andando in ansia da segni.
Io ho sempre messo le correnti applicato a tutti i bipoli la convenzione dell'utilizzatore e poi ho preso con il segno più le tensioni discordi con il meno quelle concordi
Spero di essermi spiegato bene, nel caso posso scrivere l'l'esercizio che ha sollevato il miei dubbi... Grazie in anticipo per le risposte
Sono un nuovo iscritto al forum e novizio per quanto riguarda l'elettrotecnica.
Sto studiando il circuiti e mi è sorto un dubbio che leggendo già nel forum (ho letto spesso e cercato un po di cose).
In pratica, mi è stato detto che durante la risoluzione dei circuiti sia con resistori lineari che con impedenze sbagliavo ad usare le convenzioni con il conseguente errore nello scrivere le equazioni di kirckoff alle tensioni. Su questo sono andato un po in crisi...
Sostanzialmente mi è stato fatto notare che commettevo un errore mettendo il generatore con la convenzione dell'dell'utilizzatore, mentre di solito va messo con la convenzione del generatore.
Il punto però (correggetemi se sbaglio) è che come io imposti le correnti e le tensioni non dovrebbe influire sulle equazioni che poi mi ricavo no?
Il problema però nasce dal fatto cheun esercizio non mi viene mentre uno si quindi probabilmente sto andando in ansia da segni.
Io ho sempre messo le correnti applicato a tutti i bipoli la convenzione dell'utilizzatore e poi ho preso con il segno più le tensioni discordi con il meno quelle concordi
Spero di essermi spiegato bene, nel caso posso scrivere l'l'esercizio che ha sollevato il miei dubbi... Grazie in anticipo per le risposte
2
voti
All'inizio si può fare confusione.
Metti tensioni e correnti come ti pare, poi usi le leggi di Kirchhoff.
Le regole da ricordare sono:
1)La tensione nei generatori di tensione è imposta ed è maggiore dalla parte del contrassegno
2)Per i generatori di corrente la tensione è incognita, nota la corrente che li attraversa non puoi sapere quanto vale la tensione ai capi del generatore di corrente utillazzando la sua relazione costitutiva.
3)Per resistori, impedenze, condensatori...
Se si usano i riferimenti associati (dell'utilizzatore) si usa la normale relazione costitutiva, altrimenti si mette un segno meno.
Immagine copiata da un articolo di
lillo: http://www.electroyou.it/lillo/wiki/bipoli che ti consiglio di leggere.
Per fare prima, dopo aver messo le correnti, se vuoi usare il secondo principio di Kirchhoff senza stare a mettere tutte le tensioni puoi usare questa regola.
A sinistra dell'uguale generatori di tensione con segno + se facendo la circuitazione esci dal contrassegno, segno - se entri.
A destra tutti gli altri bipoli che non siano generatori di corrente con segno più se la corrente è concorde con la circuitazione, altrimenti segno meno.
Ecco un semplice esempio
Le equazioni diventano:
1)
La seconda prova a scriverla.
Metti tensioni e correnti come ti pare, poi usi le leggi di Kirchhoff.
Le regole da ricordare sono:
1)La tensione nei generatori di tensione è imposta ed è maggiore dalla parte del contrassegno
2)Per i generatori di corrente la tensione è incognita, nota la corrente che li attraversa non puoi sapere quanto vale la tensione ai capi del generatore di corrente utillazzando la sua relazione costitutiva.
3)Per resistori, impedenze, condensatori...
Se si usano i riferimenti associati (dell'utilizzatore) si usa la normale relazione costitutiva, altrimenti si mette un segno meno.
Immagine copiata da un articolo di
Per fare prima, dopo aver messo le correnti, se vuoi usare il secondo principio di Kirchhoff senza stare a mettere tutte le tensioni puoi usare questa regola.
A sinistra dell'uguale generatori di tensione con segno + se facendo la circuitazione esci dal contrassegno, segno - se entri.
A destra tutti gli altri bipoli che non siano generatori di corrente con segno più se la corrente è concorde con la circuitazione, altrimenti segno meno.
Ecco un semplice esempio
Le equazioni diventano:
1)

La seconda prova a scriverla.
0
voti
Ciao grazie per la risposta sei stato molto chiaro ed esaustivo!
Quindi se ho capito bene alla seconda maglia ottengo un'equazione del tipo

Il mio ragionamento è:
-A sinistra il generatore con segno meno perché sto uscendo dal contrassegno in base a come ho messo i verso di percorrenza
-A destra i resistori dove la corrente
è concorde al verso imposto mentre
è discorde.
Spero di aver applicato bene i ragionamenti
un'altra cosa, siccome questo mio dubbio è nato da un esercizio su una rete in regime sinusoidale, posso continuare qui esponendo il mio dubbio o apro un altro topic siccome vorrei riportare tutti i procedimenti e ragionamenti che faccio
Quindi se ho capito bene alla seconda maglia ottengo un'equazione del tipo

Il mio ragionamento è:
-A sinistra il generatore con segno meno perché sto uscendo dal contrassegno in base a come ho messo i verso di percorrenza
-A destra i resistori dove la corrente
è concorde al verso imposto mentre
è discorde.Spero di aver applicato bene i ragionamenti
un'altra cosa, siccome questo mio dubbio è nato da un esercizio su una rete in regime sinusoidale, posso continuare qui esponendo il mio dubbio o apro un altro topic siccome vorrei riportare tutti i procedimenti e ragionamenti che faccio
0
voti
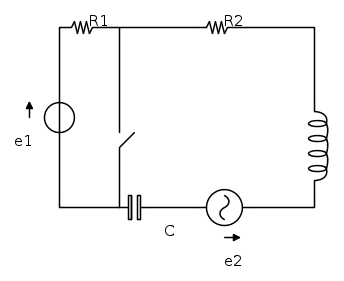
Il mio problema è nato cercando di risolvere questo circuito:
Dove





Ora come prima cosa mi calcolo le condizioni iniziali applicando il principio di sovrapposizione
Con
attivo ottengo subito che 
Successivamente con
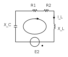
attivo applico il metodo fasoriale ottenendo la rete di impedenze
Successivamente per calcolarmi la corrente
considero l’impedenza equivalente

La rete si riduce a
Da qui scrivo l’equazione

Ora non so se è giusta ma se lo fosse non mi trovo con il la fase della corrente successivamente in quanto

Dovrei trovarmi con la fase di
che mi otterrei se considerassi il meno dell’equazione.
Quindi qui ho l’intoppo…
Invece però in un altro esercizio nella stessa situazione applicando quest’equazione mi trovo con il risultato
In virtù di ciò sono confuso
Grazie in anticipo per le risposte, spero di non aver fatto macelli con fidocadj xD
Dove





Ora come prima cosa mi calcolo le condizioni iniziali applicando il principio di sovrapposizione
Con
attivo ottengo subito che 
Successivamente con
attivo applico il metodo fasoriale ottenendo la rete di impedenzeSuccessivamente per calcolarmi la corrente
considero l’impedenza equivalente
La rete si riduce a
Da qui scrivo l’equazione

Ora non so se è giusta ma se lo fosse non mi trovo con il la fase della corrente successivamente in quanto

Dovrei trovarmi con la fase di
che mi otterrei se considerassi il meno dell’equazione.Quindi qui ho l’intoppo…
Invece però in un altro esercizio nella stessa situazione applicando quest’equazione mi trovo con il risultato
In virtù di ciò sono confuso
Grazie in anticipo per le risposte, spero di non aver fatto macelli con fidocadj xD
0
voti
0
voti
Useremo notazioni diverse, ma io non metto tutte quelle frecce.


8 messaggi
• Pagina 1 di 1
Torna a Elettrotecnica generale
Chi c’è in linea
Visitano il forum: Nessuno e 18 ospiti

Elettrotecnica e non solo (admin)
Un gatto tra gli elettroni (IsidoroKZ)
Esperienza e simulazioni (g.schgor)
Moleskine di un idraulico (RenzoDF)
Il Blog di ElectroYou (webmaster)
Idee microcontrollate (TardoFreak)
PICcoli grandi PICMicro (Paolino)
Il blog elettrico di carloc (carloc)
DirtEYblooog (dirtydeeds)
Di tutto... un po' (jordan20)
AK47 (lillo)
Esperienze elettroniche (marco438)
Telecomunicazioni musicali (clavicordo)
Automazione ed Elettronica (gustavo)
Direttive per la sicurezza (ErnestoCappelletti)
EYnfo dall'Alaska (mir)
Apriamo il quadro! (attilio)
H7-25 (asdf)
Passione Elettrica (massimob)
Elettroni a spasso (guidob)
Bloguerra (guerra)










