Salve a tutti. Ho un problema con questo circuito: devo calcolare la funzione di trasferimento.
Penso di tratti di una configurazione invertente e quindi y dovrebbe essere -Zy/Zu * u, ma non riesco a calcolare le due impedenze. Grazie anticipatamente.
Amplificatore Operazionale
Moderatori:
carloc,
g.schgor,
BrunoValente,
IsidoroKZ
9 messaggi
• Pagina 1 di 1
0
voti
io farei così:
ho sostituito le r e le C con le relative impedenze
quindi:
esprimendo V2 in funzione di Vi e facendo Vout/Vin dovresti averla trovata (naturalmente sostituendo z con r e 1/sC)
ho sostituito le r e le C con le relative impedenze
quindi:
esprimendo V2 in funzione di Vi e facendo Vout/Vin dovresti averla trovata (naturalmente sostituendo z con r e 1/sC)
- Allegati
-
- latex.gif (6.43 KiB) Osservato 3354 volte
2
voti
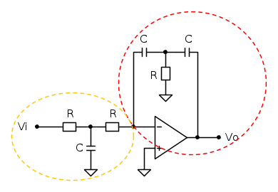
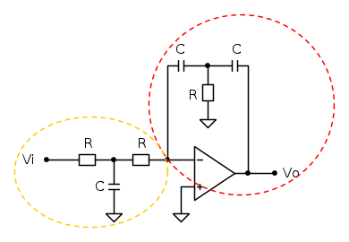
Un modo semplice per risolvere questo circuito è fare l'equivalente Thevenin delle aree cerchiate in rosso e giallo:
Il cui circuito equivalente é:
A questo punto, considerando anche che Vd=0 poiché l'operazionale è in linearità si ottiene che:

da cui

A questo punto si ha la soluzione, poiché
è una espressione che contiene la tensione di uscita mentre
è una espressione che contiene la tensione di ingresso.
Pietro
PS: gli schemi elettrici in fidocad!
Il cui circuito equivalente é:
A questo punto, considerando anche che Vd=0 poiché l'operazionale è in linearità si ottiene che:

da cui

A questo punto si ha la soluzione, poiché
è una espressione che contiene la tensione di uscita mentre
è una espressione che contiene la tensione di ingresso.
Pietro
PS: gli schemi elettrici in fidocad!
-

PietroBaima
90,7k 7 12 13 - G.Master EY

- Messaggi: 12206
- Iscritto il: 12 ago 2012, 1:20
- Località: Londra
0
voti
Grazie mille per i suggerimenti. Ho provato col metodo di franticEY ed ho ottenuto il risultato corretto. Il metodo di Pietro con Thevenin mi sembra più veloce, ma non riesco ad ottenere lo stesso risultato, probabilmente sbaglio nel calcolo delle tensioni o delle impedenze equivalenti. Nel caso Pietro abbia un attimo di tempo per farmi lo schema dei due circuiti equivalenti o un abbozzo di calcolo gliene sarei molto grato. In ogni caso grazie ancora per i vostri suggerimenti, mi sono stati molto utili.
In un libro di esercizi ho trovato la soluzione in cui riporta il valore delle impedenze equivalenti, ma non riesco a capire con che metodo le abbia calcolate (ed ovviamente il testo non lo spiega). Avete qualche idea?
In un libro di esercizi ho trovato la soluzione in cui riporta il valore delle impedenze equivalenti, ma non riesco a capire con che metodo le abbia calcolate (ed ovviamente il testo non lo spiega). Avete qualche idea?
- Allegati
-
- ao1.JPG (15.21 KiB) Osservato 3314 volte
-

juzamdjiin
0 2 - Messaggi: 4
- Iscritto il: 12 feb 2013, 5:49
4
voti
Mah, non avevo fatto i conti, ora ho rimediato
Ho trovato questi valori:




Da cui, sostituendo i dati nella formula che avevo già trovato, e cioè:

ottengo:

La formula, ad una prima analisi mi convince, perché
Questo però, ovviamente, a meno di errori di calcolo
Ho trovato questi valori:




Da cui, sostituendo i dati nella formula che avevo già trovato, e cioè:

ottengo:

La formula, ad una prima analisi mi convince, perché
- è dimensionalmente corretta;
- se s tende a 0 ho che Av tende a infinito, che corrisponde a quello che fa il circuito;
- se s tende ad infinito ho che Av tende a zero, che corrisponde a quello che fa il circuito.
Questo però, ovviamente, a meno di errori di calcolo
-

PietroBaima
90,7k 7 12 13 - G.Master EY

- Messaggi: 12206
- Iscritto il: 12 ago 2012, 1:20
- Località: Londra
0
voti
I calcoli sono uguali ai miei, ad eccezione di Z2eq, ed il tuo risultato è corretto. Quindi sbaglio nella raffigurazione del circuito equivalente. Io ho calcolato le Zeq e le Veq da questi 2 circuiti. Dove ho sbagliato? Grazie ancora per la pazienza.
- Allegati
-
- ao3.JPG (24.4 KiB) Osservato 3274 volte
-

juzamdjiin
0 2 - Messaggi: 4
- Iscritto il: 12 feb 2013, 5:49
1
voti
Ti invito a leggere le regole del forum. Le formule vanno riportate in latex e gli schemi elettrici in fidocad.
I circuiti estratti, da cui calcolare gli equivalenti sono corretti, a questo punto potresti aver fatto un errore di calcolo o di metodo nel calcolare gli equivalenti. Puoi postare le formule che le controlliamo?
I circuiti estratti, da cui calcolare gli equivalenti sono corretti, a questo punto potresti aver fatto un errore di calcolo o di metodo nel calcolare gli equivalenti. Puoi postare le formule che le controlliamo?
-

PietroBaima
90,7k 7 12 13 - G.Master EY

- Messaggi: 12206
- Iscritto il: 12 ago 2012, 1:20
- Località: Londra
0
voti
Dopo la tua conferma sulla correttezza dei circuiti ho rifatto i calcoli ancora una volta ed ho capito dove sbagliavo. Ti ringrazio molto per i tuoi consigli e mi scuso per non aver seguito il regolamento del forum, la prossima volta utilizzerò i programmi adatti. Grazie ancora. 

-

juzamdjiin
0 2 - Messaggi: 4
- Iscritto il: 12 feb 2013, 5:49
0
voti
ok. allora da adesso in poi ti bracco 
-

PietroBaima
90,7k 7 12 13 - G.Master EY

- Messaggi: 12206
- Iscritto il: 12 ago 2012, 1:20
- Località: Londra
9 messaggi
• Pagina 1 di 1
Chi c’è in linea
Visitano il forum: Nessuno e 276 ospiti

Elettrotecnica e non solo (admin)
Un gatto tra gli elettroni (IsidoroKZ)
Esperienza e simulazioni (g.schgor)
Moleskine di un idraulico (RenzoDF)
Il Blog di ElectroYou (webmaster)
Idee microcontrollate (TardoFreak)
PICcoli grandi PICMicro (Paolino)
Il blog elettrico di carloc (carloc)
DirtEYblooog (dirtydeeds)
Di tutto... un po' (jordan20)
AK47 (lillo)
Esperienze elettroniche (marco438)
Telecomunicazioni musicali (clavicordo)
Automazione ed Elettronica (gustavo)
Direttive per la sicurezza (ErnestoCappelletti)
EYnfo dall'Alaska (mir)
Apriamo il quadro! (attilio)
H7-25 (asdf)
Passione Elettrica (massimob)
Elettroni a spasso (guidob)
Bloguerra (guerra)




pigreco]=π