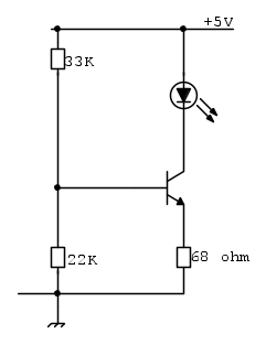
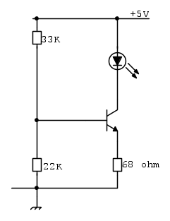
Mi servirebbe uno schema di un transistor 2N2222 che mi accenda un LED quando ho livello basso.
Questo circuito può andare bene oppure c'è qualcosa da correggere?Prima di montarlo volevo l'ok
Moderatori:
carloc,
g.schgor,
BrunoValente,
IsidoroKZ
gohan ha scritto:La R da 68 meglio sul collettore in serie al LED.
Di che LED si tratta (colore), corrente a cui vuoi alimentare il LED etc. ?
Posta i tuoi calcoli.
jyciap11 ha scritto:il led è indifferente
g.schgor ha scritto:jyciap11 ha scritto:il led è indifferente
No. La caduta di tensione è legata al colore del LED
(quindi serve a dimensionare la resistenza da mettere in serie)
Poi cosa significa "livello basso"? (dove?)
jyciap11 ha scritto:cioè transistor interdetto -> led acceso
saturo -> led spento
gohan ha scritto:jyciap11 ha scritto:cioè transistor interdetto -> led acceso
saturo -> led spento
Mah, io direi tutto il contrario !
Comincia a mettere il resistore in serie al LED sul collettore.
g.schgor ha scritto:La caduta di tensione è legata al colore del LED
.
, secondo la formula 
.Visitano il forum: Nessuno e 53 ospiti