Cos'è ElectroYou | Login Iscriviti

ElectroYou - la comunità dei professionisti del mondo elettrico

Driver striscia led

Elettronica lineare e digitale: didattica ed applicazioni

Moderatori: Foto Utentecarloc, Foto Utenteg.schgor, Foto UtenteBrunoValente, Foto UtenteIsidoroKZ

0
voti

[1] Driver striscia led

Messaggioda Foto UtenteMarcohm » 18 feb 2013, 0:06

Buona sera a tutti voi :-)
La questione del giorno è la seguente:
Nel camper ho installato una striscia led, ma le batterie vengono ogni giorno caricate dal pannello solare, quindi la tensione di alimentazione non è sempre di 12V ma sale anche a valori intorno ai 14V e in tal modo rischio di bruciare i led, come già mi è successo con vari moduli.
Volevo chiedervi se è possibile stabilizzare la tensione di alimentazione dei led con la soglia massima di 12V tramite diodo zener.
In giro ho letto dei driver led, ho anche usato la funzione cerca nel forum ma non ho trovato granché, sapreste indirizzarmi ad una guida su come utilizzare tali integrati?

Vi ringrazio, Marco.
Avatar utente
Foto UtenteMarcohm
50 2 6
Frequentatore
Frequentatore
 
Messaggi: 203
Iscritto il: 30 ago 2011, 14:27

0
voti

[2] Re: Driver striscia led

Messaggioda Foto Utenteg.schgor » 18 feb 2013, 9:41

Si, si possono proteggere i LED con uno Zener,
ma per il dimensionamento bisogna conoscere
la corrente assorbita dai LEd (a 12V) e la massima
tensione possibile (14V?)
Avatar utente
Foto Utenteg.schgor
57,8k 9 12 13
G.Master EY
G.Master EY
 
Messaggi: 16971
Iscritto il: 25 ott 2005, 9:58
Località: MILANO

1
voti

[3] Re: Driver striscia led

Messaggioda Foto UtenteIsidoroKZ » 18 feb 2013, 10:04

La striscia di led ha gia` la sua resistenza incorporata? Quanto consuma?
Per usare proficuamente un simulatore, bisogna sapere molta più elettronica di lui
Plug it in - it works better!
Il 555 sta all'elettronica come Arduino all'informatica! (entrambi loro malgrado)
Se volete risposte rispondete a tutte le mie domande
Avatar utente
Foto UtenteIsidoroKZ
121,2k 1 3 8
G.Master EY
G.Master EY
 
Messaggi: 21059
Iscritto il: 17 ott 2009, 0:00

0
voti

[4] Re: Driver striscia led

Messaggioda Foto Utentebobina » 18 feb 2013, 14:34

Secondo me questo articolo su electroyou fa al caso tuo.
Avatar utente
Foto Utentebobina
212 6
Frequentatore
Frequentatore
 
Messaggi: 177
Iscritto il: 27 dic 2009, 14:22

0
voti

[5] Re: Driver striscia led

Messaggioda Foto UtenteMarcohm » 18 feb 2013, 17:43

La tensione massima è di 14V e i led hanno delle resistenze, ma non ricordo ne il loro valore, ne il consumo (che mi pare si aggiri intorno ai 500mA).
Riguardo le ultime cose appena posso controllo e vi fornisco i dati necessari.
Avatar utente
Foto UtenteMarcohm
50 2 6
Frequentatore
Frequentatore
 
Messaggi: 203
Iscritto il: 30 ago 2011, 14:27

0
voti

[6] Re: Driver striscia led

Messaggioda Foto Utenteg.schgor » 18 feb 2013, 18:31

Credo che se l'assorbimento è 500mA, una limitazione a Zener
non sia adatta (ci vorrebbe uno Zener da oltre 25W !)
Avatar utente
Foto Utenteg.schgor
57,8k 9 12 13
G.Master EY
G.Master EY
 
Messaggi: 16971
Iscritto il: 25 ott 2005, 9:58
Località: MILANO

0
voti

[7] Re: Driver striscia led

Messaggioda Foto UtenteMarcohm » 18 feb 2013, 22:30

E' appunto per questo motivo che ho aperto la discussione, Foto Utenteg.schgor.
Come già detto, ho letto a proposito dei led driver, ma non ho idea di come vadano utilizzati e se siano adatti al mio scopo.
In caso potrei utilizzare il sistema con i due transistor che mi è stato gentilmente linkato da Foto Utentebobina?
Avatar utente
Foto UtenteMarcohm
50 2 6
Frequentatore
Frequentatore
 
Messaggi: 203
Iscritto il: 30 ago 2011, 14:27

0
voti

[8] Re: Driver striscia led

Messaggioda Foto Utenteg.schgor » 18 feb 2013, 23:03

Il circuito segnalato va bene se metti in serie LED singoli,
ma se usi una striscia, questa è già prevista per i 12V.
Sembrerebbe logico utilizzare in questo caso un
regolatore di tensione che mantenga i 12V richiesti,
ma questo andrebbe alimentato sempre con tensioni >14V
(per avere 2V di margine per la regolazione).
Avatar utente
Foto Utenteg.schgor
57,8k 9 12 13
G.Master EY
G.Master EY
 
Messaggi: 16971
Iscritto il: 25 ott 2005, 9:58
Località: MILANO

0
voti

[9] Re: Driver striscia led

Messaggioda Foto UtenteMarcohm » 18 feb 2013, 23:32

Esatto, ho anche fatto la prova con un 7812 e appena la tensione è scesa sotto i 12V, i led hanno cominciato a perdere luminosità fin quasi a spegnersi. (E mi sembra anche logico)
Avatar utente
Foto UtenteMarcohm
50 2 6
Frequentatore
Frequentatore
 
Messaggi: 203
Iscritto il: 30 ago 2011, 14:27

0
voti

[10] Re: Driver striscia led

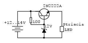
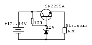
Messaggioda Foto Utenteg.schgor » 18 feb 2013, 23:36

Se non una regolazione, una protezione la puoi
ottenere con questo circuito:
Avatar utente
Foto Utenteg.schgor
57,8k 9 12 13
G.Master EY
G.Master EY
 
Messaggi: 16971
Iscritto il: 25 ott 2005, 9:58
Località: MILANO

Prossimo

Torna a Elettronica generale

Chi c’è in linea

Visitano il forum: Nessuno e 33 ospiti