ho provato a risolvere sto esercizio
provando ad ipotizzare e dimostrare lo stato dei diodi.
non riesco però a raccapezzarmi, qualcuno mi da una mano?
Operazionale e diodi
Moderatori:
carloc,
g.schgor,
BrunoValente,
IsidoroKZ
9 messaggi
• Pagina 1 di 1
0
voti
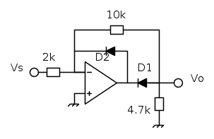
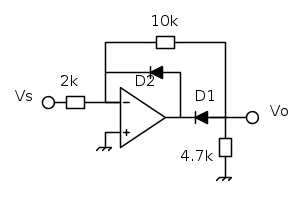
Si potrebbe iniziare ipotizzando una Vs moooolto negativa (nel senso che parte idealmente da meno infinito) e vedere cosa succede allo stato dei diodi per Vs che inizia a crescere... o no 
"Lo scienziato descrive ciò che esiste, l'ingegnere crea ciò che non era mai stato."
(T. von Kármán)
(T. von Kármán)
3
voti
guzz ha scritto:provando ad ipotizzare e dimostrare lo stato dei diodi.
SE l'operazionale e` in linearita`, V- insegue V+ ed e` a 0V. Per essere in linearita` serve almeno una retroazione in continua, e un po' incasinata ma dovrebbe esserci.
Supponiamo che la tensione Vi di ingresso sia positiva. La corrente che scorre in R1 (quella da 2kohm) vale Vi/R1 e scorre verso il morsetto invertente. Non puo` entrare nell'operazionale perche' non c'e` tensione differenziale all'ingresso e allora gira tutta per la rete di retroazione.
Non puo` andare contromano attraverso D2 e quindi passa per la resistenza da 10kohm facendo una caduta di tensione pari a Vi/R1 x R2. Questa tensione ha il positivo a sinistra, sul morsetto invertente e quindi a destra della resistenza c'e` -Vi R2/R1. La cosa importante e` che la corrente finalmente puo` passare attraverso D1 ed entrare nell'operazionale: c'e` la retroazione, il morsetto invertente e` proprio a 0V...
Adesso supponiamo Vi<0V . La corrente in R1 scorre verso destra, l'ingresso invertente e` a 0V (ipotesi da verificare) e la corrente passa tutta attraverso il diodo D2, che questa volta e` girato giusto, e arriva dall'operazionale. OK, c'e` retroazione negativa, il morsetto invertnete e` proprio a 0V.
E l'uscita? le resistenze da 10kohm e da 4.7koum sono collegate entrambe a 0V, l'uscita dell'operazionale e` a -VD (deve tenere acceso D2) e quindi D1 e` in polarizzazione inversa ed e` un circuito aperto. L'uscita e` quindi a 0V MA AD IMPEDENZA RELATIVAMENTE ELEVATA.
Per usare proficuamente un simulatore, bisogna sapere molta più elettronica di lui
Plug it in - it works better!
Il 555 sta all'elettronica come Arduino all'informatica! (entrambi loro malgrado)
Se volete risposte rispondete a tutte le mie domande
Plug it in - it works better!
Il 555 sta all'elettronica come Arduino all'informatica! (entrambi loro malgrado)
Se volete risposte rispondete a tutte le mie domande
0
voti
grazie,
IsidoroKZ
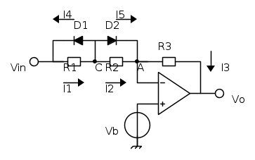
mi sono messo a fare un altro esercizio dell'ultimo appello del professore, e ho alcuni dubbi su un altro operazionale con diodi.
osservando il circuito (OA ideale) si nota facilmente che il punto A avrà tensione Vb
a sto punto ho cercato di risolvere il parallelo tra diodi e resistenze, ma vuoi l'influenza, vuoi che sono impedito, mi vengono una marea di dubbi.
ho supposto, per cominciare, che D1 sia in conduzione e D2 sia interdetto, e quindi ho scritto, sapendo che i diodi hanno tensione di soglia di 1 V




mi sono messo a fare un altro esercizio dell'ultimo appello del professore, e ho alcuni dubbi su un altro operazionale con diodi.
osservando il circuito (OA ideale) si nota facilmente che il punto A avrà tensione Vb
a sto punto ho cercato di risolvere il parallelo tra diodi e resistenze, ma vuoi l'influenza, vuoi che sono impedito, mi vengono una marea di dubbi.
ho supposto, per cominciare, che D1 sia in conduzione e D2 sia interdetto, e quindi ho scritto, sapendo che i diodi hanno tensione di soglia di 1 V




Almeno l'itagliano sallo...
0
voti
se ti può essere d'aiuto puoi provare ad utilizzare questo semplice simulatore
h**p://www.falstad.com/circuit/
per verificare la correttezza dei calcoli.
Comunque prima sono sempre consigliabili i calcoli teorici.
h**p://www.falstad.com/circuit/
per verificare la correttezza dei calcoli.
Comunque prima sono sempre consigliabili i calcoli teorici.
9 messaggi
• Pagina 1 di 1
Chi c’è in linea
Visitano il forum: Nessuno e 150 ospiti

Elettrotecnica e non solo (admin)
Un gatto tra gli elettroni (IsidoroKZ)
Esperienza e simulazioni (g.schgor)
Moleskine di un idraulico (RenzoDF)
Il Blog di ElectroYou (webmaster)
Idee microcontrollate (TardoFreak)
PICcoli grandi PICMicro (Paolino)
Il blog elettrico di carloc (carloc)
DirtEYblooog (dirtydeeds)
Di tutto... un po' (jordan20)
AK47 (lillo)
Esperienze elettroniche (marco438)
Telecomunicazioni musicali (clavicordo)
Automazione ed Elettronica (gustavo)
Direttive per la sicurezza (ErnestoCappelletti)
EYnfo dall'Alaska (mir)
Apriamo il quadro! (attilio)
H7-25 (asdf)
Passione Elettrica (massimob)
Elettroni a spasso (guidob)
Bloguerra (guerra)









