ho ftt questo esercizio ho qualche dubbio su alcuni quesiti
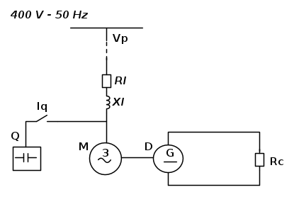
una dinamo a eccitazione derivata alimenta un carico costituito da un resistore Rc del valore 2 ohm alla tensione Vc=200v cn rendimento ren=0,851.la dinamo è azionata da un motore asincrono trifase a corrente alternata al cui asse è accopppiata rigidamente.tale motore funziona alla velocità di 3000g/min cn rendimento n=0,773 e cosf=0,8
ed è alimentato alla tensione di 220 V ,f=50Hz da una linea aerea trifase avente resistenza Rl=0,1ohm e Ll=0,318mH
calcolare la calorie w sviluppate ogni ora dal resistore,lA coppia trasmessa dal motore alla dinamo,la corrente del motore,la tensione Vp alla partenza della linea,la potenza reattiva di una batteria di condensatori trifasi messi in parallelo al motore cn cosf 0,9
inoltre supponendo una variazione da vuoto a sottocarico uguale a 6%di Vc e che l'avvolg della dinamo è costituito da N=670 conduttori determinare il flusso nel funzionamento al vuoto
ecco i punti che ho fatto:
trovo la corrente del carico resistore Ic=Vc/rc=200/2=100A
cosi trovo W le calorie W=R*i^2*t=2ohm*100*100*1ora=20Kw
ricordando ke 1 kW=860cal ottengo 20*860=17200kcal
la corrente del motore ho ftt in questo modo
potenza resa della dinamo=r*i^2
poi la divido per il rendimento e ottengo la pot assorbita che uguale alla pot resa del motore Pad=Prd/n
la divido ancora per il rendimento del motore e ottengo la Pass e cosi trovo la corrente
la vp la tensione di partenza so cm calcolarla però l'induttanza è espressa in milli henry ,sl questo e poi applico questo formula qua Av=Vp-Va
la potenza reattiva lo ftt cn Qc=Passdel motore(tgf-tgf'''')
l'ultimo quesito ho un dubbioio o ftt in questo modo
Eo=K*n*flusso
k=N/60=670/60=11.666
visto che AE=6%di Vc trovo Eo=AEnn mi ricordo se piu o meno E
e trovo il flusso flusso=Eo/K*ngiri
sl la coppia trasmessa che nn so come farla
esercizio sulla dinamo
Moderatori:
SandroCalligaro,
mario_maggi,
fpalone
5 messaggi
• Pagina 1 di 1
0
voti
OT.
si consiglia l'utilizzo di fidocadj per postare degli schemi molto utili e a volte indispensabili , tipo questo:
e di utilizzare l'editor di Latex per postare le formule e o i dati, si rende leggibile il testo ...esempio:
dinamo :



motore:



tens.alim.conc.
linea elettrica di alim motore:


per lo svolgimento rimando agli esperti ..
si consiglia l'utilizzo di fidocadj per postare degli schemi molto utili e a volte indispensabili , tipo questo:
e di utilizzare l'editor di Latex per postare le formule e o i dati, si rende leggibile il testo ...esempio:
dinamo :



motore:



tens.alim.conc.

linea elettrica di alim motore:


per lo svolgimento rimando agli esperti ..
0
voti
la coppia trasmessa che non so come farla
La tua dinamo ha potenza nominale di
20 kW
3000 giri/min
Calcoliamo una perdita circa 8% della Pn
La potenza a vuoto a velocità nominale sarà:
![\[
P0=\frac{8}{100}Pn=\frac{8*20}{100}=1,6 kW\] \[
P0=\frac{8}{100}Pn=\frac{8*20}{100}=1,6 kW\]](/forum/latexrender/pictures/82a43e3dc1505091d3b615ce554f4135.png)
La coppia a vuoto (C0) a velocità nominale si ottiene:

-

StefanoSunda
2.885 3 6 10 - Master

- Messaggi: 1965
- Iscritto il: 16 set 2010, 19:29
5 messaggi
• Pagina 1 di 1
Chi c’è in linea
Visitano il forum: Nessuno e 26 ospiti

Elettrotecnica e non solo (admin)
Un gatto tra gli elettroni (IsidoroKZ)
Esperienza e simulazioni (g.schgor)
Moleskine di un idraulico (RenzoDF)
Il Blog di ElectroYou (webmaster)
Idee microcontrollate (TardoFreak)
PICcoli grandi PICMicro (Paolino)
Il blog elettrico di carloc (carloc)
DirtEYblooog (dirtydeeds)
Di tutto... un po' (jordan20)
AK47 (lillo)
Esperienze elettroniche (marco438)
Telecomunicazioni musicali (clavicordo)
Automazione ed Elettronica (gustavo)
Direttive per la sicurezza (ErnestoCappelletti)
EYnfo dall'Alaska (mir)
Apriamo il quadro! (attilio)
H7-25 (asdf)
Passione Elettrica (massimob)
Elettroni a spasso (guidob)
Bloguerra (guerra)


