Cos'è ElectroYou | Login Iscriviti

ElectroYou - la comunità dei professionisti del mondo elettrico

circuito resistivo regime stazionario

Circuiti, campi elettromagnetici e teoria delle linee di trasmissione e distribuzione dell’energia elettrica

Moderatori: Foto Utenteg.schgor, Foto UtenteIsidoroKZ

1
voti

[1] circuito resistivo regime stazionario

Messaggioda Foto Utentemamflo » 23 feb 2013, 19:39

Salve ragazzi, a distanza di giorni sono ancora bloccato con la risoluzione di questo tipo di esercizi, tra la confusione degli esami appena dati e la mia poca pazienza, non riesco ancora a risolvere questi esercizi per poi passare a quelli in regime sinusoidale. Oltretutto non posso usare la sovrapposizione degli effetti e le correnti di maglia.

In questo esercizio dovrei trovare le tensioni ai capi di tutte le resistenze. I miei dubbi sorgono perché non riesco a capire se quello che faccio è giusto, ad esempio ai fini di calcolare la tensione ai capi delle resistenze R1 e R2 mi basterebbe avere la tensione VAB che ottengo con:

Vab=V1*R2/R1+R2

quindi con I1=Vab/R1 e I2=Vab/R2 e quindi con v1=R1*I1 e v2=R2*I2

poi mi blocco perché non riesco a capire come calcolare la v3 e la v4 e via discorrendo, cioè mi servirebbe calcolare la Vac? e di conseguenza la Vcb? non è che non conosco la teoria, ma c'è qualcosa che mi sfugge e non capisco cosa.
Avatar utente
Foto Utentemamflo
10 2
 
Messaggi: 16
Iscritto il: 14 feb 2013, 17:36

0
voti

[2] Re: circuito resistivo regime stazionario

Messaggioda Foto Utenteg.schgor » 23 feb 2013, 21:42

mamflo ha scritto:non posso usare la sovrapposizione degli effetti e le correnti di maglia.

Quale metodo dovresti usare?.
Attenzione che non puoi scrivere uguaglianze parziali (senza cioè
tener conto dell'influenza del resto del circuito), come hai fatto
per la tensione Vab (che oltretutto è sbagliata com'è scritta...)
Avatar utente
Foto Utenteg.schgor
57,8k 9 12 13
G.Master EY
G.Master EY
 
Messaggi: 16971
Iscritto il: 25 ott 2005, 9:58
Località: MILANO

0
voti

[3] Re: circuito resistivo regime stazionario

Messaggioda Foto Utentemamflo » 23 feb 2013, 22:15

Già che so di aver sbagliato mi sento meglio, comunque i metodi che usa il professore sono Thevenin e Milmann per la stragrande maggioranza degli esercizi. Mi scusi per la brevità del messaggio ma sono a lavoro momentaneamente. Quindi per calcolare la Vab potrei usare Thevenin calcolando la Veq con Milmann e la Req cortocircuitando i generatori?
Avatar utente
Foto Utentemamflo
10 2
 
Messaggi: 16
Iscritto il: 14 feb 2013, 17:36

-1
voti

[4] Re: circuito resistivo regime stazionario

Messaggioda Foto Utenteluka » 23 feb 2013, 22:33

se scrivi l'equazione al nodo A per le correnti ricavi I_3 poi da li ricavare la V_3 è un attimo
Avatar utente
Foto Utenteluka
177 7
Frequentatore
Frequentatore
 
Messaggi: 156
Iscritto il: 8 gen 2013, 22:38

0
voti

[5] Re: circuito resistivo regime stazionario

Messaggioda Foto Utentemamflo » 24 feb 2013, 10:09

ma se quello che ho scritto è sbagliato e no conosco ne I1 e ne I2 come faccio a calcolare I3? io so per Milmann che la tensione ai capi del bipolo della rete è data dal rapporto tra la somma algebrica delle correnti di corto circuito dei singoli rami e la somma delle conduttanze sempre di ogni ramo.



in questo caso come calcolo con Milmann Vab?
Avatar utente
Foto Utentemamflo
10 2
 
Messaggi: 16
Iscritto il: 14 feb 2013, 17:36

2
voti

[6] Re: circuito resistivo regime stazionario

Messaggioda Foto UtenteRenzoDF » 24 feb 2013, 10:11

mamflo ha scritto:... i metodi che usa il professore sono Thevenin e Milmann per la stragrande maggioranza degli esercizi.

Io avevo già dato una risposta in questo senso, ovvero usando Thevenin e Millman, nel tuo precedente thread

viewtopic.php?t=42709&p=383921#p383921

con un circuito del tutto simile a questo (thread che dovrebbe essere completato) ... ma sono ancora qui che attendo una replica al metodo lì proposto.

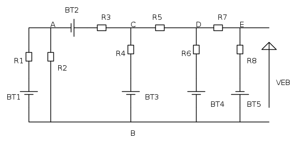
Ad ogni modo anche, in questo caso:

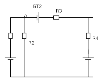
a) semplificherei con Thevenin i due rami a sinistra, ovvero BT1, R1 e R2

b) aprirei in R5 per applicare ancora Thevenin e ricavare la corrente nella stessa

c) sostituirei R5 con un generatore di corrente e andrei ad usare Millman sia a sinistra sia a destra

d) andrei a calcolare le varie correnti nei diversi rami via Ohm generalizzato.

E' chiaro però che, fatto un bilancio della quantità di calcoli, forse dopo aver semplificato come detto in a) ,converrebbe applicare il metodo dei potenziali nodali, che comporta la soluzione di un sistema a due sole equazioni in due incognite, i potenziali VC e VD.

BTW per semplificare la scrittura delle relazioni e per uniformarti agli usi e costumi dell'elettrotecnica, ti consiglierei di usare delle Ei al posto delle BTi. ;-)
"Il circuito ha sempre ragione" (Luigi Malesani)
Avatar utente
Foto UtenteRenzoDF
55,9k 8 12 13
G.Master EY
G.Master EY
 
Messaggi: 13189
Iscritto il: 4 ott 2008, 9:55

1
voti

[7] Re: circuito resistivo regime stazionario

Messaggioda Foto Utentemamflo » 24 feb 2013, 11:49

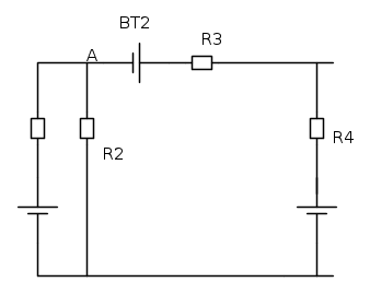
a) semplificherei con Thevenin i due rami a sinistra, ovvero BT1, R1 e R2


Veq=E1*\frac{R2}{R1+R2}

Req=R1//R2

b) aprirei in R5 per applicare ancora Thevenin e ricavare la corrente nella stessa




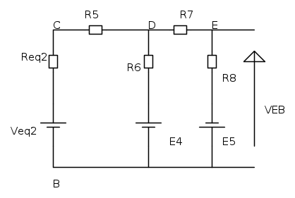
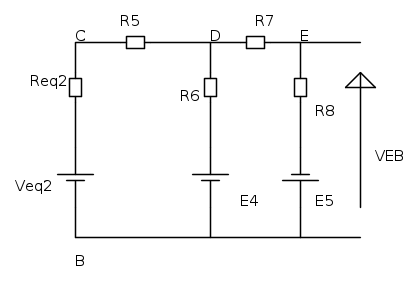
Req2=Req+R3+R4

Veq2=\frac{Eeq}{Req}+\frac{E2}{R3}-\frac{E3}{R4}



quindi I5=\frac{Veq2}{R5}

fin qui è giusto?

scusa se sono insistente è che ho bisogno di conferme. #-o :oops:
Avatar utente
Foto Utentemamflo
10 2
 
Messaggi: 16
Iscritto il: 14 feb 2013, 17:36

1
voti

[8] Re: circuito resistivo regime stazionario

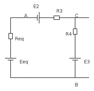
Messaggioda Foto UtenteRenzoDF » 24 feb 2013, 13:25

Ok per la semplificazione a sinistra, ma per quanto riguarda il secondo Thevenin intendevo interrompere il ramo con R5 e cercare in circuito equivalente fra A e B al fine di ricavare la corrente in R5 pari alla Icc del circuito equivalente;


ricavato questo valore sia la semi-rete sinistra sia la semi-rete destra possono essere studiate più semplicemente attravarso Millman

"Il circuito ha sempre ragione" (Luigi Malesani)
Avatar utente
Foto UtenteRenzoDF
55,9k 8 12 13
G.Master EY
G.Master EY
 
Messaggi: 13189
Iscritto il: 4 ott 2008, 9:55

0
voti

[9] Re: circuito resistivo regime stazionario

Messaggioda Foto Utentemamflo » 24 feb 2013, 17:10

ok, quindi con la R5, la Veq2 rimane uguale?

la Req2=Req1+R3+R4//R5...?
Avatar utente
Foto Utentemamflo
10 2
 
Messaggi: 16
Iscritto il: 14 feb 2013, 17:36

0
voti

[10] Re: circuito resistivo regime stazionario

Messaggioda Foto UtenteRenzoDF » 24 feb 2013, 18:49

mamflo ha scritto:... quindi con la R5, la Veq2 rimane uguale?

A chi?

... cosa c'entra poi la R5 se ho "tagliato" il ramo?

mamflo ha scritto:... la Req2=Req1+R3+R4//R5...?

Direi proprio di no se per Req2 intendi, come suppongo, la resistenza "vista" dai morsetti A e B una volta "spenti" i generatori.
"Il circuito ha sempre ragione" (Luigi Malesani)
Avatar utente
Foto UtenteRenzoDF
55,9k 8 12 13
G.Master EY
G.Master EY
 
Messaggi: 13189
Iscritto il: 4 ott 2008, 9:55

Prossimo

Torna a Elettrotecnica generale

Chi c’è in linea

Visitano il forum: Nessuno e 24 ospiti