schema elettrico bagno per disabili
Moderatori:
sebago,
MASSIMO-G,
lillo,
Mike
9 messaggi
• Pagina 1 di 1
0
voti
salve a tutti sono nuovo del sito,dovrei installare un impianto per bagno disabili costituito da un pulsante a turante che aziona una lampada spia e il ronzatore,e da un pulsante di arresto che stacchi ronzatore e spia,vorrei sapere cosa usare per collegare i componenti...un contattore...un rele??cosa mi consigliate?e se possibile spiegarlo con schema elettrico graxie 
-

alessandro1892
0 2 - Messaggi: 3
- Iscritto il: 25 feb 2013, 21:21
0
voti
Forse, se tu inserissi uno schema con fidocadj, potremmo aiutarti meglio e potremmo capire meglio cosa vuoi realizzare 

⋮ƎlectroYou e ne sai di più!
2
voti
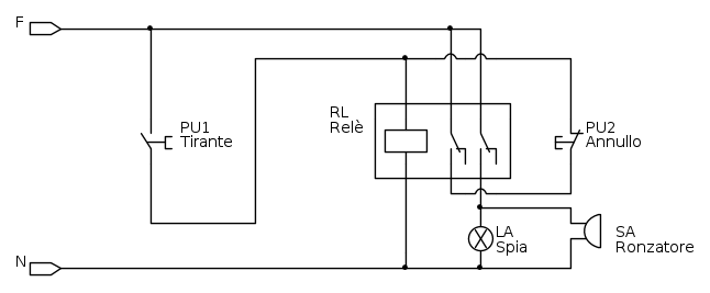
Se ho capito la richiesta, questa è una soluzione che puoi adottare utilizzando un semplice relè.
Altrimenti li trovi già costruiti, sono commercializzati dai maggiori marchi di prodotti per installazioni civili.
Altrimenti li trovi già costruiti, sono commercializzati dai maggiori marchi di prodotti per installazioni civili.

0
voti
MCSA Windows Server 2012 R2
Cisco CCNA R&S - Cisco CCNA Security - Cisco CCNA Cyber Ops
CompTia A+ - CompTia Linux+ - CompTIA Systems Support Specialist CSSS
CompTia Pentest+ LPIC-1 - VCP VMware - Cisco CCNP Enterprise
Cisco CCNA R&S - Cisco CCNA Security - Cisco CCNA Cyber Ops
CompTia A+ - CompTia Linux+ - CompTIA Systems Support Specialist CSSS
CompTia Pentest+ LPIC-1 - VCP VMware - Cisco CCNP Enterprise
0
voti
Esatto and87tn ero quello che intendevo
sei stato di molto aiuto,grazie
e grazie anche agli altri 
-

alessandro1892
0 2 - Messaggi: 3
- Iscritto il: 25 feb 2013, 21:21
0
voti
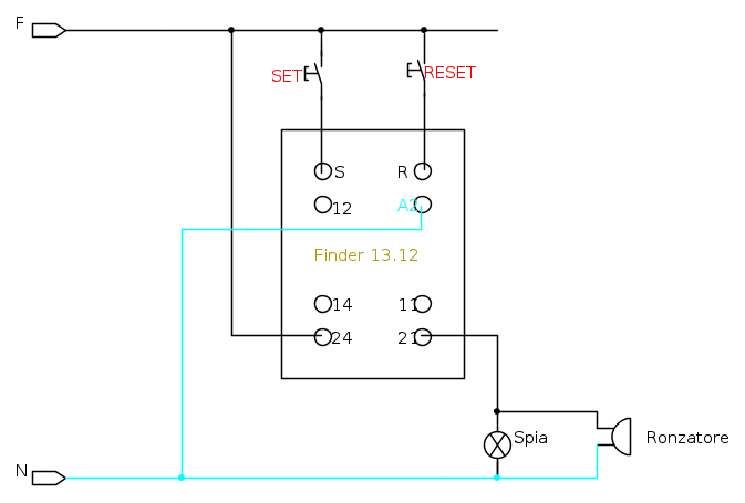
Il finder 13.12 è un bistanile con 1 CO ed 1 NO che potrebbe risolvere la tua richiesta
MCSA Windows Server 2012 R2
Cisco CCNA R&S - Cisco CCNA Security - Cisco CCNA Cyber Ops
CompTia A+ - CompTia Linux+ - CompTIA Systems Support Specialist CSSS
CompTia Pentest+ LPIC-1 - VCP VMware - Cisco CCNP Enterprise
Cisco CCNA R&S - Cisco CCNA Security - Cisco CCNA Cyber Ops
CompTia A+ - CompTia Linux+ - CompTIA Systems Support Specialist CSSS
CompTia Pentest+ LPIC-1 - VCP VMware - Cisco CCNP Enterprise
0
voti
MCSA Windows Server 2012 R2
Cisco CCNA R&S - Cisco CCNA Security - Cisco CCNA Cyber Ops
CompTia A+ - CompTia Linux+ - CompTIA Systems Support Specialist CSSS
CompTia Pentest+ LPIC-1 - VCP VMware - Cisco CCNP Enterprise
Cisco CCNA R&S - Cisco CCNA Security - Cisco CCNA Cyber Ops
CompTia A+ - CompTia Linux+ - CompTIA Systems Support Specialist CSSS
CompTia Pentest+ LPIC-1 - VCP VMware - Cisco CCNP Enterprise
0
voti
perfetto
ora ho le idee molto chiare giazie mille 

-

alessandro1892
0 2 - Messaggi: 3
- Iscritto il: 25 feb 2013, 21:21
9 messaggi
• Pagina 1 di 1
Torna a Impianti, sicurezza e quadristica
Chi c’è in linea
Visitano il forum: Nessuno e 55 ospiti

Elettrotecnica e non solo (admin)
Un gatto tra gli elettroni (IsidoroKZ)
Esperienza e simulazioni (g.schgor)
Moleskine di un idraulico (RenzoDF)
Il Blog di ElectroYou (webmaster)
Idee microcontrollate (TardoFreak)
PICcoli grandi PICMicro (Paolino)
Il blog elettrico di carloc (carloc)
DirtEYblooog (dirtydeeds)
Di tutto... un po' (jordan20)
AK47 (lillo)
Esperienze elettroniche (marco438)
Telecomunicazioni musicali (clavicordo)
Automazione ed Elettronica (gustavo)
Direttive per la sicurezza (ErnestoCappelletti)
EYnfo dall'Alaska (mir)
Apriamo il quadro! (attilio)
H7-25 (asdf)
Passione Elettrica (massimob)
Elettroni a spasso (guidob)
Bloguerra (guerra)




