Buona Sera :)
Ho comprato un display a sette segmenti quadruplo e per pilotarlo ho deciso di usare un display driver, in questo caso il SN7446AN.
Ho dato una lettura al datasheet, ho collegato i segmenti, ma non ho idea su come collegare 3 piedini dell'integrato: LT, RBI, BI/RB0.
All'inizio li avevo collegati tutti e tre al positivo, ma il display indicava "8" di continuo senza subire variazioni nel caso in cui avessi modificato l'input.
Grazie.
Display Driver
Moderatori:
carloc,
g.schgor,
BrunoValente,
IsidoroKZ
26 messaggi
• Pagina 1 di 3 • 1, 2, 3
0
voti
Se vuoi usare un display quadruplo quell'integrato non fa per te, o almeno non è sufficiente.
I display quadrupli (quindi il tuo dovrebbe avere 12 pin) sono fatti per essere pilotati in multiplexing.
Con un 7446 riesci a pilotare UN display singolo, quindi se ti servono 4 cifre devi usare 4 display singoli, 4 7446 e una marea di cavi!
I display quadrupli (quindi il tuo dovrebbe avere 12 pin) sono fatti per essere pilotati in multiplexing.
Con un 7446 riesci a pilotare UN display singolo, quindi se ti servono 4 cifre devi usare 4 display singoli, 4 7446 e una marea di cavi!
-

DADO91
3.552 3 12 13 - Expert EY

- Messaggi: 965
- Iscritto il: 27 feb 2009, 18:19
- Località: Prov. di Firenze
0
voti
In pratica i segmenti dei display sono connessi internamente a coppie di due, quindi in realtà ho 14 pin addetti per i 7 segmenti delle due coppie, pertanto le ho collegate tra loro ed ottengo 7 pin che collego al driver, poi con 4 transistor 2n2222 scelgo quale display accendere :)
Già ho provato e funziona, fidati, ma il problema resta sempre quello di collegare sti 3 pin
Già ho provato e funziona, fidati, ma il problema resta sempre quello di collegare sti 3 pin
0
voti
In teoria quei pin li dovresti tenere a livello alto, solo che sono perplesso dal display che stai usando...
Sei sicuro di avere 14 pin ? Sei sicuro di aver compreso come è collegato internamente quel display?
Fai un bello schemino con FidocadJ di tutto il circuito e vediamo dove sta il problema.
Sei sicuro di avere 14 pin ? Sei sicuro di aver compreso come è collegato internamente quel display?
Fai un bello schemino con FidocadJ di tutto il circuito e vediamo dove sta il problema.
-

DADO91
3.552 3 12 13 - Expert EY

- Messaggi: 965
- Iscritto il: 27 feb 2009, 18:19
- Località: Prov. di Firenze
0
voti
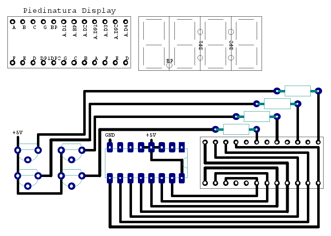
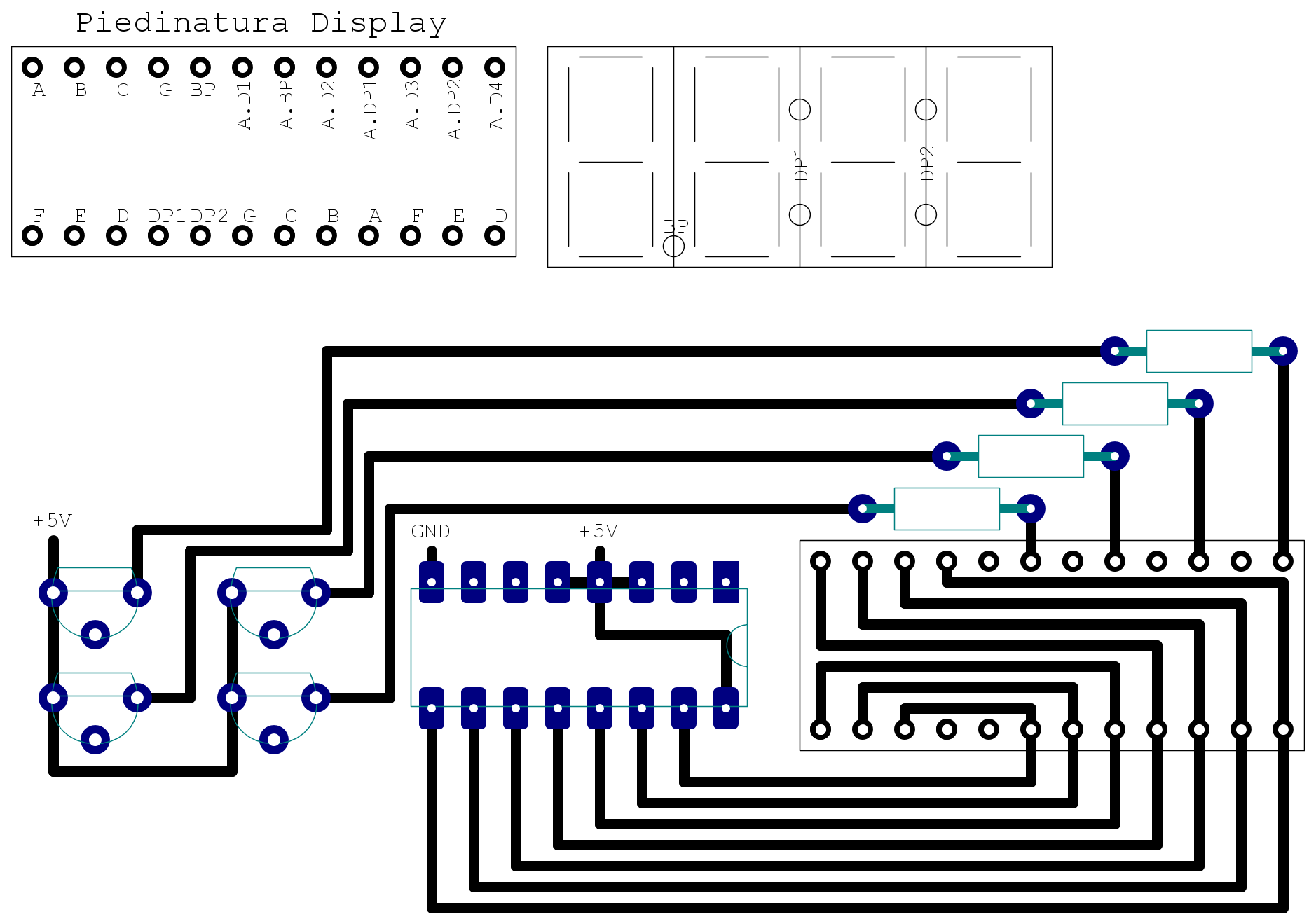
Per quanto riguarda il display, è un LTC2637E e il datasheet è errato perché non è del display, ma sembra essere di un microcontrollore (vedete se riuscite a rimediarlo, tanto meglio).
Nello schema ho riportato la piedinatura ed i piedini "A.Qualcosa" sono gli anodi dei 4 display, del punto singolo e dei due : che ci sono.
Vi allego anche un'immagine per rendere meglio l'idea di come sia strutturato visivamente il display.

Infine lo schema. Tenete conto del fatto che i collegamenti dei segmenti sono fatti a caso, cioè li ho collegati tra loro come è giusto che sia, ma senza collegare ad esempio la A con la A, la B con la B, ecc.. perché altrimenti si imbroglia tutto il circuito, infatti io li ho collegati con piccoli fili perché fare uno stampato mi è risultato quasi impossibile.
Nello schema ho riportato la piedinatura ed i piedini "A.Qualcosa" sono gli anodi dei 4 display, del punto singolo e dei due : che ci sono.
Vi allego anche un'immagine per rendere meglio l'idea di come sia strutturato visivamente il display.
Infine lo schema. Tenete conto del fatto che i collegamenti dei segmenti sono fatti a caso, cioè li ho collegati tra loro come è giusto che sia, ma senza collegare ad esempio la A con la A, la B con la B, ecc.. perché altrimenti si imbroglia tutto il circuito, infatti io li ho collegati con piccoli fili perché fare uno stampato mi è risultato quasi impossibile.
1
voti
Intanto sbagli la posizione della resistenza, dato che va messa dal lato dei segmenti e non dal lato degli anodi comuni, in quel modo metti due o più diodi in parallelo e rischi di bruciare qualcosa.
Inoltre non devi accendere più di un transistor alla volta, altrimenti risiamo al solito problema.
Poi proverei a non lasciare flottanti gli ingressi dei 4 bit del numero da visualizzare, prova a metterli tutti a massa.
I tre pin: LT (lamp test), BI, RBI dovrebbero andar bene posti a Vcc.
Non avendo il datasheet del display sei sicuro di quella piedinatura e che sia un CA e non un CC?
Inoltre non devi accendere più di un transistor alla volta, altrimenti risiamo al solito problema.
Poi proverei a non lasciare flottanti gli ingressi dei 4 bit del numero da visualizzare, prova a metterli tutti a massa.
I tre pin: LT (lamp test), BI, RBI dovrebbero andar bene posti a Vcc.
Non avendo il datasheet del display sei sicuro di quella piedinatura e che sia un CA e non un CC?
-

DADO91
3.552 3 12 13 - Expert EY

- Messaggi: 965
- Iscritto il: 27 feb 2009, 18:19
- Località: Prov. di Firenze
0
voti
[10] Re: Display Driver
Grazie per la risposta, adesso provo a verificare :)
Per quanto riguarda la questione Catodo Comune o Anodo Comune, ho provato a connettere i pin dei segmenti al contrario e, come è ovvio che sia, non accendono.
Li ho provati nella breadboard uno ad uno e il display è ad Anodo Comune.
Per quanto riguarda la questione Catodo Comune o Anodo Comune, ho provato a connettere i pin dei segmenti al contrario e, come è ovvio che sia, non accendono.
Li ho provati nella breadboard uno ad uno e il display è ad Anodo Comune.
26 messaggi
• Pagina 1 di 3 • 1, 2, 3
Chi c’è in linea
Visitano il forum: Nessuno e 164 ospiti

Elettrotecnica e non solo (admin)
Un gatto tra gli elettroni (IsidoroKZ)
Esperienza e simulazioni (g.schgor)
Moleskine di un idraulico (RenzoDF)
Il Blog di ElectroYou (webmaster)
Idee microcontrollate (TardoFreak)
PICcoli grandi PICMicro (Paolino)
Il blog elettrico di carloc (carloc)
DirtEYblooog (dirtydeeds)
Di tutto... un po' (jordan20)
AK47 (lillo)
Esperienze elettroniche (marco438)
Telecomunicazioni musicali (clavicordo)
Automazione ed Elettronica (gustavo)
Direttive per la sicurezza (ErnestoCappelletti)
EYnfo dall'Alaska (mir)
Apriamo il quadro! (attilio)
H7-25 (asdf)
Passione Elettrica (massimob)
Elettroni a spasso (guidob)
Bloguerra (guerra)



