Cos'è ElectroYou | Login Iscriviti

ElectroYou - la comunità dei professionisti del mondo elettrico

Aiuto per interpretare schema circuito

Elettronica lineare e digitale: didattica ed applicazioni

Moderatori: Foto Utentecarloc, Foto Utenteg.schgor, Foto UtenteBrunoValente, Foto UtenteIsidoroKZ

0
voti

[21] Re: Aiuto per interpretare schema circuito

Messaggioda Foto UtenteDirtyDeeds » 2 mar 2013, 17:34

akille68 ha scritto: Userò @ nomeutente per indirizzare una risposta.


Quando rispondi a un messaggio, se guardi in cima alla finestra dell'editor, ci sono dei tasti, tra cui il tasto "user", che serve proprio per nominare un particolare utente. Per esempio:

Codice: Seleziona tutto
[user]akille68[/user]


genera Foto Utenteakille68 ;-)
It's a sin to write sin instead of \sin (Anonimo).
...'cos you know that cos ain't \cos, right?
You won't get a sexy tan if you write tan in lieu of \tan.
Take a log for a fireplace, but don't take log for \logarithm.
Avatar utente
Foto UtenteDirtyDeeds
55,9k 7 11 13
G.Master EY
G.Master EY
 
Messaggi: 7012
Iscritto il: 13 apr 2010, 16:13
Località: Somewhere in nowhere

0
voti

[22] Re: Aiuto per interpretare schema circuito

Messaggioda Foto Utenteakille68 » 2 mar 2013, 23:57

Avatar utente
Foto Utenteakille68
0 2
 
Messaggi: 17
Iscritto il: 28 feb 2013, 16:57

0
voti

[23] Re: Aiuto per interpretare schema circuito

Messaggioda Foto Utenteakille68 » 9 mar 2013, 2:17

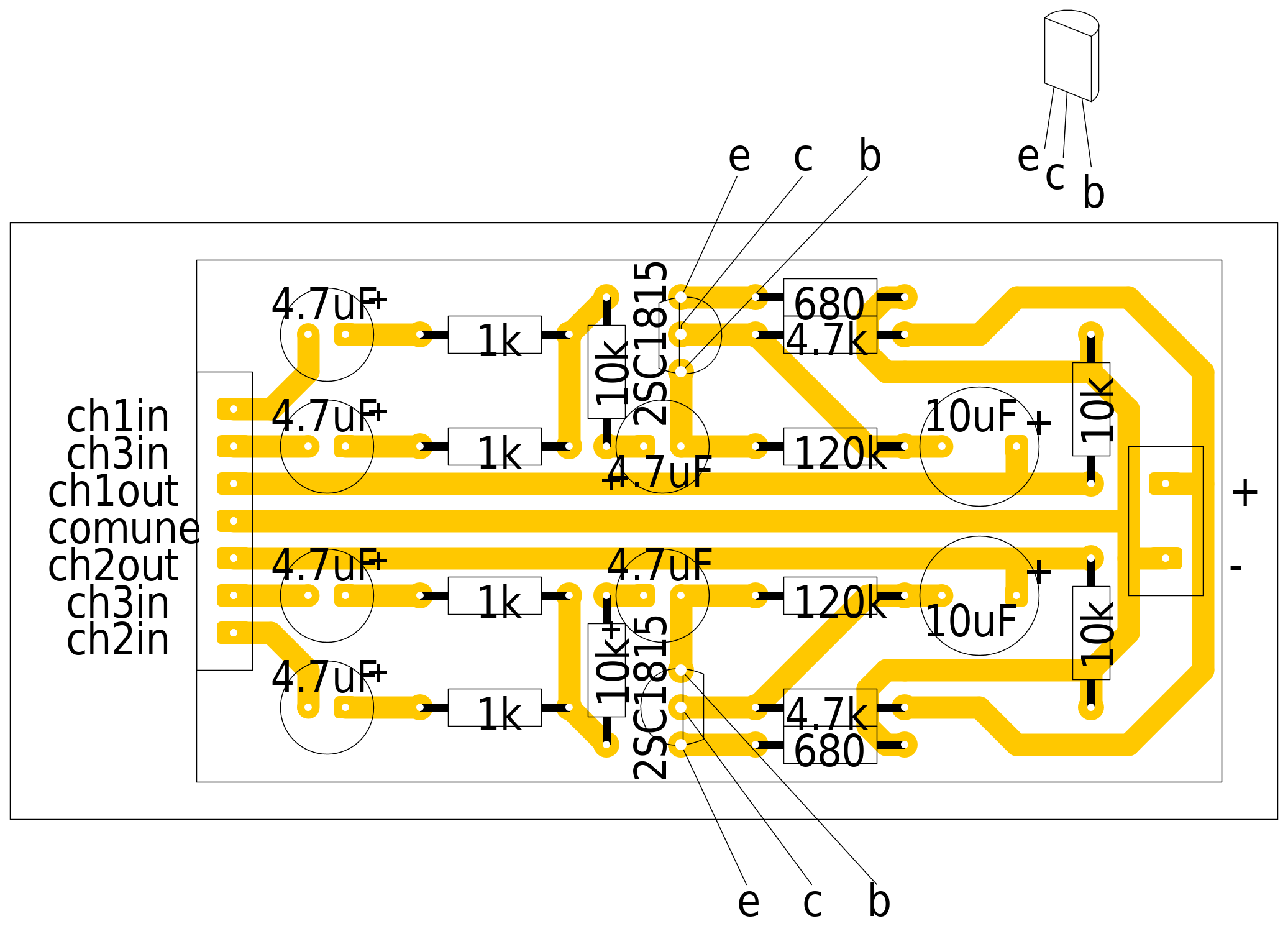
Ho creato le basette, ma secondo me i transistor devono essere orientati diversamente. Quello in alto con lato piatto che guarda a dx e quello in basso con lato piatto che guarda a sx. Questo considerato che il transistor 2SC1815 ha questa piedinatura:
B 3
C 2 D
E 1
Avatar utente
Foto Utenteakille68
0 2
 
Messaggi: 17
Iscritto il: 28 feb 2013, 16:57

0
voti

[24] Re: Aiuto per interpretare schema circuito

Messaggioda Foto Utenteclaudiocedrone » 9 mar 2013, 2:24

Assicurati di non commettere errori di "specchiatura"; ricorda che Foto UtenteBrunoValente ha specificato che il suo disegno è visto dal lato componenti ;-) O_/ P.s. Per convenzione, quando si disegna "in pianta" un componente per numerarne e indicarne la piedinatura (a parte fare i disegni con fidocad... ) i circuiti integrati si mettono visti dall'alto ma i componenti discreti (es. i transistor) si mettono visti da sotto, ovvero dal lato dei piedini.
"Non farei mai parte di un club che accettasse la mia iscrizione" (G. Marx)
Avatar utente
Foto Utenteclaudiocedrone
21,3k 4 7 9
Master EY
Master EY
 
Messaggi: 15302
Iscritto il: 18 gen 2012, 13:36

0
voti

[25] Re: Aiuto per interpretare schema circuito

Messaggioda Foto Utenteakille68 » 9 mar 2013, 2:50

Foto Utenteclaudiocedrone

Premetto che non sono un tecnico ed il mio linguaggio non sarà appropriato, ma guardando il diagramma, al collettore entra la fase previa resistenza 4,7 K, la base è connessa al circuito centrale dove vi sono i vari condensatori e la resistenza a 12k e l'emitttore esce sulla resistenza a 6,8k a massa. Comunque lo giri (lato circuito o componenti) l'orientamento non mi torna. Peraltro la basetta è simmetrica, quindi non vi è bisogno di specchiatura. Questo è il data sheet del transistor in questione
http://www.datasheetcatalog.org/datashe ... ba/964.pdf
Avatar utente
Foto Utenteakille68
0 2
 
Messaggi: 17
Iscritto il: 28 feb 2013, 16:57

0
voti

[26] Re: Aiuto per interpretare schema circuito

Messaggioda Foto Utenteakille68 » 9 mar 2013, 2:55

Fermi tutti, ho capito. Hai ragione. Se lo inserisco sull'altra faccia si invertono anche i piedini... :ok:
Volendo io montare i componenti tutti nella stessa faccia (rectius lato) dovrò invertire l'orientamento.
Avatar utente
Foto Utenteakille68
0 2
 
Messaggi: 17
Iscritto il: 28 feb 2013, 16:57

0
voti

[27] Re: Aiuto per interpretare schema circuito

Messaggioda Foto Utenteclaudiocedrone » 9 mar 2013, 3:03

akille68 ha scritto: ...Hai ragione...


Sai che novità... io ho sempre ragione -:- :mrgreen: Comunque i resistori in questione sono da 120 k 4.7 k e 680 ohm e quello che chiami "fase" è il positivo di alimentazione. O_/
"Non farei mai parte di un club che accettasse la mia iscrizione" (G. Marx)
Avatar utente
Foto Utenteclaudiocedrone
21,3k 4 7 9
Master EY
Master EY
 
Messaggi: 15302
Iscritto il: 18 gen 2012, 13:36

0
voti

[28] Re: Aiuto per interpretare schema circuito

Messaggioda Foto UtenteBrunoValente » 9 mar 2013, 15:02

Avatar utente
Foto UtenteBrunoValente
39,6k 7 11 13
G.Master EY
G.Master EY
 
Messaggi: 7796
Iscritto il: 8 mag 2007, 14:48

0
voti

[29] Re: Aiuto per interpretare schema circuito

Messaggioda Foto Utenteclaudiocedrone » 9 mar 2013, 18:28

Ehm, sempre a scanso di equivoci ribadisco che sullo schema elettrico i resistori tra +V e collettori dei transistor sono da 4.7 k (a meno che i puntini non siano stati messi da qualche mosca dispettosa... :mrgreen: ) O_/
"Non farei mai parte di un club che accettasse la mia iscrizione" (G. Marx)
Avatar utente
Foto Utenteclaudiocedrone
21,3k 4 7 9
Master EY
Master EY
 
Messaggi: 15302
Iscritto il: 18 gen 2012, 13:36

0
voti

[30] Re: Aiuto per interpretare schema circuito

Messaggioda Foto UtenteBrunoValente » 9 mar 2013, 18:43

claudiocedrone ha scritto:Ehm, sempre a scanso di equivoci ribadisco che sullo schema elettrico i resistori tra +V e collettori dei transistor sono da 4.7 k (a meno che i puntini non siano stati messi da qualche mosca dispettosa... :mrgreen: ) O_/

Grazie Foto Utenteclaudiocedrone :-)...No, no, qualche mosca dispettosa se li era portati via...ora li ha rimessi al loro posto. O_/
Avatar utente
Foto UtenteBrunoValente
39,6k 7 11 13
G.Master EY
G.Master EY
 
Messaggi: 7796
Iscritto il: 8 mag 2007, 14:48

PrecedenteProssimo

Torna a Elettronica generale

Chi c’è in linea

Visitano il forum: Nessuno e 59 ospiti