Scusatemi se apro un infinità di topic, ma purtroppo ogni tanto mi vengono dei dubbi su certe cose e solo voi mi potete aiutare
Quando risolvo un circuito del secondo ordine grosso modo opero in questo modo
1)Supposto che la rete sia in regime stazionario per t<0 risolvo il circuito per ricavarmi le condizioni iniziali che mi permetteranno di calcolare le costanti del problema di cauchy
2)Studio la rete per t>0 e per valutare il transitorio faccio in questo modo
-Spengo tutti i generatori ideali di corrente e tensione lasciando la rete con le sole resistenze condensatori e
induttanze
-Studio la rete resistiva associata in modo tale da ricavarmi le equazioni di stato
Ora, alla base del mio ragionamento e del mio modo di risolvere la rete c'è il fatto che io mi ricavo solo l'equazione omogenea associata e spegnendo il generatore elimino il forzamento che mi sarebbe comparso nella soluzione con l'integrale particolare dell'equazione.
Qui viene la mia domanda che però credo debba formularvi mediante un esempio perché non riesco a trovare le parole
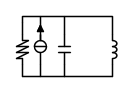
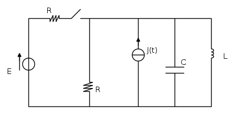
Il Circuito è:
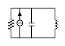
La Rete passivizzata è
Le equazioni di stato

Se mi scrivo tutto in funzione della
ho
Siccome devo ricavare dalla soluzione di questa equazione differenziale due costanti imponendo le due condizioni mi serve necessariamente anche la

Ma quella che tecnicamente mi ricaverei dalla relazione

Non è valida giusto?
Quindi come faccio?come me la ricavo la soluzione della
??Grazie a tutti per l'aiuto

Elettrotecnica e non solo (admin)
Un gatto tra gli elettroni (IsidoroKZ)
Esperienza e simulazioni (g.schgor)
Moleskine di un idraulico (RenzoDF)
Il Blog di ElectroYou (webmaster)
Idee microcontrollate (TardoFreak)
PICcoli grandi PICMicro (Paolino)
Il blog elettrico di carloc (carloc)
DirtEYblooog (dirtydeeds)
Di tutto... un po' (jordan20)
AK47 (lillo)
Esperienze elettroniche (marco438)
Telecomunicazioni musicali (clavicordo)
Automazione ed Elettronica (gustavo)
Direttive per la sicurezza (ErnestoCappelletti)
EYnfo dall'Alaska (mir)
Apriamo il quadro! (attilio)
H7-25 (asdf)
Passione Elettrica (massimob)
Elettroni a spasso (guidob)
Bloguerra (guerra)












La rete è a regime stazionario, utilizzo la sovrapposizione degli effetti 



e valutando la rete a regime ho






l'interruttore si apre



sia valida istante per istante, quindi calcolerei v

e
, perché non so se ho sbagliato io o tu a calcolarli