ezio3010 ha scritto:ma almeno esistono fusibili 5x20 da 10-15A? perché quando li ho chiesti in negozio il tipo mi ha guardato strano.
In formato 5x20 esistono massimo da 10A, altrimenti devi ricorrere al 6x30 che se non ricordo male arriva fino a 25A.
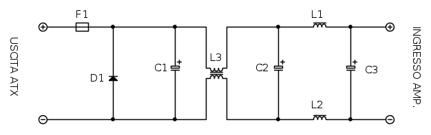
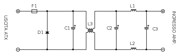
ezio3010 ha scritto:il fusibile lo ometto, tanto la protezione da corto circuito ce l'ha l'atx
Te lo sconsiglio, in generale non è buona cosa da farsi, sopratutto considerato il costo di un fusibile. Oltre tutto l'ATX non ha la protezione in corrente, il fatto che si spenga e richieda un restart è un "barbatrucco" fatto dai progettisti per limitare i danni in eventi accidentali ed occasionali una tantum, la protezione in corrente è tutt'altra cosa. Puoi accertare tu stesso mettendo in corto diverse volte le uscite di un ATX e ripetere la stessa cosa con un alimentatore protetto in corrente, le differenze saranno lampanti, in tutti i sensi
ezio3010 ha scritto:il consumo è 10 sui 12 V. però dato che devo cambiare l'alimentatore, è molto probabile che siano un po' di piu.
Il consumo è 10... cosa? Ampére giusto?
Devi cambiare l'alimentatore perché l'amplificatore consuma più di 10A, oppure per altre ragioni?
O ancora, il 10 èra riferito alla massima corrente che puoi prelevare dall'uscita +12V dell'ATX? (deduzione fatta da quanto detto al post 4)
Scusa per le domande ma, non sto nella tua testa e non ho chiaro cosa volessi dire.
Ad ogni modo "tagli la testa al toro" leggendo il dato riportato sulle specifiche tecniche dell'amplificatore, solo così puoi valutare che fusibile impiegare.
Spero di esserti stato d'aiuto, Luca.

Elettrotecnica e non solo (admin)
Un gatto tra gli elettroni (IsidoroKZ)
Esperienza e simulazioni (g.schgor)
Moleskine di un idraulico (RenzoDF)
Il Blog di ElectroYou (webmaster)
Idee microcontrollate (TardoFreak)
PICcoli grandi PICMicro (Paolino)
Il blog elettrico di carloc (carloc)
DirtEYblooog (dirtydeeds)
Di tutto... un po' (jordan20)
AK47 (lillo)
Esperienze elettroniche (marco438)
Telecomunicazioni musicali (clavicordo)
Automazione ed Elettronica (gustavo)
Direttive per la sicurezza (ErnestoCappelletti)
EYnfo dall'Alaska (mir)
Apriamo il quadro! (attilio)
H7-25 (asdf)
Passione Elettrica (massimob)
Elettroni a spasso (guidob)
Bloguerra (guerra)



, Luca.