Rete Trifase
Moderatori:
g.schgor,
IsidoroKZ
0
voti
[42] Re: Rete Trifase
Riposto la soluzione completa un po riordinata:
Incomincio trasformando le induttanze del secondo carico da triangolo a stella:
Ora mi trovo in una situazione del genere:
Ora per risolvere la prima domanda dell'esercizio calcolo le correnti di linea:



(credo che questo basti per rispondere alla prima domanda)
Per la seconda domanda il dubbio è stato questo: come rifaso il primo carico senza calcolare il secondo? Le strade percorribili erano 2: sommo i due carichi e rifaso la loro somma o faccio finta che il secondo carico non esista. Credo che il prof si riferisca alla seconda opzione (poi confermerò chiedendoglielo); ci ritroviamo in questa situazione:
Per incominciare trovo la corrente di una delle tre induttanze, per esempio la prima:

Trovo l'angolo di sfasamento da
quindi 
Ora per rifasare devo considerare l'angolo:
e trovare la tangente: 
Trovo la potenza attiva del primo carico:
E concludo trovando i valori dei tre condensatori:


Considerando:
e 
Si accettano consigli, domande e correzioni!!!

Incomincio trasformando le induttanze del secondo carico da triangolo a stella:

Ora mi trovo in una situazione del genere:
Ora per risolvere la prima domanda dell'esercizio calcolo le correnti di linea:



(credo che questo basti per rispondere alla prima domanda)
Per la seconda domanda il dubbio è stato questo: come rifaso il primo carico senza calcolare il secondo? Le strade percorribili erano 2: sommo i due carichi e rifaso la loro somma o faccio finta che il secondo carico non esista. Credo che il prof si riferisca alla seconda opzione (poi confermerò chiedendoglielo); ci ritroviamo in questa situazione:
Per incominciare trovo la corrente di una delle tre induttanze, per esempio la prima:

Trovo l'angolo di sfasamento da
quindi 
Ora per rifasare devo considerare l'angolo:
e trovare la tangente: 
Trovo la potenza attiva del primo carico:
E concludo trovando i valori dei tre condensatori:


Considerando:
e 
Si accettano consigli, domande e correzioni!!!

2
voti
[43] Re: Rete Trifase
OK! non ho controllato tutti i calcoli ma come procedimento può andare.
Comunque avresti potuto passare per il calcolo dell potenze dei due carichi evitandoti qualche calcolo con i numeri complessi.
Per lo schema i generatori sarebbe megli indicarli così visto che siamo in corrente alternata.
Edit: avevo dimenticato di aggiungere: la potenza reattiva Q si misura in var e non in watt
Comunque avresti potuto passare per il calcolo dell potenze dei due carichi evitandoti qualche calcolo con i numeri complessi.
Per lo schema i generatori sarebbe megli indicarli così visto che siamo in corrente alternata.
Edit: avevo dimenticato di aggiungere: la potenza reattiva Q si misura in var e non in watt
-

nunziato
4.291 3 9 12 - Master EY

- Messaggi: 531
- Iscritto il: 14 dic 2012, 23:14
- Località: Acri (CS) - Polistena (RC)
0
voti
[44] Re: Rete Trifase
Per quanto mi riguarda mi trovo meglio a lavorare con i complessi che con le potenze, l'importante è arrivare allo stesso risultato!!
Per quanto riguarda lo schema è stata più pigrizia che altro perché (correggimi se sbaglio) quello corretto dovrebbe essere questo:
(con quello schema di generatori in continua avevano già il segno incluso
)

edit: hai ragione! errore di copia/incolla!
Per quanto riguarda lo schema è stata più pigrizia che altro perché (correggimi se sbaglio) quello corretto dovrebbe essere questo:
(con quello schema di generatori in continua avevano già il segno incluso

edit: hai ragione! errore di copia/incolla!
Ultima modifica di
lillo il 29 mar 2013, 11:16, modificato 1 volta in totale.
Motivazione: Non quotare per rispondere al messaggio precedente ;)
Motivazione: Non quotare per rispondere al messaggio precedente ;)
0
voti
[45] Re: Rete Trifase
volcom88 ha scritto:Per quanto mi riguarda mi trovo meglio a lavorare con i complessi che con le potenze, l'importante è arrivare allo stesso risultato!!
Se va bene per te.
volcom88 ha scritto:Per quanto riguarda lo schema ... quello corretto dovrebbe essere questo:
Si è ovvio andava disegnato il verso
Capita anche a mevolcom88 ha scritto:edit: hai ragione! errore di copia/incolla!
-

nunziato
4.291 3 9 12 - Master EY

- Messaggi: 531
- Iscritto il: 14 dic 2012, 23:14
- Località: Acri (CS) - Polistena (RC)
0
voti
[46] Re: Rete Trifase
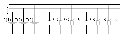
Ecco un altro esercizio simile, ma con delle piccole differenze che mi hanno messo in crisi:
Rispetto all'altro ha in più il neutro e il differente valore delle induttanze.
Immagino che il semplice calcolo (per esempio) di
si errato per via delle differenze dei valori delle induttanze... Anche se il valore della tensione di
è sicuramente
per via del collegamento in parallelo... E soprattutto: il neutro in che modo influisce nei calcoli?? (ho degli esercizi dove il neutro è attaccato solo ai due carichi e non ai generatori e viceversa)...
Rispetto all'altro ha in più il neutro e il differente valore delle induttanze.
Immagino che il semplice calcolo (per esempio) di
si errato per via delle differenze dei valori delle induttanze... Anche se il valore della tensione di
è sicuramente
per via del collegamento in parallelo... E soprattutto: il neutro in che modo influisce nei calcoli?? (ho degli esercizi dove il neutro è attaccato solo ai due carichi e non ai generatori e viceversa)...1
voti
[47] Re: Rete Trifase
volcom88 ha scritto:Ecco un altro esercizio simile, ma con delle piccole differenze ...
Non direi piccole differenze, si tratta di una terna simmetrica che alimenta due carichi squilibrati
volcom88 ha scritto:Rispetto all'altro ha in più il neutro e il differente valore delle induttanze.
Attento, non sono solo le induttanze diverse, lo sono le intere impedenze. Un'impedenza è un operatore complesso composto da una parte reale che rappresenta la sua componente resistiva e da una parte imamginaria che rappresenta la sua componente reattiva, nel tuo caso si tratta di reattanza induttiva.
Il neutro serve ad elimimare, diciamo così, la ddp fra i centri sella dei carichi squilibrati e il centro stella dei generatori, così ogni impedenza è sottoposta alla tensione stellata della fase alla quale è collegata, pertanto il neutro ti semplifica i calcoli permettendoti di calcolare più facilmente le correnti, infatti:
volcom88 ha scritto:Immagino che il semplice calcolo (per esempio) disi errato
non è errato ma è giusto
con la precisazione che se delle correnti ti servono i fasori devi effettuare il calcolo con i numeri complessi.
La relazione che hai scritto è giusta porpio perché, come dici tu:
.volcom88 ha scritto:il valore della tensione diè sicuramente
![]()
Sperando di essere stato utile.
-

nunziato
4.291 3 9 12 - Master EY

- Messaggi: 531
- Iscritto il: 14 dic 2012, 23:14
- Località: Acri (CS) - Polistena (RC)
0
voti
[48] Re: Rete Trifase
Seguendo le tue indicazioni l'ho risolto cosi (mi sembra un po troppo semplice):









(verso opposto)
E credo di aver risposto a tutte le domande... Aggiungendo che le tensioni delle impedenze del secondo carico sono rispettivamente E(1), E(2) e E(3)... Sbaglio?









(verso opposto)E credo di aver risposto a tutte le domande... Aggiungendo che le tensioni delle impedenze del secondo carico sono rispettivamente E(1), E(2) e E(3)... Sbaglio?
0
voti
[49] Re: Rete Trifase
Ottimo!
Dov'è scritto che le cose devono essere necessariamente difficili?
No

volcom88 ha scritto:Seguendo le tue indicazioni l'ho risolto cosi (mi sembra un po troppo semplice):
Dov'è scritto che le cose devono essere necessariamente difficili?
volcom88 ha scritto:.. Aggiungendo che le tensioni delle impedenze del secondo carico sono rispettivamente E(1), E(2) e E(3)... Sbaglio?
No

-

nunziato
4.291 3 9 12 - Master EY

- Messaggi: 531
- Iscritto il: 14 dic 2012, 23:14
- Località: Acri (CS) - Polistena (RC)
1
voti
[50] Re: Rete Trifase
Altro esercizio:
Determino le correnti con il metodo delle maglie (imponendo il verso orario come positivo):



Risolto:
Da qui determino facilmente le correnti dei vari rami... Alcuni dubbi:
- Cramer viene abbastanza lungo e complicato, avevo pensato di trasformare le tre impedenze triangolari in stella, poi attraverso Millman e un LKT (trasformazione non troppo semplice)... C'era un metodo più veloce?
- Il diagramma fasoriale nei punti 1', 2' e 3' intende le tensioni di Z(L) e le correnti delle varie E?? Non c'entrano nulla le impedenze a triangolo, giusto?
Determino le correnti con il metodo delle maglie (imponendo il verso orario come positivo):



Risolto:
Da qui determino facilmente le correnti dei vari rami... Alcuni dubbi:
- Cramer viene abbastanza lungo e complicato, avevo pensato di trasformare le tre impedenze triangolari in stella, poi attraverso Millman e un LKT (trasformazione non troppo semplice)... C'era un metodo più veloce?
- Il diagramma fasoriale nei punti 1', 2' e 3' intende le tensioni di Z(L) e le correnti delle varie E?? Non c'entrano nulla le impedenze a triangolo, giusto?
Torna a Elettrotecnica generale
Chi c’è in linea
Visitano il forum: Nessuno e 100 ospiti

Elettrotecnica e non solo (admin)
Un gatto tra gli elettroni (IsidoroKZ)
Esperienza e simulazioni (g.schgor)
Moleskine di un idraulico (RenzoDF)
Il Blog di ElectroYou (webmaster)
Idee microcontrollate (TardoFreak)
PICcoli grandi PICMicro (Paolino)
Il blog elettrico di carloc (carloc)
DirtEYblooog (dirtydeeds)
Di tutto... un po' (jordan20)
AK47 (lillo)
Esperienze elettroniche (marco438)
Telecomunicazioni musicali (clavicordo)
Automazione ed Elettronica (gustavo)
Direttive per la sicurezza (ErnestoCappelletti)
EYnfo dall'Alaska (mir)
Apriamo il quadro! (attilio)
H7-25 (asdf)
Passione Elettrica (massimob)
Elettroni a spasso (guidob)
Bloguerra (guerra)





