Cos'è ElectroYou | Login Iscriviti

ElectroYou - la comunità dei professionisti del mondo elettrico

DC to DC voltage doublers

Elettronica lineare e digitale: didattica ed applicazioni

Moderatori: Foto Utentecarloc, Foto Utenteg.schgor, Foto UtenteBrunoValente, Foto UtenteIsidoroKZ

0
voti

[1] DC to DC voltage doublers

Messaggioda Foto UtenteMrJack » 3 apr 2013, 17:15

Salve a tutti,
come da titolo vorrei realizzare un voltage doublers che mi raddoppi una tensione continua di circa 50V per arrivare a circa 100V.
Cosa potrei utilizzare?

Grazie O_/
Avatar utente
Foto UtenteMrJack
10 1 4
Frequentatore
Frequentatore
 
Messaggi: 157
Iscritto il: 4 ago 2010, 22:21

0
voti

[2] Re: DC to DC voltage doublers

Messaggioda Foto Utentesnaffo » 3 apr 2013, 17:47

Un po' vaga come cosa, di che corrente necessiti in uscita e quanta ne hai a disposizione in ingresso?
Avatar utente
Foto Utentesnaffo
185 1 6
 
Messaggi: 36
Iscritto il: 17 mar 2013, 19:16

0
voti

[3] Re: DC to DC voltage doublers

Messaggioda Foto UtenteMrJack » 3 apr 2013, 17:51

mi serve una tensione negativa per polarizzare l'armatura di un condensatore.....la corrente in uscita sarà di pochissimi mA
Avatar utente
Foto UtenteMrJack
10 1 4
Frequentatore
Frequentatore
 
Messaggi: 157
Iscritto il: 4 ago 2010, 22:21

0
voti

[4] Re: DC to DC voltage doublers

Messaggioda Foto Utentesimo85 » 3 apr 2013, 17:56

Comincia da qui.
Avatar utente
Foto Utentesimo85
30,9k 7 12 13
Disattivato su sua richiesta
 
Messaggi: 9927
Iscritto il: 30 ago 2010, 4:59

0
voti

[5] Re: DC to DC voltage doublers

Messaggioda Foto UtenteMrJack » 3 apr 2013, 17:59

Si, avevo già letto quell'articolo su wiki, però io parto con una tensione continua e non alternata, quindi chiedevo come poter fare.
Avatar utente
Foto UtenteMrJack
10 1 4
Frequentatore
Frequentatore
 
Messaggi: 157
Iscritto il: 4 ago 2010, 22:21

0
voti

[6] Re: DC to DC voltage doublers

Messaggioda Foto UtenteMrJack » 3 apr 2013, 18:35

Ho trovato questo circuitino: http://i.cmpnet.com/powermanagementdesignline/2007/08/MAXF23.gif

Potrebbe andare?
Avatar utente
Foto UtenteMrJack
10 1 4
Frequentatore
Frequentatore
 
Messaggi: 157
Iscritto il: 4 ago 2010, 22:21

0
voti

[7] Re: DC to DC voltage doublers

Messaggioda Foto Utentesnaffo » 3 apr 2013, 19:08

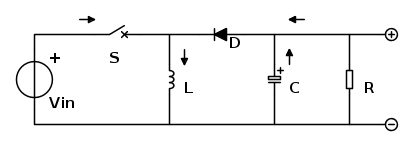
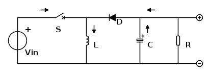
Basandomi su quel poco di corso di elettronica di potenza che ho seguito, se non necessiti di isolamento puoi utilizzare uno Buck-Boost Converter, con questo hai anche il vantaggio di una inversione della tensione in uscita rispetto a quella in ingresso, lo schema generale è questo:

PS: non mi menate, in realtà so che serve l'isolamento per quel tipo di tensioni in corrente continua.



Per darti un'idea di massima di progettazione, sempre ammesso sia possibile ci sono alcune relazioni che ti possono aiutare:

\frac{V_{OUT}}{V_{IN}}=-\frac{D}{1-D} da cui ti ricavi sapendo che a sinistra hai un rapporto uguale 2.

La variabile D in sostanza, è il duty cycle dell'interruttore.
L_{MIN}=\frac{(1-D)^2*R}{2*f} ovviamente la f si riferisce alla frequenza di switching dell'interruttore elettronico di potenza.
Questo parametro serve a far lavorare il converter in CCM, modalità che credo sia consona al tuo utilizzo.

Infine la minima capacità, fissata una massima tensione di ripple arbitraria in uscita, la ottieni con questa formuletta.

C_{MIN}=\frac{D*V_{OUT}}{V_{RIPPLE}*R*f}

Ovviamente l'interruttore lo puoi fare con qualche tipo di transistor e relativo circuito di controllo per aprirlo e chiudere.

Questo è una cosa molto terra terra, ti consiglio, tempo e poco budget permettendo di cominciare a fare qualcosa di piccolo per poi procedere alla conversione 50-->100V che richiede anche l'aggiunta di un trasformatore per isolare.

Un testo abbastanza ben fatto ma in inglese riguardante l'elettronica di potenza, livello di difficoltà intermedio-elevato (bisogna già masticarne di elettronica) è il:
Power Electronics Handbook by Muhammad H. Rashid

Dove trovi molte informazioni sui convertitori e su molto altro, cerca bene in giro è facile da reperire :roll:
Avatar utente
Foto Utentesnaffo
185 1 6
 
Messaggi: 36
Iscritto il: 17 mar 2013, 19:16


Torna a Elettronica generale

Chi c’è in linea

Visitano il forum: Google Adsense [Bot] e 225 ospiti