da
Lele_u_biddrazzu » 4 apr 2013, 15:55
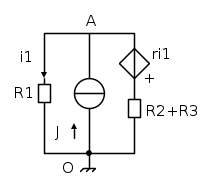
Come ti ho già detto, per determinare
i1 basta imporre la condizione di parallelo tra i due rami che contengono rispettivamente il resistore
R1 e il generatore pilotato assieme a
R2 e
R3. Prova a seguire questa traccia e giungerai al mio stesso risultato

Buon lavoro

-- edit ---
Forse ridisegnando il circuito in questo modo si dovrebbe notare meglio che il ramo contenente R1 è in parallelo con quello contenente il generatore controllato di tensione; imponendo questa condizione dovresti poter ricavare la corrente i1