questo è un esercizio che non mi viene:
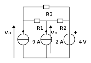
R1 e R2=4 ohm; R3= 2 ohm; si devono calcolare Va e Vb.
Lo so che per molti sembrerà una cavolata ma non mi vengono i risultati...
P.S.: la soluzione è Va=20 V e Vb=16 V
Esercizio sul metodo dei nodi che non mi riesce
Moderatori:
g.schgor,
IsidoroKZ
34 messaggi
• Pagina 1 di 4 • 1, 2, 3, 4
0
voti
Allora ho usato il metodo dei nodi:
ho scelto tutte le correnti arbitrariamente e ho proceduto con le tre equazioni ai nodi...solo che i risultati non mi vengono
qualcuno può risolverlo anche solo per vedere se le soluzioni date sono giuste?
ho scelto tutte le correnti arbitrariamente e ho proceduto con le tre equazioni ai nodi...solo che i risultati non mi vengono
0
voti
Il programma non sbaglia!
(se ti interessa il programma lo trovi qui http://www.falstad.com/circuit/)
Poi se vuoi scrivere i passaggi ti aiuto a trovare l'errore sennò... A te la scelta!

0
voti
Prova a mostrare i passaggi che compi (usando le formule in latex).
"Le domande non sono mai indiscrete. Le risposte lo sono a volte"
Per qualche dollaro in più
Per qualche dollaro in più
0
voti
ok adesso scrivo tutti i passaggi che ho fatto 
questo è il circuito con i versi delle correnti presi arbitrariamente, cioè puramente a caso:

questo è il circuito con i versi delle correnti presi arbitrariamente, cioè puramente a caso:
0
voti
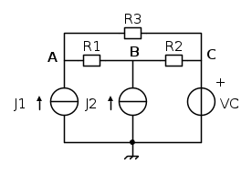
scrivo le equazioni ai nodi, considerando positive le correnti entranti e negative le correnti uscenti:
nodo A![\[i1+i4-i6=0
\] \[i1+i4-i6=0
\]](/forum/latexrender/pictures/3ec7722620eb707deeca64cbf9e0d729.png)
nodo B![\[-i4+i5+i2=0
\] \[-i4+i5+i2=0
\]](/forum/latexrender/pictures/03d23a99d37815d8faa26b8163baf09e.png)
nodo C![\[i3+i6-i5=0
\] \[i3+i6-i5=0
\]](/forum/latexrender/pictures/e12331f1efe933d3354962f3b4fb1f88.png)
che sarebbero:
![\[9+\frac{Va-Vb}{4}-\frac{Va-4}{2}=0\] \[9+\frac{Va-Vb}{4}-\frac{Va-4}{2}=0\]](/forum/latexrender/pictures/0fe4b54acc58e8754e39a460237d1bdb.png)
![\[-\frac{Va-Vb}{4}+\frac{Vb-4}{4}+2=0\] \[-\frac{Va-Vb}{4}+\frac{Vb-4}{4}+2=0\]](/forum/latexrender/pictures/f1566648d8d65211a05166e981cacd54.png)
![\[i3+\frac{Va-4}{2}-\frac{Vb-4}{4}=0\] \[i3+\frac{Va-4}{2}-\frac{Vb-4}{4}=0\]](/forum/latexrender/pictures/833dd00d89f65b8cdaad7e0540e07e4a.png)
dalle prime 2 ricavo Va e Vb ma mi vengono sbagliati...
PS: già che ci sono posto pure i segni delle tensioni che ho scelto sulle 3 resistenze
nodo A
![\[i1+i4-i6=0
\] \[i1+i4-i6=0
\]](/forum/latexrender/pictures/3ec7722620eb707deeca64cbf9e0d729.png)
nodo B
![\[-i4+i5+i2=0
\] \[-i4+i5+i2=0
\]](/forum/latexrender/pictures/03d23a99d37815d8faa26b8163baf09e.png)
nodo C
![\[i3+i6-i5=0
\] \[i3+i6-i5=0
\]](/forum/latexrender/pictures/e12331f1efe933d3354962f3b4fb1f88.png)
che sarebbero:
![\[9+\frac{Va-Vb}{4}-\frac{Va-4}{2}=0\] \[9+\frac{Va-Vb}{4}-\frac{Va-4}{2}=0\]](/forum/latexrender/pictures/0fe4b54acc58e8754e39a460237d1bdb.png)
![\[-\frac{Va-Vb}{4}+\frac{Vb-4}{4}+2=0\] \[-\frac{Va-Vb}{4}+\frac{Vb-4}{4}+2=0\]](/forum/latexrender/pictures/f1566648d8d65211a05166e981cacd54.png)
![\[i3+\frac{Va-4}{2}-\frac{Vb-4}{4}=0\] \[i3+\frac{Va-4}{2}-\frac{Vb-4}{4}=0\]](/forum/latexrender/pictures/833dd00d89f65b8cdaad7e0540e07e4a.png)
dalle prime 2 ricavo Va e Vb ma mi vengono sbagliati...
PS: già che ci sono posto pure i segni delle tensioni che ho scelto sulle 3 resistenze
1
voti
![\left[\begin{array}{cc}
G_{1}+G_{3} & -G_{1}\\
-G_{1} & G_{1}+G_{2}
\end{array}\right]\left[\begin{array}{c}
V_{A}\\
V_{B}
\end{array}\right]=\left[\begin{array}{c}
J_{1}+G_{3}V_{C}\\
J_{2}+G_{2}V_{C}
\end{array}\right] \left[\begin{array}{cc}
G_{1}+G_{3} & -G_{1}\\
-G_{1} & G_{1}+G_{2}
\end{array}\right]\left[\begin{array}{c}
V_{A}\\
V_{B}
\end{array}\right]=\left[\begin{array}{c}
J_{1}+G_{3}V_{C}\\
J_{2}+G_{2}V_{C}
\end{array}\right]](/forum/latexrender/pictures/82fca47d34b2931ba692ae76baa92637.png)
Con i dati numerici forniti nel post [1], ottengo Va = 20 V e Vb = 16 V.
Emanuele Lorina
- Chi lotta contro i mostri deve fare attenzione a non diventare lui stesso un mostro. E se tu riguarderai a lungo in un abisso, anche l'abisso vorrà guardare dentro di te (F. Nietzsche)
- Tavole della legge by admin
- Chi lotta contro i mostri deve fare attenzione a non diventare lui stesso un mostro. E se tu riguarderai a lungo in un abisso, anche l'abisso vorrà guardare dentro di te (F. Nietzsche)
- Tavole della legge by admin
-

Lele_u_biddrazzu
8.154 3 8 13 - Master EY

- Messaggi: 1288
- Iscritto il: 23 gen 2007, 16:13
- Località: Modena
34 messaggi
• Pagina 1 di 4 • 1, 2, 3, 4
Torna a Elettrotecnica generale
Chi c’è in linea
Visitano il forum: Nessuno e 166 ospiti

Elettrotecnica e non solo (admin)
Un gatto tra gli elettroni (IsidoroKZ)
Esperienza e simulazioni (g.schgor)
Moleskine di un idraulico (RenzoDF)
Il Blog di ElectroYou (webmaster)
Idee microcontrollate (TardoFreak)
PICcoli grandi PICMicro (Paolino)
Il blog elettrico di carloc (carloc)
DirtEYblooog (dirtydeeds)
Di tutto... un po' (jordan20)
AK47 (lillo)
Esperienze elettroniche (marco438)
Telecomunicazioni musicali (clavicordo)
Automazione ed Elettronica (gustavo)
Direttive per la sicurezza (ErnestoCappelletti)
EYnfo dall'Alaska (mir)
Apriamo il quadro! (attilio)
H7-25 (asdf)
Passione Elettrica (massimob)
Elettroni a spasso (guidob)
Bloguerra (guerra)









