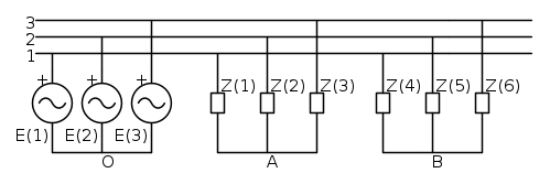
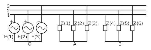
Mi trovo davanti a questo esercizio sembra andare ma c'è qualcosa che non torna:
mi vado a calcolare le correnti del primo carico:



Il problema sta che la loro somma non torna uguale a zero (c'era un caso simile in cui ciò che "avanzava" era la corrente del neutro, ma qui siamo senza neutro). Va bene cosi (non credo) o manca qualcosa?

Elettrotecnica e non solo (admin)
Un gatto tra gli elettroni (IsidoroKZ)
Esperienza e simulazioni (g.schgor)
Moleskine di un idraulico (RenzoDF)
Il Blog di ElectroYou (webmaster)
Idee microcontrollate (TardoFreak)
PICcoli grandi PICMicro (Paolino)
Il blog elettrico di carloc (carloc)
DirtEYblooog (dirtydeeds)
Di tutto... un po' (jordan20)
AK47 (lillo)
Esperienze elettroniche (marco438)
Telecomunicazioni musicali (clavicordo)
Automazione ed Elettronica (gustavo)
Direttive per la sicurezza (ErnestoCappelletti)
EYnfo dall'Alaska (mir)
Apriamo il quadro! (attilio)
H7-25 (asdf)
Passione Elettrica (massimob)
Elettroni a spasso (guidob)
Bloguerra (guerra)






)



















costituiscono una terna inversa e nello schema, corrispondono ad
.

con
. È evidente che chi ha scritto il testo e fatto il disegno non ci ha pensato











