Vorrei sapere cosa devo fare in questo caso, mi viene chiesto :
Vo(t) con Vi(t) = 0.5 sin 100t
Vo(t) con Vi(t) = 0.5 sin 5x10^4t
in questo esercizio ho già calcolato modulo e fase per (W = 0 e W = inf )
Grazie
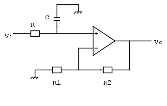
Filtro passa basso attivo
Moderatori:
carloc,
g.schgor,
BrunoValente,
IsidoroKZ
12 messaggi
• Pagina 1 di 2 • 1, 2
1
voti
Ma non si vede nulla! Gli schemi vanno fatti con FIdocadJ. GUarda nella striscia rosa posta sopra ai messaggi: c'è una scritta "REGOLE DEL FORUM". Clic lì e poi segui le istruzioni.
Ciao.
Paolo.
Ciao.
Paolo.
"Houston, Tranquillity Base here. The Eagle has landed." - Neil A.Armstrong
-------------------------------------------------------------
PIC Experience - http://www.picexperience.it
-------------------------------------------------------------
PIC Experience - http://www.picexperience.it
-

Paolino
32,6k 8 12 13 - G.Master EY

- Messaggi: 4226
- Iscritto il: 20 gen 2006, 11:42
- Località: Vigevano (PV)
0
voti
Grazie mille.
Ancora una cosa, considerata la mia ignoranza, noto che il modulo rimane invariato, mentre la fase cambia.
La fase la esprimo in gradi o radianti ?
in gradi : -arctg 5x10^4 x 10^-3= -786.9° Possibile?
in radianti : -arctg 5x10^4 x 10^-3= -13.734 .
grazie ancora per l'aiuto
Ancora una cosa, considerata la mia ignoranza, noto che il modulo rimane invariato, mentre la fase cambia.
La fase la esprimo in gradi o radianti ?
in gradi : -arctg 5x10^4 x 10^-3= -786.9° Possibile?
in radianti : -arctg 5x10^4 x 10^-3= -13.734 .
grazie ancora per l'aiuto
4
voti
mmmm no anche il modulo cambia
e poi la fase di -786° non ti pare un po' improbabile, hai detto di aver calcolato i valori in ω=0 e per ω che tende all'infinito ed avevi 0 e -90° o -π/2 se vuoi....
poi se hai presente come varia (decresce sempre) la fase tra quei due estremi ti diventa chiaro che ti dovresti aspettare qualcosa là in mezzo
comincia con scrivere la funzione di trasferimento che hai ottenuto per quel filtro... che vediamo se è ok
poi se hai presente come varia (decresce sempre) la fase tra quei due estremi ti diventa chiaro che ti dovresti aspettare qualcosa là in mezzo
comincia con scrivere la funzione di trasferimento che hai ottenuto per quel filtro... che vediamo se è ok
Se ti serve il valore di beta: hai sbagliato il progetto!
0
voti
R2=10K
R1 = R = 1K
C = 1MicroF
La Fdt e scusami perché non ho ancora capito come funziona il Latex
G( jω )= R1+R2/R1 / radice di 1+ ω^2 x CR^2 (CR^2=tao^2=costante di tempo)
G( jω )= 11/1 / radice di 1+ ω^2 x 10^-6
Fase ( jω ) = -arctg ω x 10^-3
ω=0 modulo=11 e fase 0°
ω=inf modulo=0 e fase -90°
Vo(t) con Vi(t) = 0.5 sin t
Vo(t) con Vi(t) = 0.5 sin 100t
Vo(t) con Vi(t) = 0.5 sin 5x10^4t
R1 = R = 1K
C = 1MicroF
La Fdt e scusami perché non ho ancora capito come funziona il Latex
G( jω )= R1+R2/R1 / radice di 1+ ω^2 x CR^2 (CR^2=tao^2=costante di tempo)
G( jω )= 11/1 / radice di 1+ ω^2 x 10^-6
Fase ( jω ) = -arctg ω x 10^-3
ω=0 modulo=11 e fase 0°
ω=inf modulo=0 e fase -90°
Vo(t) con Vi(t) = 0.5 sin t
Vo(t) con Vi(t) = 0.5 sin 100t
Vo(t) con Vi(t) = 0.5 sin 5x10^4t
3
voti
mmmm certo ci vuole la sfera di cristallo ma se intendi ...

è ok, poi modulo e fase

(nota che ora ho messo il segno di "modulo" a sinistra
)

poi si tratta solo di sostituire i numeri...


ora io farei un reality check nel senso che mi farei la domanda "Ha un senso quello che ho scritto?"
vedi il guadagno in continua
vale 11, qui abbiamo praticamente quel valore, che sarebbe a dire che mi trovo molto al di sotto della frequenza di taglio del filtro... sarà vero?
Calcolo la frequenza di taglio

beh in effetti siamo una decade "prima" della frequenza di taglio, c'è la forte probabilità che il risultato sia giusto
Per la fase, gradi o radianti non fa nessuna differenza, basta dirlo (anzi scriverlo) ed usare la calcolatrice settata opportunamente...


anche in questo caso l'essere una decade prima della frequenza di taglio conforta il modesto sfasamento che abbiamo ottenuto.
A questo punto i tuoi

diventano

Ora passo la palla a te
voglio vedere postati i tuoi passaggi e risultati per le altre frequenze e voglio anche che tu inizi ad usare Latex.... non ti serve di imparare tutto subito, ma almeno due cosette
guarda e copia
diventa

è ok, poi modulo e fase

(nota che ora ho messo il segno di "modulo" a sinistra

poi si tratta solo di sostituire i numeri...


ora io farei un reality check nel senso che mi farei la domanda "Ha un senso quello che ho scritto?"
vedi il guadagno in continua
vale 11, qui abbiamo praticamente quel valore, che sarebbe a dire che mi trovo molto al di sotto della frequenza di taglio del filtro... sarà vero?Calcolo la frequenza di taglio

beh in effetti siamo una decade "prima" della frequenza di taglio, c'è la forte probabilità che il risultato sia giusto
Per la fase, gradi o radianti non fa nessuna differenza, basta dirlo (anzi scriverlo) ed usare la calcolatrice settata opportunamente...


anche in questo caso l'essere una decade prima della frequenza di taglio conforta il modesto sfasamento che abbiamo ottenuto.
A questo punto i tuoi

diventano

Ora passo la palla a te
voglio vedere postati i tuoi passaggi e risultati per le altre frequenze e voglio anche che tu inizi ad usare Latex.... non ti serve di imparare tutto subito, ma almeno due cosette
- Codice: Seleziona tutto
\frac{1}{ \sqrt{1+(\omega RC)^2} }
diventa

Se ti serve il valore di beta: hai sbagliato il progetto!
0
voti
Sei gentilissimo,davvero grazie mille.
Ora proverò a fare come dici visto che ho grande voglia di imparare ma dovrai avere un po' di pazienza.
grazie ancora e buona giornata..
a presto
Ora proverò a fare come dici visto che ho grande voglia di imparare ma dovrai avere un po' di pazienza.
grazie ancora e buona giornata..
a presto
1
voti
Ho ancora dei problemini con lateX
lo spazio tra due operazioni e il simbolo dei gradi
ho usato questo : http://codecogs.com/latex/eqneditor.php.
lo spazio tra due operazioni e il simbolo dei gradi
ho usato questo : http://codecogs.com/latex/eqneditor.php.
12 messaggi
• Pagina 1 di 2 • 1, 2
Chi c’è in linea
Visitano il forum: Nessuno e 141 ospiti

Elettrotecnica e non solo (admin)
Un gatto tra gli elettroni (IsidoroKZ)
Esperienza e simulazioni (g.schgor)
Moleskine di un idraulico (RenzoDF)
Il Blog di ElectroYou (webmaster)
Idee microcontrollate (TardoFreak)
PICcoli grandi PICMicro (Paolino)
Il blog elettrico di carloc (carloc)
DirtEYblooog (dirtydeeds)
Di tutto... un po' (jordan20)
AK47 (lillo)
Esperienze elettroniche (marco438)
Telecomunicazioni musicali (clavicordo)
Automazione ed Elettronica (gustavo)
Direttive per la sicurezza (ErnestoCappelletti)
EYnfo dall'Alaska (mir)
Apriamo il quadro! (attilio)
H7-25 (asdf)
Passione Elettrica (massimob)
Elettroni a spasso (guidob)
Bloguerra (guerra)
