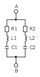
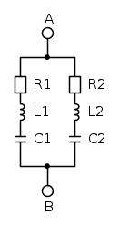
sto cercando di ricavare il modulo dell'impedenza di un parallelo costituito da due circuiti RLC serie.
Per il momento, ho ricavato che
.Non avendo mai studiato a scuola i numeri complessi, e ricordando solo qualche concetto avuto per lo più qui sul forum, ho provato a semplificare numeratore e denominatore in questo modo:
![Z=\frac{[R_1+j(\omega L_1-\frac{1}{\omega C_1})][R_2+j(\omega L_2-\frac{1}{\omega C_2})]}{R_1+R_2+j(\omega L_1-\frac{1}{\omega C_1}+\omega L_2-\frac{1}{\omega C_2})} Z=\frac{[R_1+j(\omega L_1-\frac{1}{\omega C_1})][R_2+j(\omega L_2-\frac{1}{\omega C_2})]}{R_1+R_2+j(\omega L_1-\frac{1}{\omega C_1}+\omega L_2-\frac{1}{\omega C_2})}](/forum/latexrender/pictures/658a737ddbd8923123195dd0f98132dd.png)
È corretto?
In questo modo, sono pronto a ricavare il modulo del denominatore, ma ho qualche dubbio su come ricavare il modulo del numeratore, avendo un prodotto che non credo di saper risolvere.
Considerando che non ho mai studiato i numeri complessi, qualcuno sa spiegarmi come procedere affinché possa ricavare il modulo del numeratore?
Grazie!
Ciao,
Niki

Elettrotecnica e non solo (admin)
Un gatto tra gli elettroni (IsidoroKZ)
Esperienza e simulazioni (g.schgor)
Moleskine di un idraulico (RenzoDF)
Il Blog di ElectroYou (webmaster)
Idee microcontrollate (TardoFreak)
PICcoli grandi PICMicro (Paolino)
Il blog elettrico di carloc (carloc)
DirtEYblooog (dirtydeeds)
Di tutto... un po' (jordan20)
AK47 (lillo)
Esperienze elettroniche (marco438)
Telecomunicazioni musicali (clavicordo)
Automazione ed Elettronica (gustavo)
Direttive per la sicurezza (ErnestoCappelletti)
EYnfo dall'Alaska (mir)
Apriamo il quadro! (attilio)
H7-25 (asdf)
Passione Elettrica (massimob)
Elettroni a spasso (guidob)
Bloguerra (guerra)


e
il loro prodotto è uguale a:










e
e il parallelo lo puoi calcolare come 


, mentre il vettore semplicemente con
, giusto? In alcuni testi, ho visto che il vettore è indicato come
in neretto. Esiste una notazione formale o sono tutte notazioni equivalenti?
,
,
o
, ma in elettronica non si usa. Il punto è quello di distinguere in qualche modo le grandezze dipendenti dal tempo da quelle complesse: conviene allora denotare le grandezze nel dominio nel tempo con lettere minuscole
,
ecc. e i fasori associati con lettere maiuscole.
,
ecc.) conviene riservarlo per le matrici.
instead of
(Anonimo).
ain't
, right?
in lieu of
.
for
arithm.