da
oromoiluig » 11 apr 2013, 20:38
dici qui?
http://www.electroyou.it/isidorokz/wiki/sensitivity-iii-filtri-attivinon l'ho trovata . .
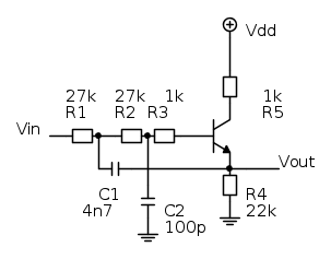
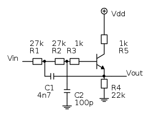
Io inizialmente pensavo che non avesse un grande impatto, ma poi ho simulato il circuito completo (che consta di due di questi filtri in serie, il primo ha i valori riportati qui, mentre il secondo ha C1=3n3, C2=470p), e i risultati della simulazione sono molto diversi da quelli misurati.
La simulazione l'ho fatta con Octave (Matlab) calcolando il prodotto delle funzioni di trasferimento dei singoli filtri, e poi applicando la trasformata bilineare per passare dai coefficienti in s ai coefficienti in z.
La funzione di trasferimento dei due filtri in serie - calcolata a manina - mi è venuta così, l'ho anche controllata due volte :

Ecco il risultato della simulazione, si vede chiaramente che la funzione di trasferimento misurata è diversa da quella calcolata:

- double_sallen_key.png (60.21 KiB) Osservato 5749 volte
Quale numerazione non capisci?