Salve ragazzi... sto avendo difficoltà nel risolvere il seguente circuito.. in particolare nel calcolo del potenziale secondo thevenin
vi allego ciò che sono riuscito a fare:
Calcolato Vth con I s non riesco a calcolare Vth con E s
xxxxxxxxxxxxxxxxxxxxxxxxxxxx
Punto di lavoro: circuiti resistivi non lineari
Moderatori:
g.schgor,
IsidoroKZ
9 messaggi
• Pagina 1 di 1
-1
voti
In pratica dovrei avere questa situazione: vedere allegato
xxxxxxxxxxxxxxxxxxxxxxxxxx
xxxxxxxxxxxxxxxxxxxxxxxxxx
-

ornitorinco91
-5 3 - Messaggi: 22
- Iscritto il: 10 gen 2013, 21:08
1
voti
dati
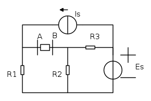
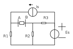
R1= 1 ohm
R2= 2 ohm
R3=2 ohm
Es=10 V
Is=6A
Note
A e B sono i due morsetti...nel fidocad non sapevo come indicarli... mentre ciò che è compreso in essi è un resistore non lineare
Ho trovato per prima cosa l'eq. di Thevenin
CALCOLO Rth
![\[R2 || R3 = 2*2/2+2 = 1 ohm; Rth= 1 + 1 = 2 ohm
\] \[R2 || R3 = 2*2/2+2 = 1 ohm; Rth= 1 + 1 = 2 ohm
\]](/forum/latexrender/pictures/73471e93361c8150e0cf3338014b7dd6.png)
CALCOLO VTH
principio sovr. effetti
Vth= vth (Es) + vth (Is)
![\[Vth = R1 * Is = 1 * 6 = 6 V
\] \[Vth = R1 * Is = 1 * 6 = 6 V
\]](/forum/latexrender/pictures/9d6c68bc2daabfa4472c2ac9623570a7.png)
Ora mi sono bloccato nel calcolo di Vth relativo al contributo Es
dovrei avere la seguente condizione:
-

ornitorinco91
-5 3 - Messaggi: 22
- Iscritto il: 10 gen 2013, 21:08
0
voti
Mi sono dimenticato di scrivere che è richiesto il calcolo della retta di carico , punto di lavoro e grafico... scusatemi
-

ornitorinco91
-5 3 - Messaggi: 22
- Iscritto il: 10 gen 2013, 21:08
3
voti
Fino allo schema dell'equivalente Thevenin con genertore di tensione va bene. Che tensione hai in quelle condizioni sul morsetto di sinistra, cioe` sul morsetto A? Puoi predenre per esempio la tensione rispetto al collegamento piu` in basso. Che tensione hai sul morsetto B rispetto allo stesso punto di prima? E a questo punto puoi calcolare la differenza di potenziale fra A e B.
Per usare proficuamente un simulatore, bisogna sapere molta più elettronica di lui
Plug it in - it works better!
Il 555 sta all'elettronica come Arduino all'informatica! (entrambi loro malgrado)
Se volete risposte rispondete a tutte le mie domande
Plug it in - it works better!
Il 555 sta all'elettronica come Arduino all'informatica! (entrambi loro malgrado)
Se volete risposte rispondete a tutte le mie domande
0
voti
ho questa condizione?
Vth (Es) + V R1 = 0?
Vth (Es) + V R1 = 0?
-

ornitorinco91
-5 3 - Messaggi: 22
- Iscritto il: 10 gen 2013, 21:08
1
voti
I give up. Non ho chiesto una condizione, che peraltro non e` comprensibile nella forma in cui l'hai scritta. Ho chiesto il potenziale di A e di B devono essere due NUMERI seguiti dalle lettera V (che sta per volt)
Per usare proficuamente un simulatore, bisogna sapere molta più elettronica di lui
Plug it in - it works better!
Il 555 sta all'elettronica come Arduino all'informatica! (entrambi loro malgrado)
Se volete risposte rispondete a tutte le mie domande
Plug it in - it works better!
Il 555 sta all'elettronica come Arduino all'informatica! (entrambi loro malgrado)
Se volete risposte rispondete a tutte le mie domande
0
voti
devo utilizzare il partitore di tensione?
-

ornitorinco91
-5 3 - Messaggi: 22
- Iscritto il: 10 gen 2013, 21:08
9 messaggi
• Pagina 1 di 1
Torna a Elettrotecnica generale
Chi c’è in linea
Visitano il forum: Nessuno e 121 ospiti

Elettrotecnica e non solo (admin)
Un gatto tra gli elettroni (IsidoroKZ)
Esperienza e simulazioni (g.schgor)
Moleskine di un idraulico (RenzoDF)
Il Blog di ElectroYou (webmaster)
Idee microcontrollate (TardoFreak)
PICcoli grandi PICMicro (Paolino)
Il blog elettrico di carloc (carloc)
DirtEYblooog (dirtydeeds)
Di tutto... un po' (jordan20)
AK47 (lillo)
Esperienze elettroniche (marco438)
Telecomunicazioni musicali (clavicordo)
Automazione ed Elettronica (gustavo)
Direttive per la sicurezza (ErnestoCappelletti)
EYnfo dall'Alaska (mir)
Apriamo il quadro! (attilio)
H7-25 (asdf)
Passione Elettrica (massimob)
Elettroni a spasso (guidob)
Bloguerra (guerra)




