Trigger a soglia
Moderatori:
carloc,
g.schgor,
BrunoValente,
IsidoroKZ
21 messaggi
• Pagina 2 di 3 • 1, 2, 3
0
voti
[11] Re: Trigger a soglia
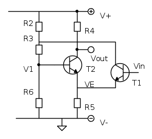
Nella mia scuola la maggior parte dei professori pensano all'ambizione personale, comunque la V1 è un partitore, quindi sarà V1= (V+ x R6)/(R2+R3+R6) sbaglio? la VE=(V+)-VCE ?
5
voti
[12] Re: Trigger a soglia
Giusto, quella e` la tensione V1. Quando colleghi la base la tensione praticamente non cambia (molto), e quindi quanto vale la tensione di emettitore VE? Ricorda come si comporta un transistore in zona attiva, che tensione c'e` fra base ed emettitore. Passare dalla VCE non e` quasi mai una buona idea.
Che cosa vuol dire che pensano all'ambizione personale? Oltre che stronzi (come quasi tutti) anche vanitosi?
Che cosa vuol dire che pensano all'ambizione personale? Oltre che stronzi (come quasi tutti) anche vanitosi?
Per usare proficuamente un simulatore, bisogna sapere molta più elettronica di lui
Plug it in - it works better!
Il 555 sta all'elettronica come Arduino all'informatica! (entrambi loro malgrado)
Se volete risposte rispondete a tutte le mie domande
Plug it in - it works better!
Il 555 sta all'elettronica come Arduino all'informatica! (entrambi loro malgrado)
Se volete risposte rispondete a tutte le mie domande
0
voti
[13] Re: Trigger a soglia
per la VE allora non me lo ricordo proprio adesso scusami
e si vanitosi, non vogliono fare brutta figura davanti ad altri professori. per esempio quest'anno è uscito telecomunicazioni in seconda prova ed è anche esterno. il nostro professore sta facendo tutti gli argomenti possibili inimmaginabili togliendoci la possibilità di poter chiedere di rispiegare un argomento magari. dice che non ha tempo e che noi dobbiamo stargli dietro sennò sono affari nostri lui non ci vuole entrare di mezzo magari se qualche argomento non lo sappiamo perché lui è a posto con la sua coscienza perché tanto lui in programma lo ha messo quindi se ne lava bene le mani -.-
e si vanitosi, non vogliono fare brutta figura davanti ad altri professori. per esempio quest'anno è uscito telecomunicazioni in seconda prova ed è anche esterno. il nostro professore sta facendo tutti gli argomenti possibili inimmaginabili togliendoci la possibilità di poter chiedere di rispiegare un argomento magari. dice che non ha tempo e che noi dobbiamo stargli dietro sennò sono affari nostri lui non ci vuole entrare di mezzo magari se qualche argomento non lo sappiamo perché lui è a posto con la sua coscienza perché tanto lui in programma lo ha messo quindi se ne lava bene le mani -.-
7
voti
[14] Re: Trigger a soglia
Pana ha scritto:per la VE allora non me lo ricordo proprio adesso scusami![]()
Questa e` piu` grave, direi che manchi l'elettronica di base, forse dell'anno scorso (o forse addirittura in terza)! In un transitore in conduzione (in linearita` addirittura) quanto vale la tensione fra base ed emettitore? La
? Pana ha scritto:il nostro professore sta facendo tutti gli argomenti possibili inimmaginabili togliendoci la possibilità di poter chiedere di rispiegare un argomento magari.
Ma che bast... pretendere che uno studi a ritmi elevati, magari anche passando ore e ore sui libri fuori della scuola!
Proviamo ad aggiungere il transistore T1, per trovare a che tensione di ingresso si accende.
Bisogna supporre T1 spento e calcolare la tensione VE. Supponi di sapere il valore di VE: a che tensione deve andare la base di T1, quindi a che valore deve andare Vin perche' il transistore T1 si accenda? In quali condizioni un transistore si accende?
Per usare proficuamente un simulatore, bisogna sapere molta più elettronica di lui
Plug it in - it works better!
Il 555 sta all'elettronica come Arduino all'informatica! (entrambi loro malgrado)
Se volete risposte rispondete a tutte le mie domande
Plug it in - it works better!
Il 555 sta all'elettronica come Arduino all'informatica! (entrambi loro malgrado)
Se volete risposte rispondete a tutte le mie domande
1
voti
[15] Re: Trigger a soglia
Terzo anno di congegnatore meccanico, IPSIA, in classe (numerosa) parecchi addirittura non sanno fare le divisioni a due cifre (all'epoca le calcolatrici erano vietatissime), arriva un professore bravissimo che riesce a portare tutta la classe a finire il programma (trigonometria) per l'esame di qualifica. Risultato ? I pochi (io e... un altro) che vanno a fare il biennio per l'esame di maturità si ritrovano handicappati totali con le equazioni e i sistemi di equazioni.
"Non farei mai parte di un club che accettasse la mia iscrizione" (G. Marx)
-

claudiocedrone
21,3k 4 7 9 - Master EY

- Messaggi: 15302
- Iscritto il: 18 gen 2012, 13:36
0
voti
[16] Re: Trigger a soglia
IsidoroKZ ha scritto:
Questa e` piu` grave, direi che manchi l'elettronica di base, forse dell'anno scorso (o forse addirittura in terza)! In un transitore in conduzione (in linearita` addirittura) quanto vale la tensione fra base ed emettitore? La VBE?
può valere 0,7?
Pana ha scritto:
il nostro professore sta facendo tutti gli argomenti possibili inimmaginabili togliendoci la possibilità di poter chiedere di rispiegare un argomento magari.
IsidoroKZ ha scritto:
Ma che bast... pretendere che uno studi a ritmi elevati, magari anche passando ore e ore sui libri fuori della scuola!
lascia fare guarda ci sta facendo smattare di brutto!
IsidoroKZ ha scritto:
Proviamo ad aggiungere il transistore T1, per trovare a che tensione di ingresso si accende.
Bisogna supporre T1 spento e calcolare la tensione VE. Supponi di sapere il valore di VE: a che tensione deve andare la base di T1, quindi a che valore deve andare Vin perche' il transistore T1 si accenda? In quali condizioni un transistore si accende?
dovrà avere una tensione maggiore di VE
2
voti
[17] Re: Trigger a soglia
Si`, la VBE per il transistore acceso e` di circa 0.7V. Chiamiamo questa tensione VBE, praticamente costante.
La tensione di base VB del transistore 2, trascurando la corrente di base, l'hai gia` calcolata con il partitore. La tensione di emettitore vale VE=VB-VBE. Questa e` la tensione di emettitore anche di T1. A che tensione deve salire la base di T1 perche' T1 conduca? Non basta che la tensione di base di T1 sia pari a VE per accenderlo, deve essere una VBE sopra la tensione di emettitore.
Adesso dovresti essere in grado di scrivere la tensione (approssimata) che messa sulla base di T1 accende T1: questa e` la tensione di soglia alta, o tensione di soglia superiore: quando arrivi a questa tensione T1 si accende e T2 si spegne.
La tensione di base VB del transistore 2, trascurando la corrente di base, l'hai gia` calcolata con il partitore. La tensione di emettitore vale VE=VB-VBE. Questa e` la tensione di emettitore anche di T1. A che tensione deve salire la base di T1 perche' T1 conduca? Non basta che la tensione di base di T1 sia pari a VE per accenderlo, deve essere una VBE sopra la tensione di emettitore.
Adesso dovresti essere in grado di scrivere la tensione (approssimata) che messa sulla base di T1 accende T1: questa e` la tensione di soglia alta, o tensione di soglia superiore: quando arrivi a questa tensione T1 si accende e T2 si spegne.
Per usare proficuamente un simulatore, bisogna sapere molta più elettronica di lui
Plug it in - it works better!
Il 555 sta all'elettronica come Arduino all'informatica! (entrambi loro malgrado)
Se volete risposte rispondete a tutte le mie domande
Plug it in - it works better!
Il 555 sta all'elettronica come Arduino all'informatica! (entrambi loro malgrado)
Se volete risposte rispondete a tutte le mie domande
2
voti
[19] Re: Trigger a soglia
Questo e` solo mezzo comportamento. Poi bisogna trovare l'altra soglia!
Per usare proficuamente un simulatore, bisogna sapere molta più elettronica di lui
Plug it in - it works better!
Il 555 sta all'elettronica come Arduino all'informatica! (entrambi loro malgrado)
Se volete risposte rispondete a tutte le mie domande
Plug it in - it works better!
Il 555 sta all'elettronica come Arduino all'informatica! (entrambi loro malgrado)
Se volete risposte rispondete a tutte le mie domande
21 messaggi
• Pagina 2 di 3 • 1, 2, 3
Chi c’è in linea
Visitano il forum: Nessuno e 273 ospiti

Elettrotecnica e non solo (admin)
Un gatto tra gli elettroni (IsidoroKZ)
Esperienza e simulazioni (g.schgor)
Moleskine di un idraulico (RenzoDF)
Il Blog di ElectroYou (webmaster)
Idee microcontrollate (TardoFreak)
PICcoli grandi PICMicro (Paolino)
Il blog elettrico di carloc (carloc)
DirtEYblooog (dirtydeeds)
Di tutto... un po' (jordan20)
AK47 (lillo)
Esperienze elettroniche (marco438)
Telecomunicazioni musicali (clavicordo)
Automazione ed Elettronica (gustavo)
Direttive per la sicurezza (ErnestoCappelletti)
EYnfo dall'Alaska (mir)
Apriamo il quadro! (attilio)
H7-25 (asdf)
Passione Elettrica (massimob)
Elettroni a spasso (guidob)
Bloguerra (guerra)



