FidoCadJ ?????
purtroppo il cirillico non e' il mio forte.
4 led in sequenza
Moderatori:
carloc,
g.schgor,
BrunoValente,
IsidoroKZ
17 messaggi
• Pagina 2 di 2 • 1, 2
2
voti
Sei ancora interessato al progetto?
Ha ripristinato Multisim e sono quindi ora in grado
si eseguire la simulazione.
Se hai deciso come deve funzionare (se spegnere
i LED contemporaneamente o nella stessa sequenza
d'accensione), possiamo vedere il dettaglio.
Ha ripristinato Multisim e sono quindi ora in grado
si eseguire la simulazione.
Se hai deciso come deve funzionare (se spegnere
i LED contemporaneamente o nella stessa sequenza
d'accensione), possiamo vedere il dettaglio.
0
voti
sicuramente interessato.
possono spegnersi contemporaneamente.
grazie
possono spegnersi contemporaneamente.
grazie
-

ilpiuvecchio
8 2 - Messaggi: 22
- Iscritto il: 8 dic 2010, 8:37
2
voti
Bene.allora suggerisco di procedere per gradi
realizzando per prima cosa l'oscillatore con 555.
Per un clock (CLK) di 0.5s i valori dei componenti
devono essere C=10uF, R1=10K, R2=33K.
Quando questo funziona, passiamo allo shift register.
realizzando per prima cosa l'oscillatore con 555.
Per un clock (CLK) di 0.5s i valori dei componenti
devono essere C=10uF, R1=10K, R2=33K.
Quando questo funziona, passiamo allo shift register.
0
voti
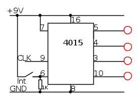
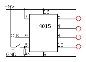
Ecco allora la seconda parte:
Il segnale CLK proviene dall'oscillatore,
mentre Int è l'interruttore di Reset.
I cerchietti rossi rappresentano i LED, ciascuno
comandato da un circuito come questo
I transistor possono essere BC457B (o equiv.).
Credo sia sufficientemente chiaro, ma se
vuoi saperne di più vedi doctronics 4015.
Il segnale CLK proviene dall'oscillatore,
mentre Int è l'interruttore di Reset.
I cerchietti rossi rappresentano i LED, ciascuno
comandato da un circuito come questo
I transistor possono essere BC457B (o equiv.).
Credo sia sufficientemente chiaro, ma se
vuoi saperne di più vedi doctronics 4015.
17 messaggi
• Pagina 2 di 2 • 1, 2
Chi c’è in linea
Visitano il forum: Nessuno e 76 ospiti

Elettrotecnica e non solo (admin)
Un gatto tra gli elettroni (IsidoroKZ)
Esperienza e simulazioni (g.schgor)
Moleskine di un idraulico (RenzoDF)
Il Blog di ElectroYou (webmaster)
Idee microcontrollate (TardoFreak)
PICcoli grandi PICMicro (Paolino)
Il blog elettrico di carloc (carloc)
DirtEYblooog (dirtydeeds)
Di tutto... un po' (jordan20)
AK47 (lillo)
Esperienze elettroniche (marco438)
Telecomunicazioni musicali (clavicordo)
Automazione ed Elettronica (gustavo)
Direttive per la sicurezza (ErnestoCappelletti)
EYnfo dall'Alaska (mir)
Apriamo il quadro! (attilio)
H7-25 (asdf)
Passione Elettrica (massimob)
Elettroni a spasso (guidob)
Bloguerra (guerra)




