Cos'è ElectroYou | Login Iscriviti

ElectroYou - la comunità dei professionisti del mondo elettrico

Problema calcolo Potenze su circuito

Circuiti, campi elettromagnetici e teoria delle linee di trasmissione e distribuzione dell’energia elettrica

Moderatori: Foto Utenteg.schgor, Foto UtenteIsidoroKZ

0
voti

[1] Problema calcolo Potenze su circuito

Messaggioda Foto Utentesnaffo » 25 apr 2013, 19:37

Ciao a tutti, chiedo gentilmente il vostro aiuto per risolvere i miei dubbi su questo esercizio...eccovelo:



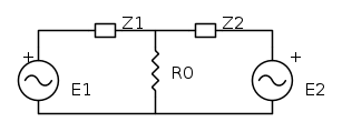
Ecco i dati:
E_1= 200 \, V
R_0=100 \, \Omega
Z_1=100+j200
Z_2=50-j100

Quesiti:

A) Calcolare il valore di E2 (valore efficace e differenza di fase rispetto a E1) così che il generatore E2 non eroghi né assorba alcuna potenza (escludere il caso E2 = 0).
B) Determinare il valore di E2 (valore efficace e differenza di fase rispetto a E1) in modo che il generatore E1 non eroghi né assorba alcuna potenza; calcolare inoltre i valori massimo e minimo della potenza istantanea erogata dal generatore E2.

Sul punto A ho risolto tagliando con Thevenin inglobando tutto quello a sinistra di E_2

Trovando una Z_{TH}=125-j75 e un E_{TH}=50-j50
Ora facendo il modulo del generatore equivalente ottengo E_{TH}=70,71 \, V \, \phi_2=-45 °

Ora non riesco a capire perché il generatore E_2 deve avere anch'esso questo valore efficacie per soddisfare il punto B.
Come dimostro che questo generatore non eroga ne assorbe potenza??

Per il punto C buio più totale, sono sicuro che mi sfugge qualcosa perché ci ho perso 4 ore filate di ragionamenti misti a far tornare i risultati a forza; sicuramente sbaglio totalmente approccio perché mi trovo ad avere troppe incognite per poche equazioni (in questo caso il valore efficacie di E_1 diventa incognito?).

Se qualche anima pia oltre a darmi un'input scontato (provaci con le potenze complesse ecc ecc) potrebbe impostarmi i passaggi sarebbe gentilissimo.

Per i temerari che ci provino ecco i risultati del quesito B:
E_2=360.6 \, V , \phi_2=-33,7 ° , P_{2 \, MAX}= 1321,1 W , P_{2 \, MIN}= -121,1W

Colgo l'occasione anche per fare un'augurio per un buon 25 aprile!
Avatar utente
Foto Utentesnaffo
185 1 6
 
Messaggi: 36
Iscritto il: 17 mar 2013, 19:16

5
voti

[2] Re: Problema calcolo Potenze su circuito

Messaggioda Foto UtenteRenzoDF » 25 apr 2013, 23:46

Per B basterà che la corrente in R0 uguagli E1

{{I}_{0}}=\frac{{{E}_{1}}}{{{R}_{0}}}=2\,\text{A}

dalla quale

{{E}_{2}}={{I}_{0}}({{R}_{0}}+{{Z}_{2}})

per C ti basterà ricordare che la potenza istantanea puo' essere scritta come

p(t)={{E}_{2}}{{I}_{0}}(\cos {{\phi }_{2}}-\cos (2\omega t-{{\phi }_{2}}))

e di conseguenza

\begin{align}
  & {{P}_{2Max}}={{E}_{2}}{{I}_{0}}(\cos {{\phi }_{2}}+1) \\ 
 & {{P}_{2Min}}={{E}_{2}}{{I}_{0}}(\cos {{\phi }_{2}}-1) \\ 
\end{align}
"Il circuito ha sempre ragione" (Luigi Malesani)
Avatar utente
Foto UtenteRenzoDF
55,9k 8 12 13
G.Master EY
G.Master EY
 
Messaggi: 13189
Iscritto il: 4 ott 2008, 9:55

0
voti

[3] Re: Problema calcolo Potenze su circuito

Messaggioda Foto Utentesnaffo » 26 apr 2013, 13:33

Grazie RenzoDF sei stato gentilissimo!

RenzoDF ha scritto:Per B basterà che la corrente in R0 uguagli E1

{{I}_{0}}=\frac{{{E}_{1}}}{{{R}_{0}}}=2\,\text{A}

dalla quale

{{E}_{2}}={{I}_{0}}({{R}_{0}}+{{Z}_{2}})


In base a cosa posso fare questi due semplici passaggi??
perché I_0 è determinata esclusivamente da E_1 e non anche da E_2?
Sui nodi ai capi di R_0 se uno dei due generatori non fornisce ne eroga potenza significa che esso non influisce su tale tensione?
Avatar utente
Foto Utentesnaffo
185 1 6
 
Messaggi: 36
Iscritto il: 17 mar 2013, 19:16

5
voti

[4] Re: Problema calcolo Potenze su circuito

Messaggioda Foto UtenteRenzoDF » 26 apr 2013, 16:04

snaffo ha scritto:In base a cosa posso fare questi due semplici passaggi??




Se E1 non deve erogare nessuna potenza, significa che

{{I}_{1}}=0

ovvero non c'è differenza di potenziale ai capi di Z1, facendola lunga, ne segue che

{{V}_{A}}={{V}_{B}}

e quindi

{{V}_{B}}={{E}_{1}}

dato che I1 è nulla, avremo perciò che

{{I}_{2}}={{I}_{0}}=\frac{{{V}_{B}}}{{{R}_{0}}}=\frac{{{E}_{1}}}{{{R}_{0}}}

ed inoltre, potremo calcolare la tensione ai morsetti del secondo generatore come

{{E}_{2}}={{I}_{0}}({{R}_{0}}+{{Z}_{2}})={{E}_{1}}\left( 1+\frac{{{Z}_{2}}}{{{R}_{0}}} \right)
"Il circuito ha sempre ragione" (Luigi Malesani)
Avatar utente
Foto UtenteRenzoDF
55,9k 8 12 13
G.Master EY
G.Master EY
 
Messaggi: 13189
Iscritto il: 4 ott 2008, 9:55


Torna a Elettrotecnica generale

Chi c’è in linea

Visitano il forum: Nessuno e 79 ospiti