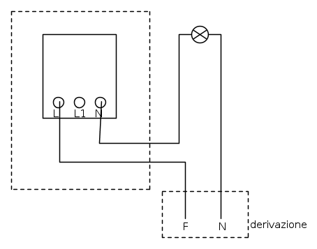
Ho acquistato un dimmer della bticino L4402N e vorrei collegarci una lampadina alogena..
Vorrei prendere la corrente da un deviatore al quale sono collegati due fili arancioni e uno nero.
Ho visto con un cerca fase che uno dei due arancioni porta la corrente, gli altri due no.
Il dimmer ha 3 punti da collegare L L1 N.
È formato da un interruttore ed una manopola.
Vorrei usarlo come interruttore in quanto la lampadina deve essere comandata solo dal dimmer, non ha altri punti di comando.
Come dovrei procedere per collegare i fili?
Aiutooooo

Elettrotecnica e non solo (admin)
Un gatto tra gli elettroni (IsidoroKZ)
Esperienza e simulazioni (g.schgor)
Moleskine di un idraulico (RenzoDF)
Il Blog di ElectroYou (webmaster)
Idee microcontrollate (TardoFreak)
PICcoli grandi PICMicro (Paolino)
Il blog elettrico di carloc (carloc)
DirtEYblooog (dirtydeeds)
Di tutto... un po' (jordan20)
AK47 (lillo)
Esperienze elettroniche (marco438)
Telecomunicazioni musicali (clavicordo)
Automazione ed Elettronica (gustavo)
Direttive per la sicurezza (ErnestoCappelletti)
EYnfo dall'Alaska (mir)
Apriamo il quadro! (attilio)
H7-25 (asdf)
Passione Elettrica (massimob)
Elettroni a spasso (guidob)
Bloguerra (guerra)





