Le soluzioni sono:
![\[Req=\frac{rR}{r+R(1+a)}\] \[Req=\frac{rR}{r+R(1+a)}\]](/forum/latexrender/pictures/469c7db4cb11016b5d72fb34d0587ab9.png)
Moderatori:
g.schgor,
IsidoroKZ
![\[Req=\frac{rR}{r+R(1+a)}\] \[Req=\frac{rR}{r+R(1+a)}\]](/forum/latexrender/pictures/469c7db4cb11016b5d72fb34d0587ab9.png)
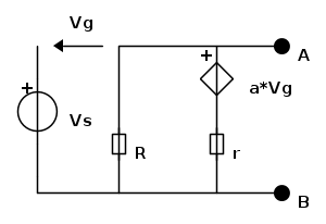
passivi i generatori indipendenti (cortocircuito se il generatore è di tensione, circuito aperto se si tratta di un generatore di corrente) i generatori controllati invece NON devono essere passivati. Una volta fatto ciò poni ai morsetti A-B un generatore (di corrente o di tensione) di valore noto e calcoli la
semplicemente come
. Se fissi la corrente calcolelerai
altrimenti se fissi la tensione calcolerai
. In questo caso mi sa che conviene fissare la tensione.
ritorni al circuito di partenza e in questo caso non devi passivare nulla.
che forse è la parte appena più complessa:
e inserisco ai morsetti a-b un generatore di tensione da 1V.
dove
e
con
, sostituisci all'interno della prima KCL e ottieni
.
,
(il paramentro che abbiamo fissato precedentemente), e
ce lo siamo ricavati prima. Ne consegue dunque che
che è la soluzione che hai inserito tu.

Torna a Elettrotecnica generale
Visitano il forum: Nessuno e 113 ospiti