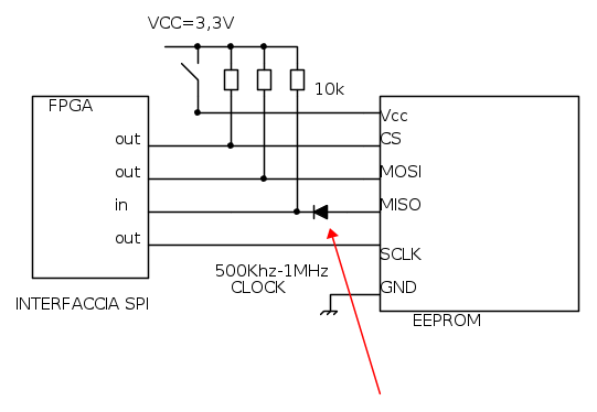
ciao a tutti vorrei connettermi ad una eeprom seriale SPI tramite la mai FPGA in questo modo
il diodo evidenziato dalla freccia rossa potrebbe causarmi dei problemi? i livelli logici del segnale potrebbero non essere corretti?
Il diodo avevo in mente di aggiungerlo perché è necessario che la FPGA legga un 1 (dato dal pull-UP) su quello specifico ingresso quando la eeprom è spenta.
Fatemi sapere grazie
diodo uscita eeprom
Moderatori:
carloc,
g.schgor,
BrunoValente,
IsidoroKZ
21 messaggi
• Pagina 1 di 3 • 1, 2, 3
0
voti
franticEY ha scritto:Il diodo avevo in mente di aggiungerlo perché è necessario che la FPGA legga un 1 (dato dal pull-UP) su quello specifico ingresso quando la eeprom è spenta.
Perché, il pin MISO della E²PROM quando questa è spenta va a stato logico basso o magari è ad alta impedenza?
0
voti
Si.
"La follia sta nel fare sempre la stessa cosa aspettandosi risultati diversi".
"Parla soltanto quando sei sicuro che quello che dirai è più bello del silenzio".
Rispondere è cortesia, ma lasciare l'ultima parola ai cretini è arte.
"Parla soltanto quando sei sicuro che quello che dirai è più bello del silenzio".
Rispondere è cortesia, ma lasciare l'ultima parola ai cretini è arte.
-

TardoFreak
73,9k 8 12 13 - -EY Legend-

- Messaggi: 15754
- Iscritto il: 16 dic 2009, 11:10
- Località: Torino - 3° pianeta del Sistema Solare
1
voti
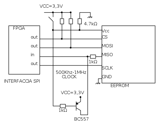
Oppure un mosfet comandato dalla Vdd (o Vcc che sia)
"La follia sta nel fare sempre la stessa cosa aspettandosi risultati diversi".
"Parla soltanto quando sei sicuro che quello che dirai è più bello del silenzio".
Rispondere è cortesia, ma lasciare l'ultima parola ai cretini è arte.
"Parla soltanto quando sei sicuro che quello che dirai è più bello del silenzio".
Rispondere è cortesia, ma lasciare l'ultima parola ai cretini è arte.
-

TardoFreak
73,9k 8 12 13 - -EY Legend-

- Messaggi: 15754
- Iscritto il: 16 dic 2009, 11:10
- Località: Torino - 3° pianeta del Sistema Solare
0
voti
-

PietroBaima
90,7k 7 12 13 - G.Master EY

- Messaggi: 12206
- Iscritto il: 12 ago 2012, 1:20
- Località: Londra
0
voti
da datasheet l'uscita MISO della e2prom risulta essere in alta impedenza quando essa è alimentata. Quando è spenta il pup non riesce a portare a 3 volt quel pin. immagino sia un comportamento prevedibile ma mi piacerebbe sapere come è fatta dentro circuitalmente la memoria, in particolare l'uscita....
21 messaggi
• Pagina 1 di 3 • 1, 2, 3
Chi c’è in linea
Visitano il forum: Nessuno e 134 ospiti

Elettrotecnica e non solo (admin)
Un gatto tra gli elettroni (IsidoroKZ)
Esperienza e simulazioni (g.schgor)
Moleskine di un idraulico (RenzoDF)
Il Blog di ElectroYou (webmaster)
Idee microcontrollate (TardoFreak)
PICcoli grandi PICMicro (Paolino)
Il blog elettrico di carloc (carloc)
DirtEYblooog (dirtydeeds)
Di tutto... un po' (jordan20)
AK47 (lillo)
Esperienze elettroniche (marco438)
Telecomunicazioni musicali (clavicordo)
Automazione ed Elettronica (gustavo)
Direttive per la sicurezza (ErnestoCappelletti)
EYnfo dall'Alaska (mir)
Apriamo il quadro! (attilio)
H7-25 (asdf)
Passione Elettrica (massimob)
Elettroni a spasso (guidob)
Bloguerra (guerra)






pigreco]=π