ciao a tutti ho delle difficoltà con questo esercizio. Qualcuno potrebbe risolverlo e spiegarmi i passaggi?
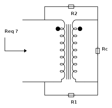
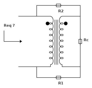
Bisogna calcolare la resistenza equivalente di questo circuito:
Resistenza equivalente trasformatore ideale
Moderatori:
g.schgor,
IsidoroKZ
5 messaggi
• Pagina 1 di 1
0
voti
Ciao
mattejuv.
Per facilitare le risposte, ti consiglio di postare quella che secondo te può essere la strada per arrivare alla soluzione.
In questo modo rendi nota la tua preparazione su questo argomento, ed inoltre puoi indicare i punti in cui trovi difficoltà.
Per le formule usa LATEX.
mattejuv ha scritto:....ho delle difficoltà con questo esercizio. Qualcuno potrebbe risolverlo e spiegarmi i passaggi?
Per facilitare le risposte, ti consiglio di postare quella che secondo te può essere la strada per arrivare alla soluzione.
In questo modo rendi nota la tua preparazione su questo argomento, ed inoltre puoi indicare i punti in cui trovi difficoltà.
Per le formule usa LATEX.
4
voti
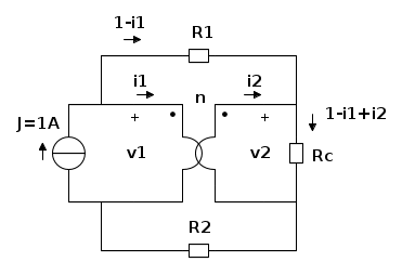
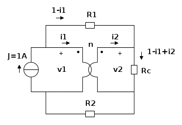
Supponendo di usare un GIC forzante unitario al primario, direi che basti aggiungere alle due equazioni costitutive del trasformatore un paio di KVL

in questo modo v1 rappresenterà proprio il valore della resistenza equivalente cercata.
Edit ... anche se è un risultato da controllare, forse


in questo modo v1 rappresenterà proprio il valore della resistenza equivalente cercata.
Edit ... anche se è un risultato da controllare, forse

"Il circuito ha sempre ragione" (Luigi Malesani)
0
voti
adesso ho capito grazie mille
prima non riuscivo a farlo perché avevo messo un generatore di tensione al posto di quello di corrente. C'è qualche regola particolare che dice quando mettere il generatore di tensione oppure quello di corrente o bisogna affidarsi al caso?
prima non riuscivo a farlo perché avevo messo un generatore di tensione al posto di quello di corrente. C'è qualche regola particolare che dice quando mettere il generatore di tensione oppure quello di corrente o bisogna affidarsi al caso?3
voti
mattejuv ha scritto:... non riuscivo a farlo perché avevo messo un generatore di tensione al posto di quello di corrente.C'è qualche regola particolare che dice quando mettere il generatore di tensione oppure quello di corrente o bisogna affidarsi al caso?
Non cambia nulla, usando un GIT unitario avresti calcolato la corrente i erogata dallo stesso usando un sistema di pari difficoltà,

per poi determinare

-------------------------------------------------------------------------------------
Edit ... un metodo alternativo poteva essere anche quello di portare Rc al primario per "togliersela dai piedi" e semplificare la rete prima del calcolo, in questo caso

e quindi, considerata la rete semplificata dall'asportazione di detta
, avremo potuto scrivere 
dalla quale

calcolando una resistenza parziale

al fine di calcolare la resistenza equivalente da

-------------------------------------------------------------------------
Edit 2 ... ma ovviamente, il metodo migliore è quello "egizio"


ed infine

.
"Il circuito ha sempre ragione" (Luigi Malesani)
5 messaggi
• Pagina 1 di 1
Torna a Elettrotecnica generale
Chi c’è in linea
Visitano il forum: Nessuno e 32 ospiti

Elettrotecnica e non solo (admin)
Un gatto tra gli elettroni (IsidoroKZ)
Esperienza e simulazioni (g.schgor)
Moleskine di un idraulico (RenzoDF)
Il Blog di ElectroYou (webmaster)
Idee microcontrollate (TardoFreak)
PICcoli grandi PICMicro (Paolino)
Il blog elettrico di carloc (carloc)
DirtEYblooog (dirtydeeds)
Di tutto... un po' (jordan20)
AK47 (lillo)
Esperienze elettroniche (marco438)
Telecomunicazioni musicali (clavicordo)
Automazione ed Elettronica (gustavo)
Direttive per la sicurezza (ErnestoCappelletti)
EYnfo dall'Alaska (mir)
Apriamo il quadro! (attilio)
H7-25 (asdf)
Passione Elettrica (massimob)
Elettroni a spasso (guidob)
Bloguerra (guerra)






