Un saluto a tutti, innanzi tutto.
Vorrei sapere, come arrivare ad ottenere, partendo da una tensione di 12V 1A alternata, una di 12V continua.
Devo alimentare un circuitino che ha un assorbimento di 20mA.
Mi hanno suggerito un ponte raddrizzatore più uno stabilizzatore LM7812.
Grazie per la cortesia.
Da 12Vac a 12Vcc
Moderatori:
carloc,
g.schgor,
BrunoValente,
IsidoroKZ
23 messaggi
• Pagina 1 di 3 • 1, 2, 3
0
voti
Penso siano volt efficaci (quindi 16.8V di picco).
Con un 7812 dovresti stabilizzarlo a 12Vcc, ma
attenzione ci vuole un condensatore elettrolitico
fra il ponte e l'ingresso del 7812..
dato il basso assorbiment di correnteo, 10uF dovrebbero bastare.
Con un 7812 dovresti stabilizzarlo a 12Vcc, ma
attenzione ci vuole un condensatore elettrolitico
fra il ponte e l'ingresso del 7812..
dato il basso assorbiment di correnteo, 10uF dovrebbero bastare.
0
voti
Quando si da` il valore di tensione di una alternata praticamente sempre si indica il valore efficace.
Come diceva
g.schgor ci vuole anche un condensatore elettrolitico dopo il ponte. Io lo metterei piu` grande, direi 100uF.
Come diceva
Per usare proficuamente un simulatore, bisogna sapere molta più elettronica di lui
Plug it in - it works better!
Il 555 sta all'elettronica come Arduino all'informatica! (entrambi loro malgrado)
Se volete risposte rispondete a tutte le mie domande
Plug it in - it works better!
Il 555 sta all'elettronica come Arduino all'informatica! (entrambi loro malgrado)
Se volete risposte rispondete a tutte le mie domande
1
voti
Considerando il valore di picco della sinusoide all'ingresso pari a circa 17V, una caduta sui diodi del ponte di circa 2 V e un dropout di 2V come da datasheet, il ripple ammissibile sul condensatore è di circa 1V. Quindi dato che:


come valore normalizzato.
Spero di non aver fatto errori!

0
voti
Anche 220uF possono andare bene.
Mi ero fermato a 100uF perche' avevo considerato che a quei livelli di corrente la caduta di tensione sui diodi del ponte e` un po' piu` bassa del solito volt per diodo, che la tensione di drop out richiesta dal 7812 e` piu` bassa di quella solita (ma non sono andato a controllare e comunque non c'e` il grafico worst case), che se il trasformatore e` da 1A e lavora solo con questo carico fornisce una tensione un po' maggiore di 12V (qui ammetto che ho guardato nella palla di cristallo (*)), e infine la formula che abbiamo usato per il calcolo della capacita` sovrastima il valore necessario. Tutto cio` detto, 220uF e` una buona scelta, piu` professionale in quanto comprende anche l'effetto di massima sfiga.
(*) Avevo anche cominciato a scrivere qualcosa sulle precauzioni da prendere nel collegamento dei riferimenti se lo stesso trasformatore alimenta anche qualcos'altro, magari in ac, poi ho cancellato.
Mi ero fermato a 100uF perche' avevo considerato che a quei livelli di corrente la caduta di tensione sui diodi del ponte e` un po' piu` bassa del solito volt per diodo, che la tensione di drop out richiesta dal 7812 e` piu` bassa di quella solita (ma non sono andato a controllare e comunque non c'e` il grafico worst case), che se il trasformatore e` da 1A e lavora solo con questo carico fornisce una tensione un po' maggiore di 12V (qui ammetto che ho guardato nella palla di cristallo (*)), e infine la formula che abbiamo usato per il calcolo della capacita` sovrastima il valore necessario. Tutto cio` detto, 220uF e` una buona scelta, piu` professionale in quanto comprende anche l'effetto di massima sfiga.
(*) Avevo anche cominciato a scrivere qualcosa sulle precauzioni da prendere nel collegamento dei riferimenti se lo stesso trasformatore alimenta anche qualcos'altro, magari in ac, poi ho cancellato.
Per usare proficuamente un simulatore, bisogna sapere molta più elettronica di lui
Plug it in - it works better!
Il 555 sta all'elettronica come Arduino all'informatica! (entrambi loro malgrado)
Se volete risposte rispondete a tutte le mie domande
Plug it in - it works better!
Il 555 sta all'elettronica come Arduino all'informatica! (entrambi loro malgrado)
Se volete risposte rispondete a tutte le mie domande
0
voti
Il mio era un valore dato "ad occhio", ma una simulazione
dimostrerebbe che con un assorbimento di 20mA ed un condensatore da 10uF
la tensione di ingresso del regolatore non dovrebbe scendere sotto i 15V.
Ovviamente 10 uF è un minimo e 100uF è .... meglio
(ma 220uF mi sembre eccessivo)
dimostrerebbe che con un assorbimento di 20mA ed un condensatore da 10uF
la tensione di ingresso del regolatore non dovrebbe scendere sotto i 15V.
Ovviamente 10 uF è un minimo e 100uF è .... meglio
(ma 220uF mi sembre eccessivo)
0
voti
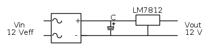
[10] Re: Da 12Vac a 12Vcc
Lo schema del circuito è questo:
Per il condensatore C puoi seguire o le indicazioni di Isidoro(100 uF, 35V) o le mie(220uF, 35V), l'occupazione a livello di spazio non differisce più di tanto.
Ciao
Per il condensatore C puoi seguire o le indicazioni di Isidoro(100 uF, 35V) o le mie(220uF, 35V), l'occupazione a livello di spazio non differisce più di tanto.
Ciao
23 messaggi
• Pagina 1 di 3 • 1, 2, 3
Chi c’è in linea
Visitano il forum: Google [Bot] e 33 ospiti

Elettrotecnica e non solo (admin)
Un gatto tra gli elettroni (IsidoroKZ)
Esperienza e simulazioni (g.schgor)
Moleskine di un idraulico (RenzoDF)
Il Blog di ElectroYou (webmaster)
Idee microcontrollate (TardoFreak)
PICcoli grandi PICMicro (Paolino)
Il blog elettrico di carloc (carloc)
DirtEYblooog (dirtydeeds)
Di tutto... un po' (jordan20)
AK47 (lillo)
Esperienze elettroniche (marco438)
Telecomunicazioni musicali (clavicordo)
Automazione ed Elettronica (gustavo)
Direttive per la sicurezza (ErnestoCappelletti)
EYnfo dall'Alaska (mir)
Apriamo il quadro! (attilio)
H7-25 (asdf)
Passione Elettrica (massimob)
Elettroni a spasso (guidob)
Bloguerra (guerra)







