Salve a tutti,
sono arrivato in seguito al suggerimento di un amico, già vostro utente. Mi è stato detto che avrei trovato probabilmente un risposta ad un problema che ho incontrato anni fa in un mio circuito e che nessun'altra persona mi ha saputo chiarire con certezza.
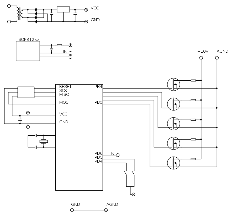
Innanzitutto il circuito: ho allegato un PDF a questo mio post. Spesso uso FidocadJ per abbozzare i progetti, ma quando prevedo di produrre una scheda stampata (in casa) poi passo a EagleCAD, per cui non posso inserire il sorgente FCD qui.
Il circuito è pensato per comandare con un telecomando a infrarossi dei ballast elettronici mediante un comando analogico 1..10V (che corrisponde a una intensità di luce 1..100%). Non mi serve un controllo continuo, mi bastano 10 livelli di luce per ogni lampada.
L'alimentazione (sezione in alto nel PDF) è ottenuta mediante un trasformatorino da 0,35VA seguito da un regolatore lineare.
Il micro Atmel ATtiny2313 legge il segnale IR trattato da un Vishay TSOP312xx: sezione a metà nel PDF, ne ho messi due per questioni di layout, solo uno viene saldato.
Una volta interpretato il comando del telecomando IR, il micro agisce sul controllo 1..10V mediante attivazione di uno, due o tre MOSFET. Ho fatto delle prove con resistenze variabili prima di definire i valori di resistenza e con sei resistenze (5, in una versione successiva) ottengo 10 livelli di luce che all'occhio appaiono con progressione lineare.
Il problema è semplice: anche se nella breadboard che usai per i test mi si bruciarono al massimo due MOSFET (BS170), nelle schede finali (equivalente a superficie: MMBF170) quasi tutti mi si bruciano: collego i fili, accendo l'alimentazione, la luce parte al massimo livello (come programmato), poi comincia a tremolare per massimo 5 secondi e a quel punto scende di intensità: uno o più MOSFET si sono bruciati/sfondati/non so cosa e quindi è come averlo sempre chiuso.
La scelta dei MOSFET risale alle prime revisioni del progetto, in cui non volevo avere a che fare con la 230V per cui avevo previsto una alimentazione a 2 stilo, quindi dovevo abbassare al massimo il consumo di corrente: i MOSFET sono controllati in tensione, non corrente, quindi potevo risparmiare qualche milliampere ed estendere la durata delle batterie al valore desiderato (6 mesi). Inoltre una volta chiusi sono semplici resistenze, anche semplici da considerare durante la progettazione (non sono un esperto). Ho poi scoperto che sono delicatissimi.
Ovviamente ora i MOSFET non sono più necessari quindi, per tagliare la testa al toro, ho modificato il circuito (sulle schede già fabbricate) per usare dei normali BC549 con 10 kΩ di carico tra pin del micro e base dell'NPN. Ora sembra funzionare tutto.
Tuttavia, poiché vorrei scrivere un articoletto sul lungo lavoro di progettazione e costruzione delle lampade e sul lavoro di progettazione e programmazione della parte elettronica, vorrei capire quale è il problema che mi faceva bruciare i MOSFET. Ne ho ancora alcuni nel cestino, se volete farmi fare dei test per capire il tipo di danneggiamento.
Vi fornisco qualche valore che ho a mente: il segnale 1..10V a vuoto è di 11,x V e, osservato con un oscilloscopio da 10 MHz, non ha variazioni o picchi significativi, non supererà i 12 V.
Da misure fatte, quando i due connettori vengono cortocircuitati ottungo meno di 1 mA di corrente, quindi in linea con i dati tecnici di 0,5 mA.
Il regolatore che ho inserito produce una tensione molto pulita.
Nel tentativo di risolvere il problema dei MOSFET (che comunque reggono fino a 30 V), ho inserito tra i due contatti della regolazione 1..10V un diodo Zener 15V, in maniera da scaricare eventuali sovratensioni iniziali, durante la fase di accensione del ballast (non si sa mai! non l'ho mai osservata con l'oscilloscopio).
Grazie in anticipo a chi mi saprà dire se vi è un problema di base nel mio circuito oppure se (per esclusione!) sono io che, in qualche modo, danneggiavo i MOSFET durante la saldatura/maneggiamento.
MOSFET in corto: errore di progetto o realizzazione?
Moderatori:
carloc,
g.schgor,
BrunoValente,
IsidoroKZ
6 messaggi
• Pagina 1 di 1
0
voti
Ciao!
Non vorrei fare ipotesi assurde, prima di prenderle per buone aspetta qualche consiglio di persone con mooolta più esperienza di me.
Secondo me il problema sta nel fatto che manca in serie al gate una resistenzina di valore piccolo (10-20 Ohm).
L'induttanza parassita dei cavi insieme con la capacità di gate firma un circuito risonante, quindi si introduce quella piccola resistenza al fine di abbassare il Q del circuito risonante.
Come detto prima per ora prendilo con le pinze...
Non vorrei fare ipotesi assurde, prima di prenderle per buone aspetta qualche consiglio di persone con mooolta più esperienza di me.
Secondo me il problema sta nel fatto che manca in serie al gate una resistenzina di valore piccolo (10-20 Ohm).
L'induttanza parassita dei cavi insieme con la capacità di gate firma un circuito risonante, quindi si introduce quella piccola resistenza al fine di abbassare il Q del circuito risonante.
Come detto prima per ora prendilo con le pinze...
0
voti
olmar ha scritto:Grazie in anticipo a chi mi saprà dire se vi è un problema di base nel mio circuito oppure se (per esclusione!) sono io che, in qualche modo, danneggiavo i MOSFET durante la saldatura/maneggiamento.
i mosfet di piccola potenza sono facile da rompere se non maneggiati opportunamente.
per cui potevano essere rotti gia' al montaggio.
ma penso comunque che il problema derivi dal fatto che le due masse gnd e agnd non siano collegate assieme, inoltre manca il circuito del ballast, per cui non si capisce come questo sia collegato rispetto ai mosfet.
penso che a causa di un collegamento non corretto, le sovratensioni provocate dal ballast, producano picchi di tensione sul gate dei mosfet ,rompendoli.
0
voti
Le due masse sono collegate da un cortocircuito, anche se nel PDF in effetti viene indicata una resistenza da 10k.
Purtroppo non ho il circuito del ballast, essendo un prodotto commerciale.
Purtroppo non ho il circuito del ballast, essendo un prodotto commerciale.
0
voti
olmar ha scritto:Innanzitutto il circuito: ho allegato un PDF a questo mio post. Spesso uso FidocadJ per abbozzare i progetti, ma quando prevedo di produrre una scheda stampata (in casa) poi passo a EagleCAD, per cui non posso inserire il sorgente FCD qui.
Questo e' un tuo problema; sul forum gli schemi si postano usando FidoCadJ.
marco
0
voti
marco438 ha scritto:Questo e' un tuo problema; sul forum gli schemi si postano usando FidoCadJ.
Ho ciccato sul link in alto con le regole del forum, ma non avevo inteso che fosse obbligatorio.
In tal caso, ecco qui:
6 messaggi
• Pagina 1 di 1
Chi c’è in linea
Visitano il forum: Nessuno e 78 ospiti

Elettrotecnica e non solo (admin)
Un gatto tra gli elettroni (IsidoroKZ)
Esperienza e simulazioni (g.schgor)
Moleskine di un idraulico (RenzoDF)
Il Blog di ElectroYou (webmaster)
Idee microcontrollate (TardoFreak)
PICcoli grandi PICMicro (Paolino)
Il blog elettrico di carloc (carloc)
DirtEYblooog (dirtydeeds)
Di tutto... un po' (jordan20)
AK47 (lillo)
Esperienze elettroniche (marco438)
Telecomunicazioni musicali (clavicordo)
Automazione ed Elettronica (gustavo)
Direttive per la sicurezza (ErnestoCappelletti)
EYnfo dall'Alaska (mir)
Apriamo il quadro! (attilio)
H7-25 (asdf)
Passione Elettrica (massimob)
Elettroni a spasso (guidob)
Bloguerra (guerra)





