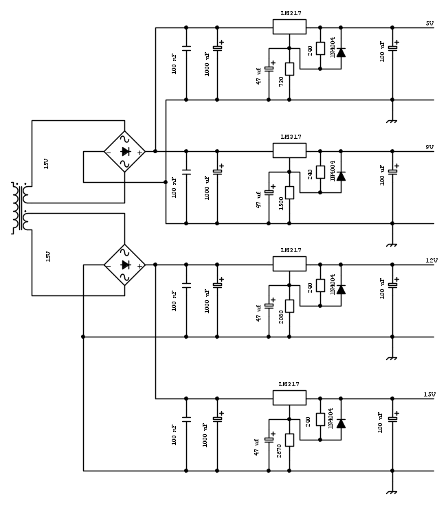
Buongiorno, solamente a scopo didattico propongo lo schema seguente, esso è composto da un trasformatore (220 V) e due secondari (15V - 15V), un secondario è collegato a due LM317, uno è regolato per 5V e l'altro per 9V, l'altro secondario gestisce sempre tramite LM317 12V e 15V, un ponte diodi per ogni secondario.
Vorrei sapere se la logica dei collegamenti tra i due secondari e i 4 LM317 può andare diretta cosi come da schema oppure è cosa sbagliata ?
GRazie.
Didattica - 4 x LM317
Moderatori:
carloc,
g.schgor,
BrunoValente,
IsidoroKZ
0
voti
Grazie, mi interessa la logica di collegamento ed eventuali problemi con gli LM317, anche sostituendo le 4 resistenze su Vout (LM317) con 4 potenziometri il medesimo schema è sempre in forma corretta ?
0
voti
Direi di sì.
Se vuoi avere tensioni variabili sui 4 rami metti potenziometri (o trimmer) lineari da 5kohm al posto dei resistori da 730/1500/2080/2670ohm.
Metterei il condensatore in parallelo al potenziometro da 10uF (invece di 47uF) ed aggiungerei un diodo di protezione tra ingresso ed uscita dell'LM317 come si vede in figura 27 di questo datasheet http://www.ti.com/lit/ds/symlink/lm117.pdf
Il diodo in più lo metterei anche nel caso tu decida di tenere le tensioni fisse.
Se vuoi avere tensioni variabili sui 4 rami metti potenziometri (o trimmer) lineari da 5kohm al posto dei resistori da 730/1500/2080/2670ohm.
Metterei il condensatore in parallelo al potenziometro da 10uF (invece di 47uF) ed aggiungerei un diodo di protezione tra ingresso ed uscita dell'LM317 come si vede in figura 27 di questo datasheet http://www.ti.com/lit/ds/symlink/lm117.pdf
Il diodo in più lo metterei anche nel caso tu decida di tenere le tensioni fisse.
-

FedericoSibona
5.022 3 5 8 - Master

- Messaggi: 3951
- Iscritto il: 19 mar 2013, 11:43
0
voti
Quello che mi torna un po' strano e' l'uso di due uscite separate del trasformatore ( e conseguente uso di due ponti ecc.); c'e' uno scopo preciso?
In pratica il circuito si potrebbe semplificare di molto e poi, a seconda dell'uso delle varie uscite, ci sarebbe anche da rivedere il dimensionamento dei condensatori.
P.S. Negli schemi, i punti di connessione si mettono soltanto quando due linee si intersecano ed esiste tra loro collegamento.
In pratica il circuito si potrebbe semplificare di molto e poi, a seconda dell'uso delle varie uscite, ci sarebbe anche da rivedere il dimensionamento dei condensatori.
P.S. Negli schemi, i punti di connessione si mettono soltanto quando due linee si intersecano ed esiste tra loro collegamento.
marco
0
voti
@ Federico : Grazie, perche da 10 uF e non da 47 uF ? , ho un vecchio oscilloscopio , non ho notato grosse differenze cambiando i valori, quindi ho usato un 47 uF , senza invece è improponibile.
@ Marco : ho usato due ponti per avere due rami, in modo da notare differenze tra una ramo e l'altro e poter fare un confronto in diretta durante il funzionamento, il dimensionamento dei condensatori mi farebbe gran comodo per avere delle basi di riferimento generale. Grazie
Edit :
Ho notato anche schemi che in cascata , partendo dall'uscita del 15V (LM317) ricavano i 12V , poi dall'uscita del 12V (LM317) ricavano i 9V e cosi via, ma non saprei se sono consigliabili oppure no.
@ Marco : ho usato due ponti per avere due rami, in modo da notare differenze tra una ramo e l'altro e poter fare un confronto in diretta durante il funzionamento, il dimensionamento dei condensatori mi farebbe gran comodo per avere delle basi di riferimento generale. Grazie
Edit :
Ho notato anche schemi che in cascata , partendo dall'uscita del 15V (LM317) ricavano i 12V , poi dall'uscita del 12V (LM317) ricavano i 9V e cosi via, ma non saprei se sono consigliabili oppure no.
0
voti

"Non farei mai parte di un club che accettasse la mia iscrizione" (G. Marx)
-

claudiocedrone
21,3k 4 7 9 - Master EY

- Messaggi: 15302
- Iscritto il: 18 gen 2012, 13:36
0
voti

"Non farei mai parte di un club che accettasse la mia iscrizione" (G. Marx)
-

claudiocedrone
21,3k 4 7 9 - Master EY

- Messaggi: 15302
- Iscritto il: 18 gen 2012, 13:36
0
voti
claudiocedrone ha scritto::-) Per la questione delle capacità (che non avevo notato): se effettui delle misure a vuoto è chiaro che non noti differenze ma... prova ad applicare un carico![]()
mi hai messo in crisi, non ho nulla per ora da usare come carico, una resistenza da 4 Watt 1k va bene ?
0
voti
DavideP ha scritto:@ Federico : Grazie, perche da 10 uF e non da 47 uF ? , ho un vecchio oscilloscopio , non ho notato grosse differenze cambiando i valori, quindi ho usato un 47 uF , senza invece è improponibile.
a) 10uF è quanto suggerito nei datasheet, ma questo non è Vangelo.
b) con resistenza fissa penso che 47uF vadano anche bene, con potenziometro potresti notare un certo ritardo nella variazione di tensione di uscita rispetto alla rotazione del potenziometro stesso, tutto ciò però, come ti hanno già chiesto, dipende dall'uso che si vuol fare di quell'alimentatore
Nella mia vita ho studiato elettronica, ma, non avendola applicata nella mia vita lavorativa, ma solo come hobby, sono diventato un praticone. Con ciò ti voglio dire che il condensatore di livellamento, quello che hai messo da 1000uF, dovrebbe essere almeno di 2000uF per ampere di carico, ma non sapendo che corrente dovrebbero erogare da quei regolatori.....potrebbe anche essere sufficiente
Un resistore di 1000ohm con una tensione di, ad esempio, 15V vuol dire una corrente di 15mA, il che non mi sembra un carico significativo, a meno che tu pensi che i regolatori riportati debbano erogare solo una corrente simile.
Torniamo sempre alla stessa richiesta: cosa si prevede di alimentare con quei regolatori di tensione? Che corrente dovrebbero erogare?
-

FedericoSibona
5.022 3 5 8 - Master

- Messaggi: 3951
- Iscritto il: 19 mar 2013, 11:43
Chi c’è in linea
Visitano il forum: Nessuno e 45 ospiti

Elettrotecnica e non solo (admin)
Un gatto tra gli elettroni (IsidoroKZ)
Esperienza e simulazioni (g.schgor)
Moleskine di un idraulico (RenzoDF)
Il Blog di ElectroYou (webmaster)
Idee microcontrollate (TardoFreak)
PICcoli grandi PICMicro (Paolino)
Il blog elettrico di carloc (carloc)
DirtEYblooog (dirtydeeds)
Di tutto... un po' (jordan20)
AK47 (lillo)
Esperienze elettroniche (marco438)
Telecomunicazioni musicali (clavicordo)
Automazione ed Elettronica (gustavo)
Direttive per la sicurezza (ErnestoCappelletti)
EYnfo dall'Alaska (mir)
Apriamo il quadro! (attilio)
H7-25 (asdf)
Passione Elettrica (massimob)
Elettroni a spasso (guidob)
Bloguerra (guerra)



