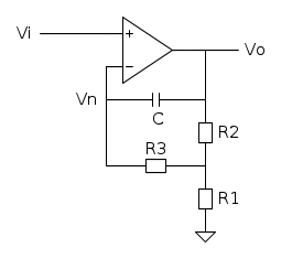
Poiché c'è un solo condensatore, il guadagno dell'amplificatore avrà al più un polo e uno zero; possiamo quindi scrivere

dove
è il guadagno a frequenza zero, mentre
e
sono le costanti di tempo associate allo zero e al polo, rispettivamente.Assumiamo l'op amp ideale.
lo si ricava facilmente, perché a frequenza zero
è aperto,
non ha effetto e quello è un semplice amplificatore non invertente:
è la costante di tempo associata al polo di 
e vale

dove
è la resistenza che si vede ai capi di
dopo aver annullato
,
Quindi
![\tau_\text{z} = [R_3+(R_1\,||\,R_2)]C \tau_\text{z} = [R_3+(R_1\,||\,R_2)]C](/forum/latexrender/pictures/3426b45aa8b8217ac6e5a9e0ee6b7ca5.png)
Per determinare
, ragioniamo così: per
, il condensatore è un cortocircuito, quindi
e
da cui
![\tau_\text{p} = A_0\tau_\text{z} = \left(1+\frac{R_2}{R_1}\right)[R_3+(R_1\,||\,R_2)]C \tau_\text{p} = A_0\tau_\text{z} = \left(1+\frac{R_2}{R_1}\right)[R_3+(R_1\,||\,R_2)]C](/forum/latexrender/pictures/f007addaca3892e1f518f5ad5129fe18.png)
La frequenza di taglio dell'amplificatore sarà quindi

Con i valori del data sheet si ha


(corrisponde a R6 del data sheet)
da cui

e


Elettrotecnica e non solo (admin)
Un gatto tra gli elettroni (IsidoroKZ)
Esperienza e simulazioni (g.schgor)
Moleskine di un idraulico (RenzoDF)
Il Blog di ElectroYou (webmaster)
Idee microcontrollate (TardoFreak)
PICcoli grandi PICMicro (Paolino)
Il blog elettrico di carloc (carloc)
DirtEYblooog (dirtydeeds)
Di tutto... un po' (jordan20)
AK47 (lillo)
Esperienze elettroniche (marco438)
Telecomunicazioni musicali (clavicordo)
Automazione ed Elettronica (gustavo)
Direttive per la sicurezza (ErnestoCappelletti)
EYnfo dall'Alaska (mir)
Apriamo il quadro! (attilio)
H7-25 (asdf)
Passione Elettrica (massimob)
Elettroni a spasso (guidob)
Bloguerra (guerra)
instead of
(Anonimo).
ain't
, right?
in lieu of
.
for
arithm.


