Sto usando un NMOS, la L l'ho impostata in edit properties come la W....
Però non andava...inoltre ora non mi fa più tracciare il grafico, cioè cliccando su run mi apre la schermata di pspice a/d lite ma non mi traccia il grafico, cioè non esce proprio...non so se mi spiego.
Oscillatore che non oscilla
Moderatori:
carloc,
g.schgor,
BrunoValente,
IsidoroKZ
41 messaggi
• Pagina 4 di 5 • 1, 2, 3, 4, 5
0
voti
Anche io, impostando la larghezza di canale, con il modello dato (mymos), vedo andamento piatto.
Anche inserendo un nmos 35um livello di modello 8, non cambia nulla.
Non so, aspettiamo
IsidoroKZ.
P.S. Per le simulazioni, non te le fa piu' fare perché sicuramente non hai stoppato le precedenti, chiudi e riapri pspice.
Anche inserendo un nmos 35um livello di modello 8, non cambia nulla.
Non so, aspettiamo
P.S. Per le simulazioni, non te le fa piu' fare perché sicuramente non hai stoppato le precedenti, chiudi e riapri pspice.
-

rusty
4.075 2 9 11 - Utente disattivato per decisione dell'amministrazione proprietaria del sito
- Messaggi: 1578
- Iscritto il: 25 gen 2009, 13:10
0
voti
Ho provato a chiudere e riaprire ma niente...non so se potrebbe essere una impostazione che ho messo inavvertitamente oppure proprio un problema di pspice...
...quindi non so come comportarmi...
-

domenico89
0 4 - Messaggi: 27
- Iscritto il: 24 mag 2013, 12:57
0
voti
FINALMENTE!!!!!
Seguendo i consigli di isidoro sono riuscito a far oscillare anche io il circuito in considerazione.
Ora provo con il mio progetto e vediamo se riesco a farlo oscillare...:)
Un ringraziamento speciale ad isidoro per la disponibilità...:)
Seguendo i consigli di isidoro sono riuscito a far oscillare anche io il circuito in considerazione.
Ora provo con il mio progetto e vediamo se riesco a farlo oscillare...:)
Un ringraziamento speciale ad isidoro per la disponibilità...:)
-

domenico89
0 4 - Messaggi: 27
- Iscritto il: 24 mag 2013, 12:57
0
voti
rusty ha scritto:Se è "duro" a partire, prova anche a spuntare qui:
Ho seguito le istruzioni di isodoro, cosi il circuito ha iniziato ad oscillare...
-

domenico89
0 4 - Messaggi: 27
- Iscritto il: 24 mag 2013, 12:57
0
voti
OPS!!! mi sono appena accorto, rileggendo i vecchi commenti, che il consiglio per far oscillare il circuito me l'aveva dato rusty, infatti dopo aver spizzato "skip initial transient solution" il circuito oscillava...quindi ringrazio anche rusty per l'aiuto...:)
-

domenico89
0 4 - Messaggi: 27
- Iscritto il: 24 mag 2013, 12:57
0
voti
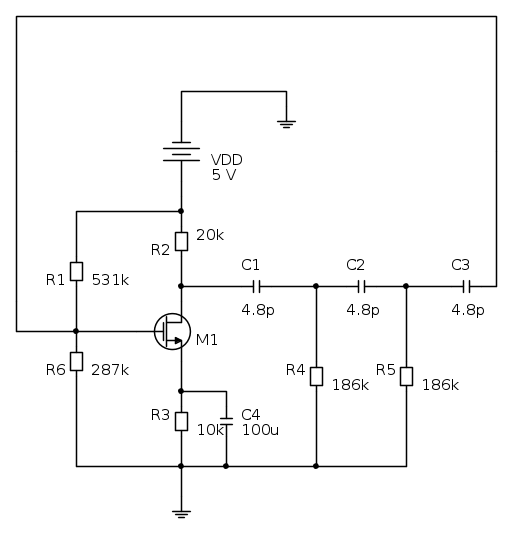
MJ990 ha scritto:i parametri del MOS sono questi
Valiment vdd 0 5 V
.model modn NMOS(Level=1 VTO=0.7 GAMMA=0.5 PHI=0.8 LD=0.08E-06 WD=0 UO=460 LAMBDA=0.04
TOX=9.5E-9 PB=0.9 CJ=0.57E-3 CJSW=120E-12 MJ=0.5 MJSW=0.4 CGDO=0.4E-9 JS=10E-9 CGBO=0.38E-
9 CGSO=0.4E-9)
il circuito deve oscillare alla frequenza di 70Khz
il procedimento che ho seguito in pratica è stato:
ho posto,
e il parametro Kp dato dallo pspice
ho calcolato la funzione
da cui ho ricavato
dove Rp è il parallelo R2//r0, mentre R e C sono i componenti delle celle della retroazione
ho ricavato
per quanto riguarda la parte reale,
Ho posto
e, affinchè, risulta
a questo punto ho fatto diverse prove, dando diversi valori a questo prodotto, modo da avere unaabbastanza elevata.
alla fine ho posto,
ottenendo i valori che sono inseriti nello schema
ho anche rifatto i calcoli e risulta, che dovrebbe essere abbastanza per l'innesco, almeno da quello che ho visto su altre tesine simili
per quanto riguarda i parametri L e W,
ho considerato la formula
per cui il rapporto mi viene
come valori ho preso L=1.2um e W=469.7um
lo schema rifatto è questo
Salve a tutti...sto provando questo circuito in pspice, sopra viene detto che il parametro kp del mosfet lo si prende dai valori forniti da pspice, però quando vado in output file, i parametri del mio mosfet sono impostati a quelli base nonostante io abbia impostatato i parametri del mosfet in psice model e abbia modificato i valori di W e L...qualcuno sa come mai?
-

domenico89
0 4 - Messaggi: 27
- Iscritto il: 24 mag 2013, 12:57
0
voti
Non ce nessuno che mi può aiutare?:(...senza il parametro kp del mosfet non so proprio come continuare per il dimensionamento, e dall'output file il parametro kp è impostato a 20, cioè il valore standard, qualcuno sa come mai?oppure qualcuno sa qualche formula per calcolare il kp con i valore che ho?
-

domenico89
0 4 - Messaggi: 27
- Iscritto il: 24 mag 2013, 12:57
41 messaggi
• Pagina 4 di 5 • 1, 2, 3, 4, 5
Chi c’è in linea
Visitano il forum: Nessuno e 68 ospiti

Elettrotecnica e non solo (admin)
Un gatto tra gli elettroni (IsidoroKZ)
Esperienza e simulazioni (g.schgor)
Moleskine di un idraulico (RenzoDF)
Il Blog di ElectroYou (webmaster)
Idee microcontrollate (TardoFreak)
PICcoli grandi PICMicro (Paolino)
Il blog elettrico di carloc (carloc)
DirtEYblooog (dirtydeeds)
Di tutto... un po' (jordan20)
AK47 (lillo)
Esperienze elettroniche (marco438)
Telecomunicazioni musicali (clavicordo)
Automazione ed Elettronica (gustavo)
Direttive per la sicurezza (ErnestoCappelletti)
EYnfo dall'Alaska (mir)
Apriamo il quadro! (attilio)
H7-25 (asdf)
Passione Elettrica (massimob)
Elettroni a spasso (guidob)
Bloguerra (guerra)
,
e il parametro Kp dato dallo pspice ![\[Kp= 167*10^{-6}\] \[Kp= 167*10^{-6}\]](/forum/latexrender/pictures/4be5335537148936f569d550dd7fbc52.png)
![\[A\beta \] \[A\beta \]](/forum/latexrender/pictures/0029a20660fed49622393c96edfb8c7e.png)
![\[Im[A\beta ]= 1-4\omega ^{2}RRpC^{2}-6\omega ^{2}R^{2}C^{2}\] \[Im[A\beta ]= 1-4\omega ^{2}RRpC^{2}-6\omega ^{2}R^{2}C^{2}\]](/forum/latexrender/pictures/e93f88b43f126654467b956bfbeef3c8.png)
![\[\omega 0= \frac{1}{\sqrt{4RRpC^{2}+6R^{2}C^{2}}}\] \[\omega 0= \frac{1}{\sqrt{4RRpC^{2}+6R^{2}C^{2}}}\]](/forum/latexrender/pictures/d178315e0598e13ab44c2eafbff5b31c.png)
![\[Re[A\beta ]= gmRp\frac{R^{3}}{29R^{3}+23R^{2}Rp+4RRp^{2}}\] \[Re[A\beta ]= gmRp\frac{R^{3}}{29R^{3}+23R^{2}Rp+4RRp^{2}}\]](/forum/latexrender/pictures/0db8b0d7f15cd3640e4a61ff8e239fe6.png)
![\[R=10Rp\] \[R=10Rp\]](/forum/latexrender/pictures/5fd0c4ab23f13c6d22c649e742d8ae88.png)
, risulta ![\[gmRp>>31.34\] \[gmRp>>31.34\]](/forum/latexrender/pictures/7eaaa66cb30320f92b71f66bd7d9214e.png)
abbastanza elevata.
,
, che dovrebbe essere abbastanza per l'innesco, almeno da quello che ho visto su altre tesine simili![\[K=Kp\frac{W}{L}\] \[K=Kp\frac{W}{L}\]](/forum/latexrender/pictures/b8898feba056fc31c60359d32ac3ad7c.png)
![\[\frac{W}{L}=391\] \[\frac{W}{L}=391\]](/forum/latexrender/pictures/8e06d3d4c482109abaef04c4ed0ac28a.png)
