Ciao a tutti,
stavo lavorando con un operazionale tipo UA741C, e stavo creando
un amplificatore che distorca ad onda quadra, ma questo non è il problema.
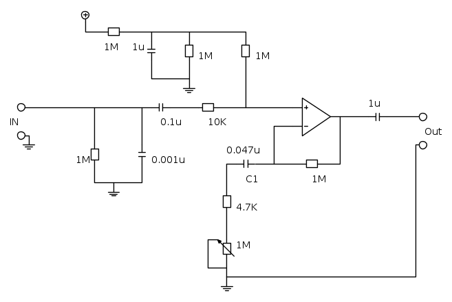
Ho costruito il circuito in immagine
Il mio problema è il seguente e non riesco a spiegarmi.
Il condensatore C1 secondo quanto conosco dovrebbe introdurre uno zero (a parte il +1 nella formula Z2/Z1 +1)nella amplificazione e un polo così da avere una bassa amplificazione per la continua ed una amplificazione costante successivamente al polo.
Se tuttavia lo elimino, non dovrei avere nessun comportamento in frequenza a parte la risposta dell'operazionale, ottenendo un semplice amplificatore non invertente.
Comunque sia appena elimino (cortocircuitandolo) il condensatore C1 tutto muore e non esce più nulla.
Comprovato anche in simulazione, ma soprattutto nella realtà.
Come me lo spiego?
Amplificatore Operazionale non Invertente
Moderatori:
carloc,
g.schgor,
BrunoValente,
IsidoroKZ
9 messaggi
• Pagina 1 di 1
0
voti
2
voti
Perche' quando lo togli l'operazionale guadagna anche in continua e amplifica la tensione presente sul morsetto non invertente e va in saturazione.
Lascia stare i simulatori finche' non sai decentemente l'elettronica!
Lascia stare i simulatori finche' non sai decentemente l'elettronica!
Per usare proficuamente un simulatore, bisogna sapere molta più elettronica di lui
Plug it in - it works better!
Il 555 sta all'elettronica come Arduino all'informatica! (entrambi loro malgrado)
Se volete risposte rispondete a tutte le mie domande
Plug it in - it works better!
Il 555 sta all'elettronica come Arduino all'informatica! (entrambi loro malgrado)
Se volete risposte rispondete a tutte le mie domande
0
voti
Diavolo hai ragione,
mi ero completamente dimenticato della continua!!!!
Proprio una figuraccia
Mi servirà da lezione. Qui i laboratori me li faccio da solo!
Però non mi quadra perché all'ingresso ho in continua circa due volt all'ingresso dell'operazionale e a pot a 1M dovrei avere un guadagno di 0.68 e se gli applico un segnale da 0.58 dovrei vedere in uscita una sin ma in effetti non esce nulla se non continua!
Ultima modifica di
Romolus il 31 mag 2013, 20:15, modificato 1 volta in totale.
3
voti
Chi ha parecchia esperienza vuol dire che ha fatto quantita` industriali di errori :) Si impara molto dagli errori, adesso te lo ricorderai in tutta la tua carriera di elettronico.
Per usare proficuamente un simulatore, bisogna sapere molta più elettronica di lui
Plug it in - it works better!
Il 555 sta all'elettronica come Arduino all'informatica! (entrambi loro malgrado)
Se volete risposte rispondete a tutte le mie domande
Plug it in - it works better!
Il 555 sta all'elettronica come Arduino all'informatica! (entrambi loro malgrado)
Se volete risposte rispondete a tutte le mie domande
0
voti
Hai ragione
IsidoroKZ chi sbaglia impara.
Comunque volevo chiederti una conferma perché comunque sia non riesco a farlo funzionare come ti scrivevo più sopra
se tolgo il condensatore amplifica anche la continua ed è ok. Come ti dicevo sopra in ingresso c'è circa 2V + 0.5PP alternata sul + e se non erro l'amplificazione è di (1M/(1M+47k) +1 )=1.95 circa.
2*1.95 fa 3.9. Quindi in uscita dovrei avere questa tensione continua + L'alternata.
Se misuro invece ho circa 8v quindi in saturazione.
Come mai, cosa sto sbagliando ora?
Comunque volevo chiederti una conferma perché comunque sia non riesco a farlo funzionare come ti scrivevo più sopra
se tolgo il condensatore amplifica anche la continua ed è ok. Come ti dicevo sopra in ingresso c'è circa 2V + 0.5PP alternata sul + e se non erro l'amplificazione è di (1M/(1M+47k) +1 )=1.95 circa.
2*1.95 fa 3.9. Quindi in uscita dovrei avere questa tensione continua + L'alternata.
Se misuro invece ho circa 8v quindi in saturazione.
Come mai, cosa sto sbagliando ora?
0
voti
Ragazzi, come non detto, ste cose non vanno fatte quando sei stanco.
Ho fatto un casino con una stupidaggine.
Ho sbagliato i calcoli usando non so perché 47k invece che 4.7k e mi sono smenato tre ore a capire cosa sbagliavo.
Alla fine dopo un riposino tutto era chiaro.
Buona serata e grazie a tutti
Ho fatto un casino con una stupidaggine.
Ho sbagliato i calcoli usando non so perché 47k invece che 4.7k e mi sono smenato tre ore a capire cosa sbagliavo.
Alla fine dopo un riposino tutto era chiaro.
Buona serata e grazie a tutti
0
voti
IsidoroKZ ha scritto:..... adesso te lo ricorderai in tutta la tua carriera di elettronico.
9 messaggi
• Pagina 1 di 1
Chi c’è in linea
Visitano il forum: Nessuno e 163 ospiti

Elettrotecnica e non solo (admin)
Un gatto tra gli elettroni (IsidoroKZ)
Esperienza e simulazioni (g.schgor)
Moleskine di un idraulico (RenzoDF)
Il Blog di ElectroYou (webmaster)
Idee microcontrollate (TardoFreak)
PICcoli grandi PICMicro (Paolino)
Il blog elettrico di carloc (carloc)
DirtEYblooog (dirtydeeds)
Di tutto... un po' (jordan20)
AK47 (lillo)
Esperienze elettroniche (marco438)
Telecomunicazioni musicali (clavicordo)
Automazione ed Elettronica (gustavo)
Direttive per la sicurezza (ErnestoCappelletti)
EYnfo dall'Alaska (mir)
Apriamo il quadro! (attilio)
H7-25 (asdf)
Passione Elettrica (massimob)
Elettroni a spasso (guidob)
Bloguerra (guerra)




