Cos'è ElectroYou | Login Iscriviti

ElectroYou - la comunità dei professionisti del mondo elettrico

Problema input di un PIC16F877A

Tipologie, strumenti di sviluppo, hardware e progetti

Moderatore: Foto UtentePaolino

0
voti

[1] Problema input di un PIC16F877A

Messaggioda Foto Utentepiccoli » 3 giu 2013, 10:31

salve a tutti
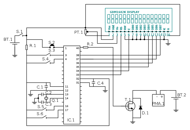
sto progettando un sensore di livello con dei sensori che fungono da interruttori chiusi quando il livello sale
http://www.futurashop.it/allegato/8220- ... Vt=&d=5,00

il problema e che quando mando un input nel PIC dai sensori non mi fa nessuna operazione, invece quando gli mando un segnale da un normale alimentatore funziona perfettamente.
sulla breadboard non avevo avuto questi problemi, invece ora sul circuito stampato non va.

vi lascio il progetto e il programma se mi riuscite a dire il motivo del problema vi sarei molto grato


il programma è stato compilato in microbasic
Codice: Seleziona tutto
  program SENSORE_DI_LIVELLO

dim LCD_D6 as sbit at RB4_bit
    LCD_D7 as sbit at RB5_bit
    LCD_RS as sbit at RB0_bit
    LCD_EN as sbit at RB1_bit
    LCD_D4 as sbit at RB2_bit
    LCD_D5 as sbit at RB3_bit

    LCD_RS_Direction as sbit at TRISB0_bit
    LCD_D7_Direction as sbit at TRISB5_bit
    LCD_D4_Direction as sbit at TRISB2_bit
    LCD_D5_Direction as sbit at TRISB3_bit
    LCD_D6_Direction as sbit at TRISB4_bit
    LCD_EN_Direction as sbit at TRISB1_bit

main:

ADCON1=$87
TRISa=1
TRISB=0
trisc=1
PORTd=0
PORTB=0
portc=0

Lcd_Init()
Lcd_Cmd(_LCD_CURSOR_OFF)
Lcd_Cmd(_LCD_CLEAR)
lcd_out(1,1,"Recipiente1")
lcd_out(2,1,"Recipiente2")
lcd_out(1,14,"/2")
lcd_out(2,14,"/2")

while(1)
if porta=0 then

lcd_out(1,13,"0")
else if porta=2 then

lcd_out(1,13,"1")
else if porta=6 then
      lcd_out(1,13,"2")

end if
end if
end if

if portc=0 then

lcd_out(2,13,"0")
else if portc=2 then

lcd_out(2,13,"1")
else if portc=6 then
      lcd_out(2,13,"2")

end if
end if
end if

if porta=6 then
if portc<6 then
portb.7=1
else
portb.7=0
end if
else
portb.7=0
end if

delay_ms(100)
wend
end.
Avatar utente
Foto Utentepiccoli
5 1 4
New entry
New entry
 
Messaggi: 89
Iscritto il: 27 mag 2012, 17:37

0
voti

[2] Re: Problema input di un PIC16F877A

Messaggioda Foto Utenteecasa » 3 giu 2013, 10:38

Ciao, credo che siano collegati male i pulsanti; Quando non sono premuti non hai un vero livello logico sui pin, mentre quando vengono premuti vengono collegati al pin 32(massa?).
Dovresti collegare gli switch con una resistenza di pull-up o pull-down.
Avatar utente
Foto Utenteecasa
170 1 3 7
Frequentatore
Frequentatore
 
Messaggi: 145
Iscritto il: 2 giu 2013, 20:43

0
voti

[3] Re: Problema input di un PIC16F877A

Messaggioda Foto Utentepiccoli » 3 giu 2013, 11:43

il pin 32 è la seconda alimentazione del PIC, comunque mi stai dicendo di collegare prima o dopo dei pulsanti una resistenza in parallelo
Avatar utente
Foto Utentepiccoli
5 1 4
New entry
New entry
 
Messaggi: 89
Iscritto il: 27 mag 2012, 17:37

0
voti

[4] Re: Problema input di un PIC16F877A

Messaggioda Foto Utenteecasa » 3 giu 2013, 11:51

Io fare piu una cosa del genere:

Cosí facendo hai sempre collegato ai pin del micro un valore di riferimento "solido".
Avatar utente
Foto Utenteecasa
170 1 3 7
Frequentatore
Frequentatore
 
Messaggi: 145
Iscritto il: 2 giu 2013, 20:43

0
voti

[5] Re: Problema input di un PIC16F877A

Messaggioda Foto Utentepiccoli » 3 giu 2013, 12:09

ok appena posso lo provo
Avatar utente
Foto Utentepiccoli
5 1 4
New entry
New entry
 
Messaggi: 89
Iscritto il: 27 mag 2012, 17:37

0
voti

[6] Re: Problema input di un PIC16F877A

Messaggioda Foto Utentepiccoli » 20 giu 2013, 19:26

gli ingressi funzionano ma ora non mi funziona il display :cry:, non mi visualizza il testo, mi escono solo dei rettangoli sulla riga superiore
Avatar utente
Foto Utentepiccoli
5 1 4
New entry
New entry
 
Messaggi: 89
Iscritto il: 27 mag 2012, 17:37

1
voti

[7] Re: Problema input di un PIC16F877A

Messaggioda Foto UtentePaolino » 5 lug 2013, 16:00

Hai montato il circuito su breadboard?
"Houston, Tranquillity Base here. The Eagle has landed." - Neil A.Armstrong

-------------------------------------------------------------

PIC Experience - http://www.picexperience.it
Avatar utente
Foto UtentePaolino
32,6k 8 12 13
G.Master EY
G.Master EY
 
Messaggi: 4226
Iscritto il: 20 gen 2006, 11:42
Località: Vigevano (PV)

0
voti

[8] Re: Problema input di un PIC16F877A

Messaggioda Foto Utentepiccoli » 5 lug 2013, 19:45

prima si , ora mi rileva gli ingressi, cosi da breadboard sono passato al PCB
Avatar utente
Foto Utentepiccoli
5 1 4
New entry
New entry
 
Messaggi: 89
Iscritto il: 27 mag 2012, 17:37

1
voti

[9] Re: Problema input di un PIC16F877A

Messaggioda Foto UtentePaolino » 5 lug 2013, 20:45

E con il display hai ancora problemi? Hai verificato le conessioni?

Ciao.

Paolo.
"Houston, Tranquillity Base here. The Eagle has landed." - Neil A.Armstrong

-------------------------------------------------------------

PIC Experience - http://www.picexperience.it
Avatar utente
Foto UtentePaolino
32,6k 8 12 13
G.Master EY
G.Master EY
 
Messaggi: 4226
Iscritto il: 20 gen 2006, 11:42
Località: Vigevano (PV)

0
voti

[10] Re: Problema input di un PIC16F877A

Messaggioda Foto Utentepiccoli » 6 lug 2013, 14:01

funziona perfettamente :)
Avatar utente
Foto Utentepiccoli
5 1 4
New entry
New entry
 
Messaggi: 89
Iscritto il: 27 mag 2012, 17:37


Torna a Realizzazioni, interfacciamento e nozioni generali.

Chi c’è in linea

Visitano il forum: Google [Bot] e 3 ospiti