Ciao a tutti,
Sono nuovo del forum, sto preparando l'esame di elettrotecnica ma sono in perenne e continua difficoltà con i generatori pilotati. Soprattutto quando mi trovo come variabili di controllo del tipo 2Ohm * I1 o cose simili.
Nell'esercizio sotto riportato, devo calcolare le correnti i1 e i2 (le due correnti vanno tutte verso il basso scusate se non ho disegnato il verso ma sono proprio alle prime armi anche con circuitlab)
Se io applico la KCL al nodo sopra ottengo -5A + I1 + I2 = 0 il fatto che poi avendo come relazione del pilotato
2R * I1 non so più come andare avanti!!! Qualcuno sa darmi almeno qualche dritta?
grazie
Generatori Pilotati
Moderatori:
g.schgor,
IsidoroKZ
27 messaggi
• Pagina 1 di 3 • 1, 2, 3
0
voti
Fai un bilancio di tensioni tra i due rami senza GIC:
in uno scorre una corrente
e di conseguenza sull'intero ramo c'è una d.d.p.
,
nell'altro la corrente che scorre è
con conseguente caduta sulla resistenza pari a
e quindi caduta totale sul ramo
. Ora poni
e ti accorgi che questa equazione ha come unica incognita
che puoi quindi determinare.
Ps:sono stato anticipato
in uno scorre una corrente
e di conseguenza sull'intero ramo c'è una d.d.p.
,nell'altro la corrente che scorre è
con conseguente caduta sulla resistenza pari a
e quindi caduta totale sul ramo
. Ora poni
e ti accorgi che questa equazione ha come unica incognita
che puoi quindi determinare.Ps:sono stato anticipato
0
voti
Volevo fare piu' passaggi possibile per spiegarlo meglio, visto il dubbio espresso sul "2 Ohm... non solo 2!".
Toccata e fuga comunque, manco il tempo di scriverlo in LaTeX
Toccata e fuga comunque, manco il tempo di scriverlo in LaTeX

-

rusty
4.075 2 9 11 - Utente disattivato per decisione dell'amministrazione proprietaria del sito
- Messaggi: 1578
- Iscritto il: 25 gen 2009, 13:10
0
voti
RenzoDF ha scritto:Oserei dire che, ricordando Ohm, si potrebbe scrivere direttamente la KCL ad uno dei due nodi
Scusate la banalità della domanda, ma io non riesco ancora a capire perché mi compare solo 2I1
0
voti
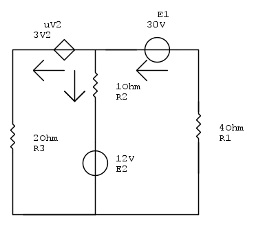
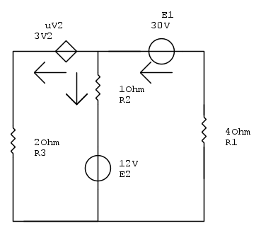
Ciao,
Sempre sui pilotati ho il dubbio invece su questo circuito in cui mi viene richiesta di calcolare la tensione
ai capi del resistore R2 da 1Ohm.
In circuiti normali bene o male me la cavo ma con i pilotati vado sempre in crisi e non so mai come comportarmi, riuscite a darmi una dritta per iniziare almeno?
Sempre sui pilotati ho il dubbio invece su questo circuito in cui mi viene richiesta di calcolare la tensione
ai capi del resistore R2 da 1Ohm.
In circuiti normali bene o male me la cavo ma con i pilotati vado sempre in crisi e non so mai come comportarmi, riuscite a darmi una dritta per iniziare almeno?
0
voti
Mancano:
1) Polarita' dei generatori di tensione (devi mettere un + da qualche parte)
2) Verso generatore di corrente dipendente
3) Il generatore dipende da V2, non vedo dove sia questa V2.
1) Polarita' dei generatori di tensione (devi mettere un + da qualche parte)
2) Verso generatore di corrente dipendente
3) Il generatore dipende da V2, non vedo dove sia questa V2.
-

rusty
4.075 2 9 11 - Utente disattivato per decisione dell'amministrazione proprietaria del sito
- Messaggi: 1578
- Iscritto il: 25 gen 2009, 13:10
27 messaggi
• Pagina 1 di 3 • 1, 2, 3
Torna a Elettrotecnica generale
Chi c’è in linea
Visitano il forum: Nessuno e 125 ospiti

Elettrotecnica e non solo (admin)
Un gatto tra gli elettroni (IsidoroKZ)
Esperienza e simulazioni (g.schgor)
Moleskine di un idraulico (RenzoDF)
Il Blog di ElectroYou (webmaster)
Idee microcontrollate (TardoFreak)
PICcoli grandi PICMicro (Paolino)
Il blog elettrico di carloc (carloc)
DirtEYblooog (dirtydeeds)
Di tutto... un po' (jordan20)
AK47 (lillo)
Esperienze elettroniche (marco438)
Telecomunicazioni musicali (clavicordo)
Automazione ed Elettronica (gustavo)
Direttive per la sicurezza (ErnestoCappelletti)
EYnfo dall'Alaska (mir)
Apriamo il quadro! (attilio)
H7-25 (asdf)
Passione Elettrica (massimob)
Elettroni a spasso (guidob)
Bloguerra (guerra)





