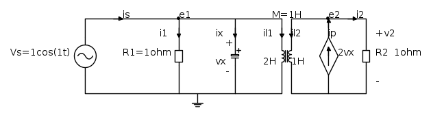
Salve, come indicato nel titolo il mio problema è quello di risolvere una rete mediante l'applicazione del metodo dell'analisi di Tableau. Il mio dubbio riguarda l'espressione del generatore dipendente indicato nello schema con 2vx. Prima ho proceduto con l'esprimere il circuito mediante LKC e LKT, ora però devo sviluppare il termine M0*dv + M1*v + No*di^+ N1*i= (generatori indipendenti di tensione). I termini in dv e in di rappresentano rispettivamente le derivate delle tensioni e delle correnti, pertanto le relative matrici quadrate terranno in conto L e C, se presenti. (nel mio caso la matrice di L è nulla). La mia domanda è: Come devo esprimere il generatore dipendente di tensione, in modo da avere una espressione corretta dell'equazioni di lato? NON posso scrivere che che ip (corrente che esce dal generatore) =2vx, altrimenti non otterrei un'espressione valida, e anche esplicitando vx come integrale della corrente sulla capacità, perché in tal modo avrei un termine integrale (non rientra nelle ipotesi del metodo). Grazie.
Per gli schemi devi usare Fidocadj
Risoluzione rete con analisi di Tableau
Moderatori:
g.schgor,
IsidoroKZ
16 messaggi
• Pagina 1 di 2 • 1, 2
0
voti
Ultima modifica di
TardoFreak il 22 giu 2013, 12:22, modificato 2 volte in totale.
Motivazione: Eliminata immagine lenzuolo.
Motivazione: Eliminata immagine lenzuolo.
1
voti
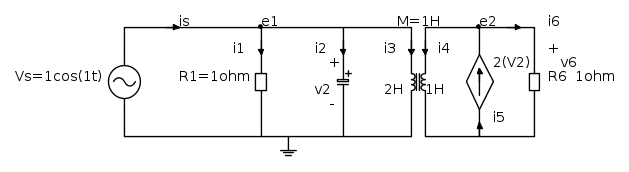
Ho modificato il circuito così come mi è stato chiesto:
Imposto innanzitutto la LKC:


Imposto la LKT






Equazioni di lato:






Fin qui è corretto ?
Imposto innanzitutto la LKC:


Imposto la LKT






Equazioni di lato:






Fin qui è corretto ?
1
voti
Ci sono degli errori spesso dovuti alla "forma" ; per semplificare il sistema di equazioni ti consiglierei:
a) di usare per ogni ramo una tensione e una corrente progressiva del tipo Vi, Ii (i=1...n)
b) di non usare * per i prodotti
c) di usare per le impedenze e le ammettenze la forma simbolica
a) di usare per ogni ramo una tensione e una corrente progressiva del tipo Vi, Ii (i=1...n)
b) di non usare * per i prodotti
c) di usare per le impedenze e le ammettenze la forma simbolica
"Il circuito ha sempre ragione" (Luigi Malesani)
0
voti
ok recepito il messaggio, prima di procedere alla costruzione della tabella vorrei sapere se concettualmente è corretto scrivere in questo modo. Il dubbio riguarda la penultima e la terz'ultima equazione.
0
voti
Riassegnando i valori ai vari lati della rete ottengo:
1
voti
Renzo87 ha scritto:Riassegnando i valori ai vari lati della rete ottengo:
Ok, ora direi che dovresti scrivere le KCL, le KVL (o meglio ancora la matrice di incidenza) e le equazioni costitutive, usando le nuove denominazioni; ricorda comunque che per il doppio bipolo induttore di equazioni costitutive ce ne sono due, una per ciascuna porta, ed infine, come ti dicevo in [3], io userei sL e sC.
BTW nello schema "prolunga" il riferimento a zero anche alla sottorete destra.
"Il circuito ha sempre ragione" (Luigi Malesani)
0
voti

ora però come faccio a scrivere

dato che non c'è corrispondenza con il generatore pilotato?
0
voti
Cioè nel momento in cui vado ad esprimere la LKT , come devo rappresentare l'equazione del generatore pilotato?
Io so che la matrice di incidenza nodale deve essere utilizzata (la sua trasposta) nell'esprimere le tensioni, ma nel mio caso devo scrivere V5= e2?
Io so che la matrice di incidenza nodale deve essere utilizzata (la sua trasposta) nell'esprimere le tensioni, ma nel mio caso devo scrivere V5= e2?
1
voti
Renzo87 ha scritto:Cioè nel momento in cui vado ad esprimere la LKT , come devo rappresentare l'equazione del generatore pilotato?
Semplicemente con la sua equazione costitutiva.
Renzo87 ha scritto:Io so che la matrice di incidenza nodale deve essere utilizzata (la sua trasposta) nell'esprimere le tensioni, ma nel mio caso devo scrivere V5= e2?
La matrice di incidenza si ottiene dalla topologia della rete (e quella da te riportata in [7] è corretta), di conseguenza non "devi scrivere" nulla di nuovo, ma semplicemente usare la matrice opposta della trasposta per costruire la sottomatrice 7 X 2 del Tableau; la relazione relativa alla tensione di ramo del generatore pilotato uscirà automaticamente sulla riga relativa al legame fra tensione di ramo e potenziali di nodo

L'equazione costitutiva del generatore comandato andrà poi a completare un'altra riga del Tableau, facendo si che la generica riga usata per dette equazioni

si particolarizzi nella

"Il circuito ha sempre ragione" (Luigi Malesani)
0
voti
[10] Re: Analisi Tableau
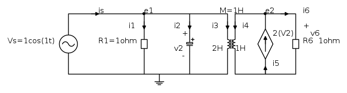
Ciao a tutti, sto risolvendo lo stesso esercizio con il metodo delle equazioni di stato.
Per prima cosa ho ricavato un albero proprio contenente condensatori.
Ho scritto la LKC dopo aver individuato un insieme di taglio comprendente il condensatore.
Non posso individuare alcuna maglia comprendente induttori perché non sono presenti nel circuito.
Come devo esprimere le relazioni che riguardano l'induttore accoppiato? Grazie
Per prima cosa ho ricavato un albero proprio contenente condensatori.
Ho scritto la LKC dopo aver individuato un insieme di taglio comprendente il condensatore.
Non posso individuare alcuna maglia comprendente induttori perché non sono presenti nel circuito.
Come devo esprimere le relazioni che riguardano l'induttore accoppiato? Grazie
16 messaggi
• Pagina 1 di 2 • 1, 2
Torna a Elettrotecnica generale
Chi c’è in linea
Visitano il forum: Nessuno e 16 ospiti

Elettrotecnica e non solo (admin)
Un gatto tra gli elettroni (IsidoroKZ)
Esperienza e simulazioni (g.schgor)
Moleskine di un idraulico (RenzoDF)
Il Blog di ElectroYou (webmaster)
Idee microcontrollate (TardoFreak)
PICcoli grandi PICMicro (Paolino)
Il blog elettrico di carloc (carloc)
DirtEYblooog (dirtydeeds)
Di tutto... un po' (jordan20)
AK47 (lillo)
Esperienze elettroniche (marco438)
Telecomunicazioni musicali (clavicordo)
Automazione ed Elettronica (gustavo)
Direttive per la sicurezza (ErnestoCappelletti)
EYnfo dall'Alaska (mir)
Apriamo il quadro! (attilio)
H7-25 (asdf)
Passione Elettrica (massimob)
Elettroni a spasso (guidob)
Bloguerra (guerra)




