Con un po di ritardo ma ci tenevo a dare una conclusione a questo post.
Allego un po di foto del prodotto finito (ok, mi mancano le "rifiniture" un po di colore sulle viti, qualche piedino sotto, una maniglia....).
Alla fine la doppia alimentazione è stata l'unica soluzione che mi ha dato un buon risultato.
Quindi alla fine ho cambiato il tutto.
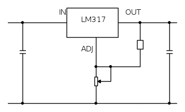
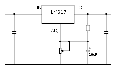
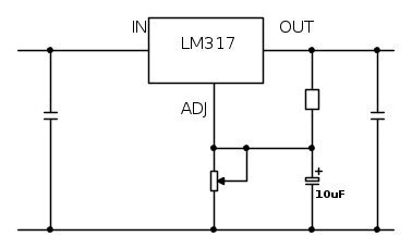
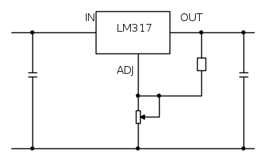
Ho usato un toroide con doppio secondario. Uno l'ho usato per la "logica e lettura MP3" e l'altro per la potenza.
Un uscita l'ho stabilizzata con un 7812 l'altra con un LM317 in cui sono riuscito ad ottenere 22V stabile (purtroppo il trafo che avevo era un 18Vac di secondario).
Nelle foto vedete sotto il trafo, a metà i regolatori e appesa a testa in giù la scheda
amplificatore.
Fuori dalla cassa, montata sopra, vedete il sistema di controllo per lettura musica su Mp3, con i tasti e display. Manca nella foto il telecomando che mi permette di gestire la musica da remoto.
Per ora sono soddifatto del lavoro e sto facendo prove "in campo"
Ciao a tutti e grazie per il supporto dato.

Elettrotecnica e non solo (admin)
Un gatto tra gli elettroni (IsidoroKZ)
Esperienza e simulazioni (g.schgor)
Moleskine di un idraulico (RenzoDF)
Il Blog di ElectroYou (webmaster)
Idee microcontrollate (TardoFreak)
PICcoli grandi PICMicro (Paolino)
Il blog elettrico di carloc (carloc)
DirtEYblooog (dirtydeeds)
Di tutto... un po' (jordan20)
AK47 (lillo)
Esperienze elettroniche (marco438)
Telecomunicazioni musicali (clavicordo)
Automazione ed Elettronica (gustavo)
Direttive per la sicurezza (ErnestoCappelletti)
EYnfo dall'Alaska (mir)
Apriamo il quadro! (attilio)
H7-25 (asdf)
Passione Elettrica (massimob)
Elettroni a spasso (guidob)
Bloguerra (guerra)







