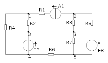
Salve, come posso trasformare la rete elettrica dell'immagine per inserirla in TINA?
Grazie.
Trasformazione di rete elettrica Lineare
Moderatori:
g.schgor,
IsidoroKZ
5 messaggi
• Pagina 1 di 1
0
voti
1
voti
yoo ha scritto:Salve, come posso trasformare la rete elettrica dell'immagine per inserirla in TINA?
Anche se non comprendo come tu possa avere problemi nel "raddrizzare" i lati obliqui mantenendo invariata la topologia della stessa, in questo caso particolare, non serve modificarla
"Il circuito ha sempre ragione" (Luigi Malesani)
0
voti
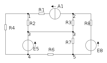
Come mai hai messo quel tipo di generatore per E5 ?
0
voti
yoo ha scritto:Come mai hai messo quel tipo di generatore per E5 ?
Prova a indovinare.
Edit, visto che hai abbandonato l'argomento, mi rispondo da solo, per i lettori del Forum: ho usato quel voltage generator perché di obliqui non ce n'erano di voltage source.
NB la tensione del generatore, pari a 5 volt, bisogna impostarla nel DC level, non nell'ampiezza del generatore.
"Il circuito ha sempre ragione" (Luigi Malesani)
5 messaggi
• Pagina 1 di 1
Torna a Elettrotecnica generale
Chi c’è in linea
Visitano il forum: Nessuno e 66 ospiti

Elettrotecnica e non solo (admin)
Un gatto tra gli elettroni (IsidoroKZ)
Esperienza e simulazioni (g.schgor)
Moleskine di un idraulico (RenzoDF)
Il Blog di ElectroYou (webmaster)
Idee microcontrollate (TardoFreak)
PICcoli grandi PICMicro (Paolino)
Il blog elettrico di carloc (carloc)
DirtEYblooog (dirtydeeds)
Di tutto... un po' (jordan20)
AK47 (lillo)
Esperienze elettroniche (marco438)
Telecomunicazioni musicali (clavicordo)
Automazione ed Elettronica (gustavo)
Direttive per la sicurezza (ErnestoCappelletti)
EYnfo dall'Alaska (mir)
Apriamo il quadro! (attilio)
H7-25 (asdf)
Passione Elettrica (massimob)
Elettroni a spasso (guidob)
Bloguerra (guerra)





