Salve a tutti:)
qualcuno mi sa dire come si calcola l energia fornita da un generatore per caricare un condensatore?
grazie mille:)
Energia generatore
Moderatori:
carloc,
g.schgor,
BrunoValente,
IsidoroKZ
10 messaggi
• Pagina 1 di 1
0
voti
Riformulo la domanda:) se prendo ad esempio un circuito generatore resistenza condenstaore al termine del transitorio immagazzino 1/2cv^2 sul condensatore ma, siccome vi è una corrente nel tempo necessario a caricare il condensatore ho una dissipazione di energia sulla resistenza. Sommando l energia immagazzinata e quella dissipata ottengo quella fornita dal generatore. Ecco io chiedo qual è la formula per calcolare l energia fornita dal generatore?
Ps: il mio caso specifico è la carica di un cond tramite un n-mos.
Ps: il mio caso specifico è la carica di un cond tramite un n-mos.
0
voti

"Non farei mai parte di un club che accettasse la mia iscrizione" (G. Marx)
-

claudiocedrone
21,3k 4 7 9 - Master EY

- Messaggi: 15302
- Iscritto il: 18 gen 2012, 13:36
0
voti
qual è la formula per calcolare l energia fornita dal generatore?
Io continuo a dire che l'energia dissipata dalla resistenza più quella immagazzinata nel condensatore carico (è questo quello che hai chiesto a quanto leggo) è uguale al doppio dell'energia immagazzinata in quest'ultimo...

0
voti
claudiocedrone ha scritto::-) Se hai un tuo caso specifico allora avrai anche un circuitino che puoi disegnare con fidocad in cui indicherai anche i valori di tensione e corrente erogati/erogabili dal generatore, la capacità del condensatore, la resistenza del resistore, le caratteristiche del MOS...
tensione della batteria VDD= 5V e quindi anche sul gate n MOS 5 V. transistore ideale, trascuro l effetto body. All' inizio del calcolo il condensatore scarico. Esso viene caricato fino a Vc=VDD-VTN (VTN=1v).
La mia domanda. In un processo di carica. Quanta energia è fornita dal generatore?
Ps: non inserisco il valore dei C perché mi interessa solamente la formula e non il risult numerico:)
grazie:)
2
voti
Formuleggiamo, allora
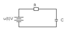
In una rete formata dal classico gruppo RC, tipo questa:
Calcoliamo l'energia dissipata dal resistore applicando la definizione di potenza elettrica al contrario:

Bisogna quindi trovare la tensione presente sul resistore.
La tensione sul condensatore è:

e sul resistore si avrà:

pertanto:

Che, come aveva fatto correttamente osservare
Ianero, corrisponde all'energia immagazzinata dal condensatore.
Ciao,
Pietro.
In una rete formata dal classico gruppo RC, tipo questa:
Calcoliamo l'energia dissipata dal resistore applicando la definizione di potenza elettrica al contrario:

Bisogna quindi trovare la tensione presente sul resistore.
La tensione sul condensatore è:

e sul resistore si avrà:

pertanto:

Che, come aveva fatto correttamente osservare
Ciao,
Pietro.
-

PietroBaima
90,7k 7 12 13 - G.Master EY

- Messaggi: 12206
- Iscritto il: 12 ago 2012, 1:20
- Località: Londra
0
voti
salve,
sulla soluzione l energia risulta essere:
Vdd*(Vdd-Vtn)*C. Non appunto (Vdd^2)*C.
sulla soluzione l energia risulta essere:
Vdd*(Vdd-Vtn)*C. Non appunto (Vdd^2)*C.
0
voti
Manca un fattore 1/2.
Questo conferma quello che dicevo prima, perché la tensione finale sul condensatore, in quel circuito, vale appunto
. Tanta è l'energia accumulata dal condensatore, tanta è quella dissipata dal resistore. Basta osservare che nella formula che riguarda l'energia dissipata dal resistore non compare la resistenza.
Ciao,
Pietro.
Questo conferma quello che dicevo prima, perché la tensione finale sul condensatore, in quel circuito, vale appunto
. Tanta è l'energia accumulata dal condensatore, tanta è quella dissipata dal resistore. Basta osservare che nella formula che riguarda l'energia dissipata dal resistore non compare la resistenza.Ciao,
Pietro.
-

PietroBaima
90,7k 7 12 13 - G.Master EY

- Messaggi: 12206
- Iscritto il: 12 ago 2012, 1:20
- Località: Londra
10 messaggi
• Pagina 1 di 1
Chi c’è in linea
Visitano il forum: Nessuno e 180 ospiti

Elettrotecnica e non solo (admin)
Un gatto tra gli elettroni (IsidoroKZ)
Esperienza e simulazioni (g.schgor)
Moleskine di un idraulico (RenzoDF)
Il Blog di ElectroYou (webmaster)
Idee microcontrollate (TardoFreak)
PICcoli grandi PICMicro (Paolino)
Il blog elettrico di carloc (carloc)
DirtEYblooog (dirtydeeds)
Di tutto... un po' (jordan20)
AK47 (lillo)
Esperienze elettroniche (marco438)
Telecomunicazioni musicali (clavicordo)
Automazione ed Elettronica (gustavo)
Direttive per la sicurezza (ErnestoCappelletti)
EYnfo dall'Alaska (mir)
Apriamo il quadro! (attilio)
H7-25 (asdf)
Passione Elettrica (massimob)
Elettroni a spasso (guidob)
Bloguerra (guerra)






pigreco]=π