Partitore di tensione su batteria, e LED
Moderatori:
carloc,
g.schgor,
BrunoValente,
IsidoroKZ
25 messaggi
• Pagina 2 di 3 • 1, 2, 3
0
voti
io sono disposto ad accettare tutti i vostri consigli, pero poi mi servirebbe lo schema per montare il nuiovo integrato preso in questione, ad esempio! 
-

filippozanandreis
13 6 - Frequentatore

- Messaggi: 129
- Iscritto il: 31 mar 2013, 16:30
0
voti
Comincia a guardare il data sheet dell'LM3914. Poi qui viewtopic.php?f=1&t=15878#p106037 trovi un circuito come quello che vuoi fare, bisogna solo ricalcolare le resistenze, quello era per 6V.
Per usare proficuamente un simulatore, bisogna sapere molta più elettronica di lui
Plug it in - it works better!
Il 555 sta all'elettronica come Arduino all'informatica! (entrambi loro malgrado)
Se volete risposte rispondete a tutte le mie domande
Plug it in - it works better!
Il 555 sta all'elettronica come Arduino all'informatica! (entrambi loro malgrado)
Se volete risposte rispondete a tutte le mie domande
0
voti
interessante questo, ma.. per il calcolo delle R?
-

filippozanandreis
13 6 - Frequentatore

- Messaggi: 129
- Iscritto il: 31 mar 2013, 16:30
0
voti
Leggi il datasheet, dai le specifiche (tensione minima e massima...) compra l'integrato e poi le resistenze si calcolano. Se cerchi batteria e 3914 oppure carica e 3914 trovi altri post con altri schemi.
Per usare proficuamente un simulatore, bisogna sapere molta più elettronica di lui
Plug it in - it works better!
Il 555 sta all'elettronica come Arduino all'informatica! (entrambi loro malgrado)
Se volete risposte rispondete a tutte le mie domande
Plug it in - it works better!
Il 555 sta all'elettronica come Arduino all'informatica! (entrambi loro malgrado)
Se volete risposte rispondete a tutte le mie domande
0
voti
Con un lm mi spingerei troppo in la, non ne sono così esperto! Invece qualcuno mi può postare uno schema con l integrato 7805?? Io ho provato a fare un po di conti, ipotizzando sulla R tot un valore di 10kohm.. Un trimmer per regolare il tensione sugli amplificatori operazionali.. È la r 1 sarebbe di 5300 ohm.. Le altre nove di 300 ohm ciascuna per limitare la corrente a 0.2 mA. La prima resistenza però? È 10000-5300-(300x9)=3000? Grazie in anticipo!!
-

filippozanandreis
13 6 - Frequentatore

- Messaggi: 129
- Iscritto il: 31 mar 2013, 16:30
0
voti
filippozanandreis ha scritto:Invece qualcuno mi può postare uno schema con l integrato 7805??
Comunque il link è il seguente:
http://www.google.it/url?sa=t&rct=j&q=& ... 8514,d.ZWU
0
voti
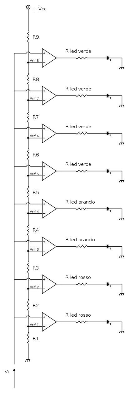
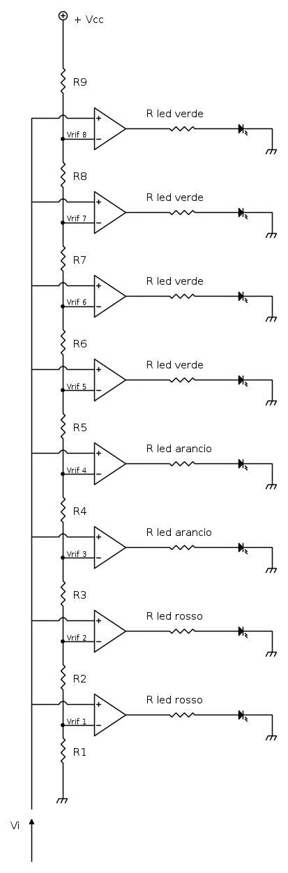
Se utilizzo uno schema così i led si spengono tutti (3) a parte uno, io voglio una scala di 10 led che mi vada a valutare la carica della batteria, con un intervallo tra un comparatore e l altro di mezzo volt, ovviamente opportunatamente diviso in proporzione al tensione che esce dall integrato, ovvero diviso 3.4, mi sembra un buon valore. Mi mancava come completare l ultima resistenza del partitore.. È chiedervi se era corretto il mio principio
-

filippozanandreis
13 6 - Frequentatore

- Messaggi: 129
- Iscritto il: 31 mar 2013, 16:30
0
voti
Se le tensioni delle soglie sono quelle che hai riportato nel disegno in fidocadj, cioè:
Gli operazionali da utilizzare sono otto anzichè,come da te disegnato, nove.
Quindi il circuito diventa:
filippozanandreis ha scritto:...ipotizzando sulla R tot un valore di 10kohm.... la R1 sarebbe di 5300 ohm.. Le altre nove di 300 ohm ciascuna .... La prima resistenza però? È 10000-5300-(300x9)=3000?
Se hai imposto:

la
ti risulta 
e le altre sette resistenze ti risultano:

allora la:
filippozanandreis ha scritto:.... La prima resistenza però? È 10000-5300-(300x9)=3000?
Cioè la
risulta:
e sostituendo si ottiene:

filippozanandreis ha scritto: ... chiedervi se era corretto il mio principio...
Come principio è corretto.
Comunque il mio consiglio è quello di seguire le indicazioni che ti ha fornito
1
voti
Grazie mille invece per la risposta, non ti preoccupare del ritardo, figurati! Invece sto aspettando entrambi gli integrati e i trimmer, appena finiro il progetto vi farò sapere ovviamente per qualsiasi dubbio o chiarimento chiederò a voi, siete fantastici! :)
-

filippozanandreis
13 6 - Frequentatore

- Messaggi: 129
- Iscritto il: 31 mar 2013, 16:30
0
voti
Aspetta aspetta, il disegno forse è giusto l intervallo che ho scritto no, va di mezzo volt alla volta, e ne ho salato uno le resistenze quindi sono 9, i conti restano esatti?!:)
-

filippozanandreis
13 6 - Frequentatore

- Messaggi: 129
- Iscritto il: 31 mar 2013, 16:30
25 messaggi
• Pagina 2 di 3 • 1, 2, 3
Chi c’è in linea
Visitano il forum: Nessuno e 43 ospiti

Elettrotecnica e non solo (admin)
Un gatto tra gli elettroni (IsidoroKZ)
Esperienza e simulazioni (g.schgor)
Moleskine di un idraulico (RenzoDF)
Il Blog di ElectroYou (webmaster)
Idee microcontrollate (TardoFreak)
PICcoli grandi PICMicro (Paolino)
Il blog elettrico di carloc (carloc)
DirtEYblooog (dirtydeeds)
Di tutto... un po' (jordan20)
AK47 (lillo)
Esperienze elettroniche (marco438)
Telecomunicazioni musicali (clavicordo)
Automazione ed Elettronica (gustavo)
Direttive per la sicurezza (ErnestoCappelletti)
EYnfo dall'Alaska (mir)
Apriamo il quadro! (attilio)
H7-25 (asdf)
Passione Elettrica (massimob)
Elettroni a spasso (guidob)
Bloguerra (guerra)




