
Significa :
vale
se
mentre vale
per
.Nel tuo caso hai considerato solo una disequazione. Non so se il problema è solo lì ma da un'occhiata veloce ho individuato questo errore.
Moderatori:
PietroBaima,
Ianero

vale
se
mentre vale
per
.



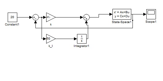
per qualsiasi riferimento
non avrei potuto contenere l'errore a regime secondo la specifica.




.
perché ho l'azione integrale!
e
a ciclo chiuso, considerando l'ingresso di [39] ottengo:





e
il sistema è asintoticamente stabile e converge al punto di equilibrio
, cioè
.
e
la risposta del sistema ha un errore a regime nullo perché l'uscita è pari al reference
e ha un tempo di assestamento minore di 10 secondi.Visitano il forum: Google [Bot] e 5 ospiti