Problema con AD623: non amplifica in modo corretto.
Moderatori:
carloc,
g.schgor,
BrunoValente,
IsidoroKZ
9 messaggi
• Pagina 1 di 1
0
voti
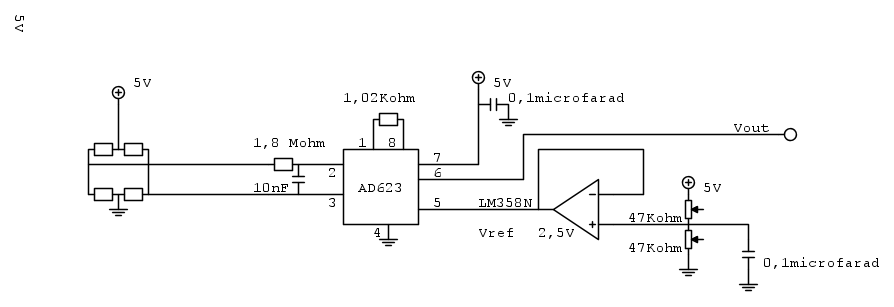
Salve, ho un amplificatore operazionale da strumentazione ad623. Se applico un segnale in ingresso proveniente da una cella di carico con collegamento a ponte di wheatstone di 0.5 mv l'amplificatore non amplifica come dovrebbe visto che ho impostato il guadagno a 1000, ma mi viene 12,3 mv. L'ad623 l'ho alimentato con una tensione nominale di 5v stabilizzata mentre la vref lo messa a massa. Che può essere?
2
voti
jmonty ha scritto:l'amplificatore non amplifica come dovrebbe visto che ho impostato il guadagno a 1000
Ma per avere un guadagno pari a 1000 non dovresti usare una resistenza da 100 ohm anzichè quella da 1.02 kohm che hai usato tu?

0
voti
Si ho sbagliato il valore della resistenza. Ma ho visto dal datasheet che l'ad623 ha il problema della tensione di swing per la quale il valore massimo dal gain se alimento ad623 è all'incirca 250. Una cosa che non ho capito è che una volta che l'ad623 satura si stalla e devo riattaccarlo e staccarlo dalla tensione una o più volte affinché possa funzionare. Da cosa dipende?
1
voti
jmonty ha scritto:Una cosa che non ho capito è che una volta che l'ad623 satura si stalla e devo riattaccarlo e staccarlo dalla tensione una o più volte affinché possa funzionare. Da cosa dipende?
Potrebbe essere un problema di latch up
http://en.wikipedia.org/wiki/Latchup
0
voti
Ho fatto delle prove con l'ad623 alimentato a 5v, e con un ingresso di 10mv posso ottenere al massimo 1000mv con una resistenza da 100ohm. Non posso amplificare la tensione di uscita con un lm358n per avere in uscita 3v o più in modo che tendi il più possibile ai 5v che poi potrò fa leggere ad arduino?
9 messaggi
• Pagina 1 di 1
Chi c’è in linea
Visitano il forum: Nessuno e 188 ospiti

Elettrotecnica e non solo (admin)
Un gatto tra gli elettroni (IsidoroKZ)
Esperienza e simulazioni (g.schgor)
Moleskine di un idraulico (RenzoDF)
Il Blog di ElectroYou (webmaster)
Idee microcontrollate (TardoFreak)
PICcoli grandi PICMicro (Paolino)
Il blog elettrico di carloc (carloc)
DirtEYblooog (dirtydeeds)
Di tutto... un po' (jordan20)
AK47 (lillo)
Esperienze elettroniche (marco438)
Telecomunicazioni musicali (clavicordo)
Automazione ed Elettronica (gustavo)
Direttive per la sicurezza (ErnestoCappelletti)
EYnfo dall'Alaska (mir)
Apriamo il quadro! (attilio)
H7-25 (asdf)
Passione Elettrica (massimob)
Elettroni a spasso (guidob)
Bloguerra (guerra)








