da
RenzoDF » 22 giu 2013, 19:22
daymos ha scritto:L'esercizio l'ho riportato alla lettera dal testo dell'esercizio. Aggiungo che la frequenza è 50 Hz.
Che la frequenza sia quella non ci interessa proprio ... ad ogni modo
OK, se quello è il testo originale, possiamo provare in questo modo:
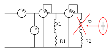
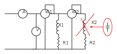
a) visto che conosciamo la corrente I1, conosciamo anche l'impedenza Z1 del ramo X1-R1 e quindi
X1b) la potenza reattiva totale Qtot la possiamo ricavare dalla potenza apparente d'ingresso e dalla
potenza attiva totale W1
c) conoscendo I1 possiamo calcolarci la potenza reattiva Q1 in X1 e sottrarla alla Qtot per ricavare Q2
d) conoscendo Q2 e W2 possiamo ricavare I2,
R2 e
X2.
Lascio a te i calcoli.
