Cos'è ElectroYou | Login Iscriviti

ElectroYou - la comunità dei professionisti del mondo elettrico

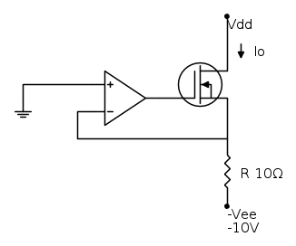
Esercizio OP-AMP + MOSFET

Elettronica lineare e digitale: didattica ed applicazioni

Moderatori: Foto Utentecarloc, Foto Utenteg.schgor, Foto UtenteBrunoValente, Foto UtenteIsidoroKZ

1
voti

[1] Esercizio OP-AMP + MOSFET

Messaggioda Foto Utentepepy91 » 23 giu 2013, 19:53

Buonasera a tutti! Ecco l'esercizio che non so come risolvere:

Mi chiede di calcolare :
1. La corrente I_o assumendo il MOSFET in saturazione;
2. Il valore minimo della tensione V_{dd} necessario affinchè il MOSFET sia in saturazione se V_{TN}=2.5V e K_{TN}=0.25 A/V^2.

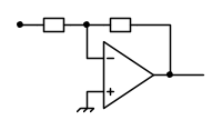
Cominciando a ragionare un po', direi che l'OP-AMP si trova in configurazione invertente, in cui il morsetto - viene alimentato dalla tensione ai capi della resistenza R, cioè V_{ee}. Ora considerando una tipica configurazione invertente:

in cui si sa che V_o= - \frac{R_2}{R_1}V_i, io vedo solo la resistenza R_1 (che nel circuito è la R), ma R_2 no. Come devo risolvere?
Avatar utente
Foto Utentepepy91
765 2 10
New entry
New entry
 
Messaggi: 65
Iscritto il: 11 giu 2013, 16:15

0
voti

[2] Re: Esercizio OP-AMP + MOSFET

Messaggioda Foto Utenteclaudiocedrone » 23 giu 2013, 23:30

:-) Direi che le veci della ipotetica "R2" sono svolte da G e S del mosfet... poi dipende da come lo modelli. O_/
"Non farei mai parte di un club che accettasse la mia iscrizione" (G. Marx)
Avatar utente
Foto Utenteclaudiocedrone
21,3k 4 7 9
Master EY
Master EY
 
Messaggi: 15302
Iscritto il: 18 gen 2012, 13:36

0
voti

[3] Re: Esercizio OP-AMP + MOSFET

Messaggioda Foto Utentejordan20 » 24 giu 2013, 0:19

Mi sembra più una configurazione da inseguitore di tensione puro... comunque, per il primo punto, potresti iniziare ragionando in termini di correnti... Avendo un MOS sai che la corrente di gate è....... Poi ti dice che sei in zona di saturazione, quindi nella parte delle curve d'uscita ad ID costante... per cui... hai già un po' di elementi a disposizione
"Lo scienziato descrive ciò che esiste, l'ingegnere crea ciò che non era mai stato."
(T. von Kármán)
Avatar utente
Foto Utentejordan20
13,0k 5 11 13
G.Master EY
G.Master EY
 
Messaggi: 1550
Iscritto il: 13 lug 2011, 12:55
Località: Palermo

0
voti

[4] Re: Esercizio OP-AMP + MOSFET

Messaggioda Foto Utentepepy91 » 24 giu 2013, 8:26

In un MOSFET la corrente di gate è nulla e quella di drain in saturazione è data da:
I_{DS}= \frac{K_n}{2} (V_{GS} - V_{TN})^2

Quello che in teoria mi mancherebbe è la V_{GS}, ma questa potrebbe essere uguale alla tensione V_{EE}, perché altrimenti non saprei proprio come fare.
Vi prego aiutatemi!! :oops:
Avatar utente
Foto Utentepepy91
765 2 10
New entry
New entry
 
Messaggi: 65
Iscritto il: 11 giu 2013, 16:15

1
voti

[5] Re: Esercizio OP-AMP + MOSFET

Messaggioda Foto Utentesedetiam » 24 giu 2013, 11:46

Ciao Foto Utentepepy91 ,
tu sai che l'ingresso invertente dell'operazionale insegue quello non invertente per portarsi allo stesso potenziale, e quindi a potenziale zero in questo caso, ed essendo l'ingresso invertente collegato al source del mosfet, hai che V_{Source}=0 V. Inoltre la corrente di gate è nulla così come agli ingressi dell'operazionale e quindi la corrente I_{0} è la stessa che attraversa la resistenza R, che ai suoi capi ha una differenza di potenziale di: V_{Source}-V_{ee}=0-(-10)=10 V

...ora continua tu ;-)
"dai diamanti non nasce niente, dal letame nascono i fior" - Fabrizio De Andrè
Avatar utente
Foto Utentesedetiam
2.135 1 4 9
Master
Master
 
Messaggi: 511
Iscritto il: 11 gen 2013, 12:04

0
voti

[6] Re: Esercizio OP-AMP + MOSFET

Messaggioda Foto Utentepepy91 » 24 giu 2013, 18:54

Intanto ti ringrazio per avermi risposto Foto Utentesedetiam. Essendo I_o la corrente che scorre su R, avremo che essa è uguale a \frac{V_R}{R}= 1A.

Affinchè un MOSFET sia in saturazione, è necessaria che sia valida la seguente condizione:
|V_{DS}| = |V_{GS}| - |V_{TN}|( inteso come minimo valore che la V_{DS} deve assumere per trovarci in saturazione. Il valore della V_{GS} lo calcoliamo dalla formula della I_{DS} in saturazione, da cui avremo due valori (ponendo I_{DS} = 1A): -0.32V e 5.32V, di cui scartiamo il primo valore in quanto per un valore di V_{GS} < V_{TN} tra drain e source non si forma alcun canale che li colleghi. Perciò avremo V_{DS} = 5.32 - 2.5 = 2.82 V.
Alla maglia d'uscita del MOSFET abbiamo V_{DD} = V_{DS} + 10V. Sostituendo il valore di V_{DS} ottenuto, avremo V_{DD} = 2.82 + 10 = 12.82 V.

Chissà quante castronerie ho detto!! :-)
Avatar utente
Foto Utentepepy91
765 2 10
New entry
New entry
 
Messaggi: 65
Iscritto il: 11 giu 2013, 16:15

0
voti

[7] Re: Esercizio OP-AMP + MOSFET

Messaggioda Foto Utentesedetiam » 24 giu 2013, 19:18

se fosse così avresti che V_{DS}=12,82V

occhio che V_{DD}=V_{Drain}

OK per la V_{GS}
"dai diamanti non nasce niente, dal letame nascono i fior" - Fabrizio De Andrè
Avatar utente
Foto Utentesedetiam
2.135 1 4 9
Master
Master
 
Messaggi: 511
Iscritto il: 11 gen 2013, 12:04

0
voti

[8] Re: Esercizio OP-AMP + MOSFET

Messaggioda Foto Utentepepy91 » 24 giu 2013, 19:23

sedetiam ha scritto:se fosse così avresti che V_{DS}=12,82V

occhio che V_{DD}=V_{Drain}


Scusami non ho capito dove ho sbagliato. Io ho scritto che alla maglia d'uscita del MOSFET abbiamo V_{DD} = V_{DS} + 10V. Sostituendo nella maglia d'uscita il valore di V_{DS} ottenuto, avremo V_{DD} = 2.82 + 10 = 12.82 V..
Avatar utente
Foto Utentepepy91
765 2 10
New entry
New entry
 
Messaggi: 65
Iscritto il: 11 giu 2013, 16:15

0
voti

[9] Re: Esercizio OP-AMP + MOSFET

Messaggioda Foto Utentesedetiam » 24 giu 2013, 19:28

V_{DD}=V_{DS}

e quindi il valore limite è quello da te precedentemente calcolato:

V_{DD}=2,82 V
"dai diamanti non nasce niente, dal letame nascono i fior" - Fabrizio De Andrè
Avatar utente
Foto Utentesedetiam
2.135 1 4 9
Master
Master
 
Messaggi: 511
Iscritto il: 11 gen 2013, 12:04

0
voti

[10] Re: Esercizio OP-AMP + MOSFET

Messaggioda Foto Utentepepy91 » 24 giu 2013, 19:31

Adesso ho capito. Mi sono confuso perché ho creduto che quella resistenza R fosse la resistenza di Source e invece no. Grazie mille!!!
Avatar utente
Foto Utentepepy91
765 2 10
New entry
New entry
 
Messaggi: 65
Iscritto il: 11 giu 2013, 16:15

Prossimo

Torna a Elettronica generale

Chi c’è in linea

Visitano il forum: Nessuno e 53 ospiti