http://www.bricoman.it/negozio/elettric ... /10025676/
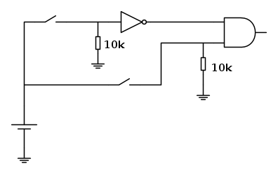
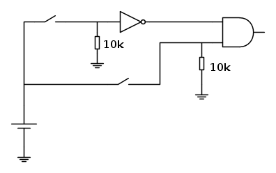
come prima cosa ho collegato il primo filo del sensore magnetico a positivo ed il secondo filo all'ingresso di una porta and (CD4081 usando tensione 12v) ma non mi riconosce lo 0 logico.
Allora ho pensato di usare un trigger di smith (cd40106) ma anche questo non mi riconosce lo 0 e quindi in uscita non mi da 12 volt desiderati avete qualche idea per risolvere il problema?
Vi ringrazio anticipatamente per le vostre future risposte

Elettrotecnica e non solo (admin)
Un gatto tra gli elettroni (IsidoroKZ)
Esperienza e simulazioni (g.schgor)
Moleskine di un idraulico (RenzoDF)
Il Blog di ElectroYou (webmaster)
Idee microcontrollate (TardoFreak)
PICcoli grandi PICMicro (Paolino)
Il blog elettrico di carloc (carloc)
DirtEYblooog (dirtydeeds)
Di tutto... un po' (jordan20)
AK47 (lillo)
Esperienze elettroniche (marco438)
Telecomunicazioni musicali (clavicordo)
Automazione ed Elettronica (gustavo)
Direttive per la sicurezza (ErnestoCappelletti)
EYnfo dall'Alaska (mir)
Apriamo il quadro! (attilio)
H7-25 (asdf)
Passione Elettrica (massimob)
Elettroni a spasso (guidob)
Bloguerra (guerra)






