Cos'è ElectroYou | Login Iscriviti

ElectroYou - la comunità dei professionisti del mondo elettrico

Alimentatore 200W, 90kV per 2 tubi a raggi x

Trasformatori, macchine rotanti ed azionamenti

Moderatori: Foto UtenteSandroCalligaro, Foto Utentemario_maggi, Foto Utentefpalone

0
voti

[21] Re: Alimentatore 200W, 90kV per 2 tubi a raggi x

Messaggioda Foto Utentemarco438 » 30 giu 2013, 12:05

PietroBaima ha scritto:scusa la domanda, ma se sai solo le basi, com'è che non sai progettare un circuito magnetico ??

Sara' un' impressione ma a me questo thread sembra sempre piu' insensato, come quelli precedenti dell'OP.
Non sarebbe il caso di chiuderlo?
marco
Avatar utente
Foto Utentemarco438
37,1k 7 11 13
-EY Legend-
-EY Legend-
 
Messaggi: 16323
Iscritto il: 24 mar 2010, 15:09
Località: Versilia

2
voti

[22] Re: Alimentatore 200W, 90kV per 2 tubi a raggi x

Messaggioda Foto UtenteTardoFreak » 30 giu 2013, 12:27

Non saprei.
Male che vada leggeremo un' agenzia di questo tenore.

ANSIA-NEWS Hobbista in fin di vita
Testo: Versa in condizioni critiche un hobbista elettronico vittima di un incidente durante la costruzione di un' apparecchiatura in alta tensione. Il ragazzo è stato folgorato da un elevatore di tensione per tubi a raggi X autocostruito.
"Non pensavo succedesse tutto questo" sono state le sue parole mentre veniva trasportato d' urgenza nel reparto di rianimazione dove in medici lo hanno sottoposto a diversi tentativi di rianimazione andati fortunatamente a buon fine.
...

:mrgreen:
"La follia sta nel fare sempre la stessa cosa aspettandosi risultati diversi".
"Parla soltanto quando sei sicuro che quello che dirai è più bello del silenzio".
Rispondere è cortesia, ma lasciare l'ultima parola ai cretini è arte.
Avatar utente
Foto UtenteTardoFreak
73,9k 8 12 13
-EY Legend-
-EY Legend-
 
Messaggi: 15754
Iscritto il: 16 dic 2009, 11:10
Località: Torino - 3° pianeta del Sistema Solare

0
voti

[23] Re: Alimentatore 200W, 90kV per 2 tubi a raggi x

Messaggioda Foto Utentedanielemateriale » 30 giu 2013, 12:46

grazie a StefanoSunda per la risposta

TardoFreak ..... :!:


Comunque dovrei fare questo in teoria:


http://www.ceixray.com/content/uploads/ ... orA3_1.pdf

i tubi anche se sono su ebay sono proprio buoni di qualita superiore prodotti in italia con tanto di assisitenza quindi se volete acquistarne uno andate su ebay e cercate 0x/70

dovrei riprodurre l'alimentatore con i condensatori blu poi per il filamento usero un alimentatore regolabile.
Avatar utente
Foto Utentedanielemateriale
26 3
New entry
New entry
 
Messaggi: 66
Iscritto il: 8 dic 2010, 18:27

0
voti

[24] Re: Alimentatore 200W, 90kV per 2 tubi a raggi x

Messaggioda Foto UtentePietroBaima » 30 giu 2013, 17:50

Quello che intendevo evidenziare e' che questa richiesta sembra la solita richiesta fatta da chi ha intenzione di fare qualcosa di diverso rispetto a quanto chiede pubblicamente: c'e' una necessita' di riservatezza, qualche amico che puo' essere di aiuto e ha le competenze tecniche per esserlo ma, guarda caso, non puo', la richiesta e' chiaramente al di sopra delle possibilita' tecniche dell'OP e il tutto e' vago e inconcludente.
Tutto questo senza contare la pericolosita' dell'applicazione ad alta tensione e dei raggi X per chi non li sa manipolare correttamente.
Sono perplesso.
Vorrei piu' chiarezza, altrimenti sono per la chiusura del thread, come gia' proposto.

Ciao,
Pietro.
Generatore codice per articoli:
nomi
Sul forum:
[pigreco]=π
[ohm]=Ω
[quadrato]=²
[cubo]=³
Avatar utente
Foto UtentePietroBaima
90,7k 7 12 13
G.Master EY
G.Master EY
 
Messaggi: 12206
Iscritto il: 12 ago 2012, 1:20
Località: Londra

3
voti

[25] Re: Alimentatore 200W, 90kV per 2 tubi a raggi x

Messaggioda Foto UtenteCandy » 30 giu 2013, 19:25

In verità, condividendo le esternazioni di Foto UtentePietroBaima, non condivido invece il modo di aver posto il problema da parte dell'utente.
E' fin troppo evidente che la richiesta arriva da un totale ignorante in materia e, non solo per la pericolosità, reale e concreta, (ma cosa non lo è), ma piuttosto e sopratutto perché l'uso del forum per richieste così generiche, vaghe, per arrivare invece ad un punto ben preciso, ad anche con insistenza, come sono solito dire, è impraticabile.

L'utente non sa valutare e stimare il percorso che c'è tra la domanda e la realizzazione finale: le complessità, progettiali, esecutive, le verifiche e le correzioni da mettere in atto per arrivare ad un oggetto finale, affidabile, fruibile.

Facile dire: è troppo pericoloso, lascia pardere. In verità è più complesso rappresentare al richiedente la complessità di un lunghissimo percorso progettuale ed esecutivo: le attrezzature utili, le conoscenze indispensabili, ecc.

Il thread non andrebbe chiuso perché la richiesta è strampalata. Andrebbe chiuso semmai perché il forum non è il luogo per imparare, partendo da zero, a sviluppare un progetto.
Quando scrissi frettolosamente che avrebbe dovuto esserci un progettista, è evidente, bisognava leggere bene tra le righe non scritte.
Avatar utente
Foto UtenteCandy
32,5k 7 10 13
CRU - Account cancellato su Richiesta utente
 
Messaggi: 10123
Iscritto il: 14 giu 2010, 22:54

0
voti

[26] Re: Alimentatore 200W, 90kV per 2 tubi a raggi x

Messaggioda Foto Utentedanielemateriale » 5 lug 2013, 20:13

Un particolare ringraziamento va a alex90 e stefanosunda che hanno risposto con criterio alle domande che ho posto

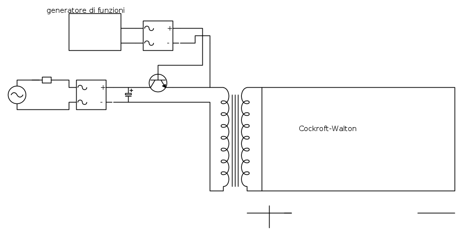
Questo è quello che andro a fare alla fine. con 80kV frequenza 50kHz in entrata al moltiplicatore di tensione.
Utilizzando alla fine un transistor pero ottenere la frequenza alternata.

Se volete commentare il mio lavoro fate pure, ma per cortesia, non postate discorsi sulla questione, chiudiamo il tread perche deve progettare un circuito che è piu complesso di quello per far accendere una lampadina oppure sulle mie abilita. Grazie. :ok:




Avatar utente
Foto Utentedanielemateriale
26 3
New entry
New entry
 
Messaggi: 66
Iscritto il: 8 dic 2010, 18:27

0
voti

[27] Re: Alimentatore 200W, 90kV per 2 tubi a raggi x

Messaggioda Foto Utentemarco438 » 5 lug 2013, 20:23

Mah!
marco
Avatar utente
Foto Utentemarco438
37,1k 7 11 13
-EY Legend-
-EY Legend-
 
Messaggi: 16323
Iscritto il: 24 mar 2010, 15:09
Località: Versilia

0
voti

[28] Re: Alimentatore 200W, 90kV per 2 tubi a raggi x

Messaggioda Foto Utenteattilio » 5 lug 2013, 21:04

Scusate l' OT, ma che cose'è, o meglio... chi è l' "OP"? :?
Ognuno sta solo sul cuor della terra
trafitto da un raggio di sole:
ed è subito sera


Salvatore Quasimodo
Avatar utente
Foto Utenteattilio
61,4k 8 12 13
free expert
 
Messaggi: 9167
Iscritto il: 21 gen 2007, 14:34

2
voti

[29] Re: Alimentatore 200W, 90kV per 2 tubi a raggi x

Messaggioda Foto UtenteDirtyDeeds » 5 lug 2013, 21:07

Attilio ha scritto:Scusate l' OT, ma che cose'è, o meglio... chi è l' "OP"?


L'OP è l'original poster, colui che ha scritto il primo messaggio della discussione.
It's a sin to write sin instead of \sin (Anonimo).
...'cos you know that cos ain't \cos, right?
You won't get a sexy tan if you write tan in lieu of \tan.
Take a log for a fireplace, but don't take log for \logarithm.
Avatar utente
Foto UtenteDirtyDeeds
55,9k 7 11 13
G.Master EY
G.Master EY
 
Messaggi: 7012
Iscritto il: 13 apr 2010, 16:13
Località: Somewhere in nowhere

0
voti

[30] Re: Alimentatore 200W, 90kV per 2 tubi a raggi x

Messaggioda Foto Utenteattilio » 5 lug 2013, 21:08

Ah, capito.
Grazie DD :ok:
Ognuno sta solo sul cuor della terra
trafitto da un raggio di sole:
ed è subito sera


Salvatore Quasimodo
Avatar utente
Foto Utenteattilio
61,4k 8 12 13
free expert
 
Messaggi: 9167
Iscritto il: 21 gen 2007, 14:34

PrecedenteProssimo

Torna a Macchine elettriche

Chi c’è in linea

Visitano il forum: Nessuno e 37 ospiti