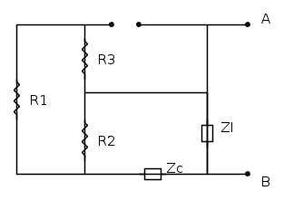
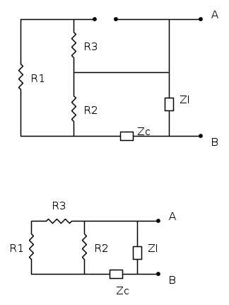
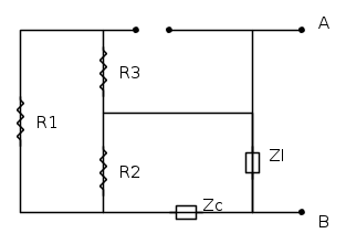
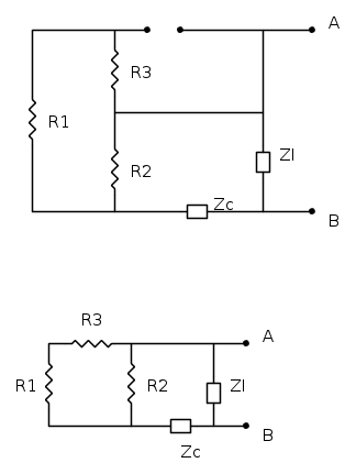
Ciao!! Sto calcolando la resistenza equivalente del generatore di Thevenin alla porta A-B. Si tratta di un esercizio in regime sinuosidale..
In genere non ho problemi a distinguere quando delle resistenze/impedenze sono in serie o parallelo, ma in questo caso ho alcuni dubbi. Se non ci fosse R3 "di mezzo" non avrei problemi, perché avrei R1 e R2 in parallelo...ma in questo caso, come faccio? Intuitivamente direi che R1 e R3 sono in serie per la presenza del circuito aperto, che R3 è in parallelo con R2 ma poi mi blocco..
Qualcuno saprebbe darmi un suggerimento? O anche solo correggermi circa una delle mie affermazioni, se sbagliate? Grazie infinite

Elettrotecnica e non solo (admin)
Un gatto tra gli elettroni (IsidoroKZ)
Esperienza e simulazioni (g.schgor)
Moleskine di un idraulico (RenzoDF)
Il Blog di ElectroYou (webmaster)
Idee microcontrollate (TardoFreak)
PICcoli grandi PICMicro (Paolino)
Il blog elettrico di carloc (carloc)
DirtEYblooog (dirtydeeds)
Di tutto... un po' (jordan20)
AK47 (lillo)
Esperienze elettroniche (marco438)
Telecomunicazioni musicali (clavicordo)
Automazione ed Elettronica (gustavo)
Direttive per la sicurezza (ErnestoCappelletti)
EYnfo dall'Alaska (mir)
Apriamo il quadro! (attilio)
H7-25 (asdf)
Passione Elettrica (massimob)
Elettroni a spasso (guidob)
Bloguerra (guerra)





