Salve a tutti, sono nuovo da queste parti, più che altro sono nuovo a scrivere perché ho seguito molti post scritti da altri utenti...:)
Vi scrivo perché ho un problema con un progetto che sto svolgendo per un esame.
Praticamente devo dimensionare un oscillatore a sfasamento in modo da farlo oscillare a 100Khz ottenendo una potenza dissipata totale inferiore a 20 mW.
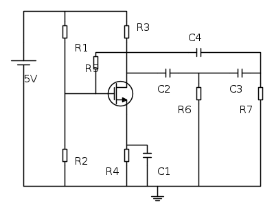
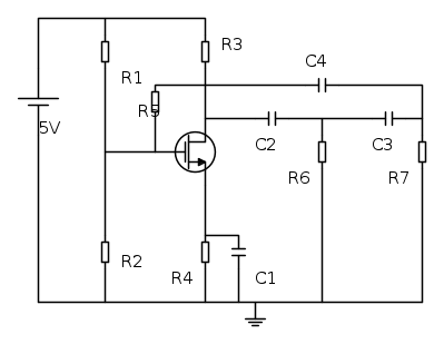
Il circuito dell'oscillatore è il seguente:
Ora dopo aver dimensionato il mosfet e dopo aver fatto tutti i calcoli, il mio circuito oscilla, ma non oscilla alla frequenza che desidero.
Cioè, dai calcoli della parte reale ed immaginaria mi calcolo i valori delle resisteze e dei condensatori della rete di reazione in modo da ottenere una oscillazione di 100 kHz, però il circuito non oscilla a 100Khz ma un po di piu, circa 170Khz...
Qualcuno sa perché?
Grazie a tutti...:)
Oscillatore a sfasamento 100 kHz
Moderatori:
carloc,
g.schgor,
BrunoValente,
IsidoroKZ
17 messaggi
• Pagina 1 di 2 • 1, 2
0
voti
0
voti
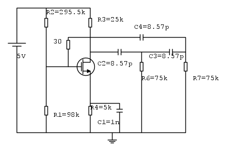
Allora, il circuito con i valori impostati sono:
Dove, ho iniziato impostando la tensione di drain Vd=2.5V e la tensione di source Vs=0.5V, quindi ho calcolato il parallelo tra R3//R0=4.237/K*((Vgs-Vth)^2)
Ora, ho calcolato il guadagno Av=gm*R3//R0, dove gm=K(Vgs-Vth)(1+lambda*Vds) ed ho impostao il guadagno uguale a 100 e mi sono trovato Vgs<=0.74. Quindi posso determinare Vg=1.245.
Ora, dovendo dissipare al massimo 20mW, vuol dire che devo avere una corrente di drain non maggiore a 1mA, allora prendo Id=1microA e calcolo K dalle formule precedenti: K=0.1157 dal quale mi ricavo W/L=6.95.
Ora, sostituendo tutti i valori alle formule precedenti, ottengo:
gm=0.005
R0=271.7K
R3=25K
R3//R0=22.89K
R4=5K
Ora passo a verificare le condizioni di Barkausen.
Ho disegnato il circuito alle variazioni e l'ho semplificato con theven come segue:
Dove ho fatto la serie tra R1//R2 e R5, e dove Vth=gmVgsRu con Ru=R3//Ro
Ora ho posto R=R6=R7=R5+(R1//R2) e Z=C"=C3=C4 con Z=1/SC
Nella semplificazione successiva ottengo Va=Vth*(R/R+Z+Ru) e Za=R//(Z+Ru)
Poi, applicando ancora Thevenin:
dove Vb=Va*(R/R+Z+Za) e Zb=R//(Z+Za)
Ora mi ricavo la tensione Vout ai capi dell'ultima resistenza a destra:
Vuot=Vb*(R/R+Z+Zb)
Ora trovo la funzione di trasferimento Vin/Vout, dalla quale mi ricavo omega:
Quindi, da omega mi calcolo C=8.57p
Spero di essere stato chiaro, se ci sono altri dubbi chiedete pure...:)
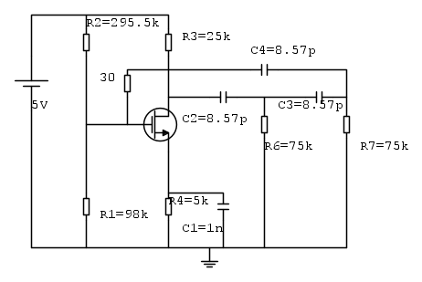
Dove, ho iniziato impostando la tensione di drain Vd=2.5V e la tensione di source Vs=0.5V, quindi ho calcolato il parallelo tra R3//R0=4.237/K*((Vgs-Vth)^2)
Ora, ho calcolato il guadagno Av=gm*R3//R0, dove gm=K(Vgs-Vth)(1+lambda*Vds) ed ho impostao il guadagno uguale a 100 e mi sono trovato Vgs<=0.74. Quindi posso determinare Vg=1.245.
Ora, dovendo dissipare al massimo 20mW, vuol dire che devo avere una corrente di drain non maggiore a 1mA, allora prendo Id=1microA e calcolo K dalle formule precedenti: K=0.1157 dal quale mi ricavo W/L=6.95.
Ora, sostituendo tutti i valori alle formule precedenti, ottengo:
gm=0.005
R0=271.7K
R3=25K
R3//R0=22.89K
R4=5K
Ora passo a verificare le condizioni di Barkausen.
Ho disegnato il circuito alle variazioni e l'ho semplificato con theven come segue:
Dove ho fatto la serie tra R1//R2 e R5, e dove Vth=gmVgsRu con Ru=R3//Ro
Ora ho posto R=R6=R7=R5+(R1//R2) e Z=C"=C3=C4 con Z=1/SC
Nella semplificazione successiva ottengo Va=Vth*(R/R+Z+Ru) e Za=R//(Z+Ru)
Poi, applicando ancora Thevenin:
dove Vb=Va*(R/R+Z+Za) e Zb=R//(Z+Za)
Ora mi ricavo la tensione Vout ai capi dell'ultima resistenza a destra:
Vuot=Vb*(R/R+Z+Zb)
Ora trovo la funzione di trasferimento Vin/Vout, dalla quale mi ricavo omega:
Quindi, da omega mi calcolo C=8.57p
Spero di essere stato chiaro, se ci sono altri dubbi chiedete pure...:)
0
voti
Ah, dimenticavo, il osfet ha le seguenti caratteristiche:
.model modn NMOS(Level=1 VTO=0.7 GAMMA=0.5 PHI=0.8 LD=0.08E-06 WD=0 UO=460 LAMBDA=0.04
TOX=9.5E-9 PB=0.9 CJ=0.57E-3 CJSW=120E-12 MJ=0.5 MJSW=0.4 CGDO=0.4E-9 JS=10E-9 CGBO=0.38E-
9 CGSO=0.4E-9)
.model modn NMOS(Level=1 VTO=0.7 GAMMA=0.5 PHI=0.8 LD=0.08E-06 WD=0 UO=460 LAMBDA=0.04
TOX=9.5E-9 PB=0.9 CJ=0.57E-3 CJSW=120E-12 MJ=0.5 MJSW=0.4 CGDO=0.4E-9 JS=10E-9 CGBO=0.38E-
9 CGSO=0.4E-9)
0
voti
Avete qualche idea?
Cioè, ce un motivo particolare perché oscilla a 120 kHz invece che 100Khz?oppure ci sono errori di calcolo o nella formula della pulsazione?
Cioè, ce un motivo particolare perché oscilla a 120 kHz invece che 100Khz?oppure ci sono errori di calcolo o nella formula della pulsazione?
0
voti
Simulo con pspice, imposto skip initial tranfer e faccio partire la simulazione, poi dalla finestra del grafico clicco sul pulsante FFT in modo da avere fourier e vedo che c'è un picco a circa 140Khz, mentre dai calcoli dovrebbe essere 100Khz, a meno che non ho sbagliato qualche formula...
0
voti
17 messaggi
• Pagina 1 di 2 • 1, 2
Chi c’è in linea
Visitano il forum: Nessuno e 52 ospiti

Elettrotecnica e non solo (admin)
Un gatto tra gli elettroni (IsidoroKZ)
Esperienza e simulazioni (g.schgor)
Moleskine di un idraulico (RenzoDF)
Il Blog di ElectroYou (webmaster)
Idee microcontrollate (TardoFreak)
PICcoli grandi PICMicro (Paolino)
Il blog elettrico di carloc (carloc)
DirtEYblooog (dirtydeeds)
Di tutto... un po' (jordan20)
AK47 (lillo)
Esperienze elettroniche (marco438)
Telecomunicazioni musicali (clavicordo)
Automazione ed Elettronica (gustavo)
Direttive per la sicurezza (ErnestoCappelletti)
EYnfo dall'Alaska (mir)
Apriamo il quadro! (attilio)
H7-25 (asdf)
Passione Elettrica (massimob)
Elettroni a spasso (guidob)
Bloguerra (guerra)






